Ground wire locations on body and frame?

Tiny
GREGGO2
  • MEMBER
  • 2008 CHEVROLET SILVERADO
  • 6.6L
  • V8
  • TURBO
  • 4WD
  • AUTOMATIC
  • 175,000 MILES
Not sure, but I think I'm having a ground issue. My headlights blink when I apply brakes and when starting sometimes the starter will engage and disengage. I've had batteries checked and also headlamps blowing more than normal.
Tuesday, September 20th, 2022 AT 8:52 AM

1 Reply

Tiny
AL514
  • MECHANIC
  • 5,584 POSTS
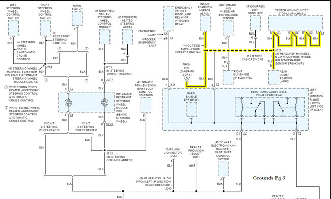
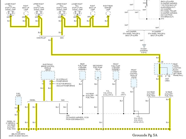
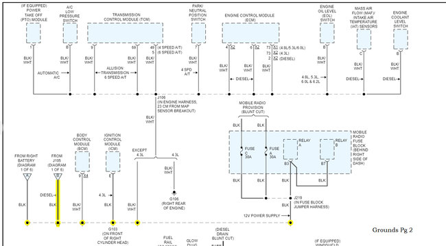
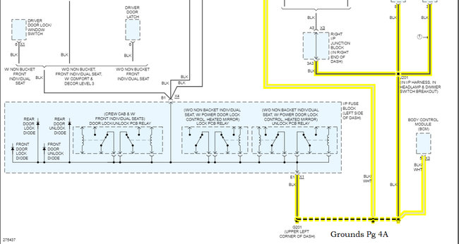
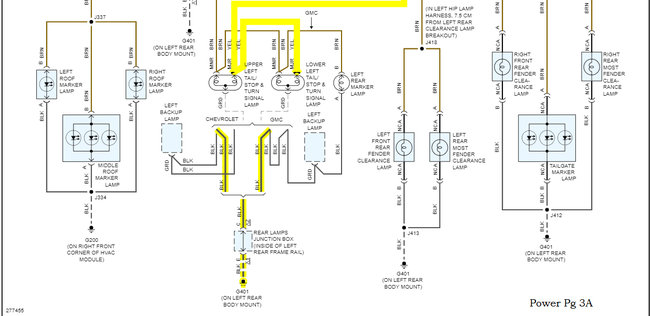
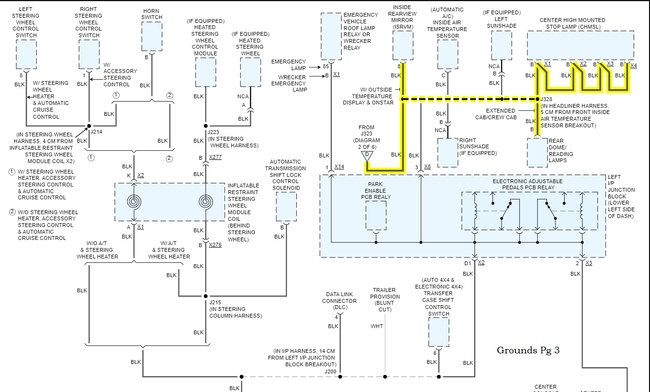
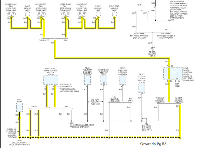
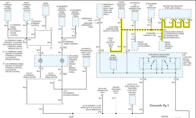
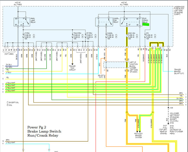
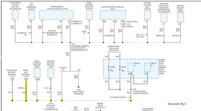
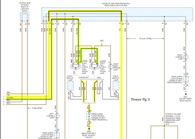
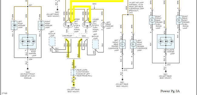
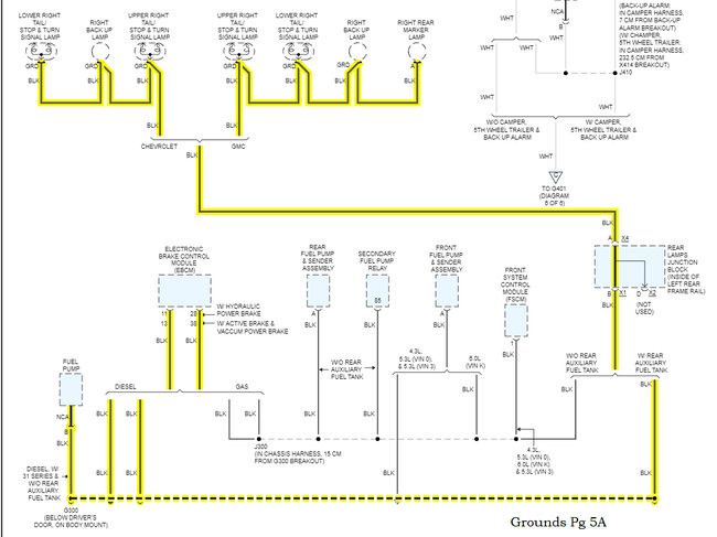
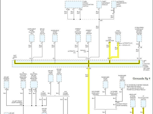
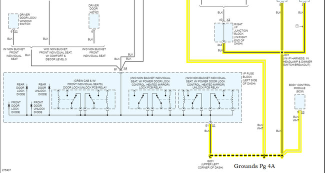
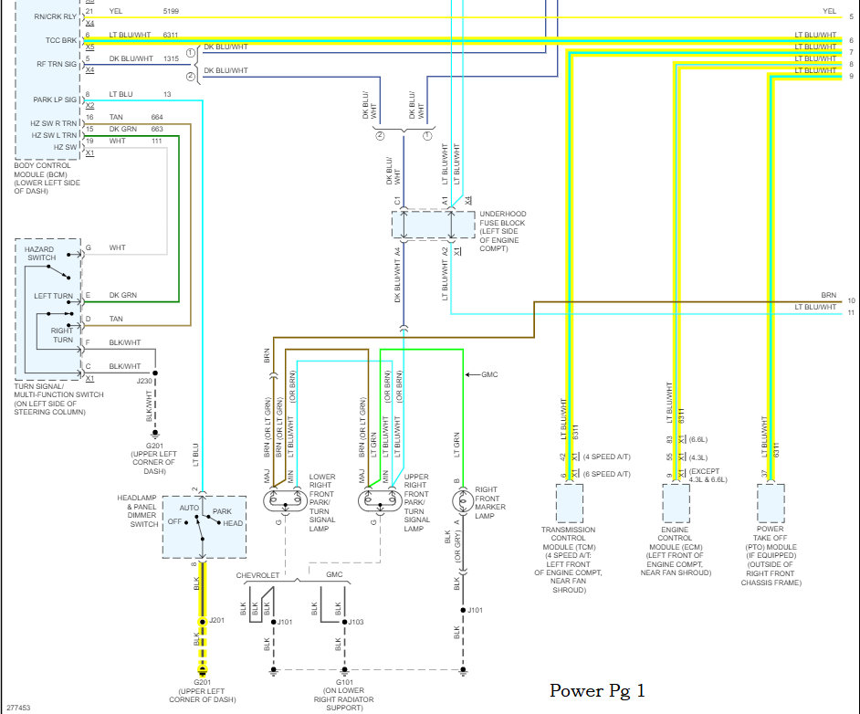
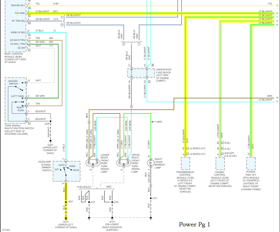
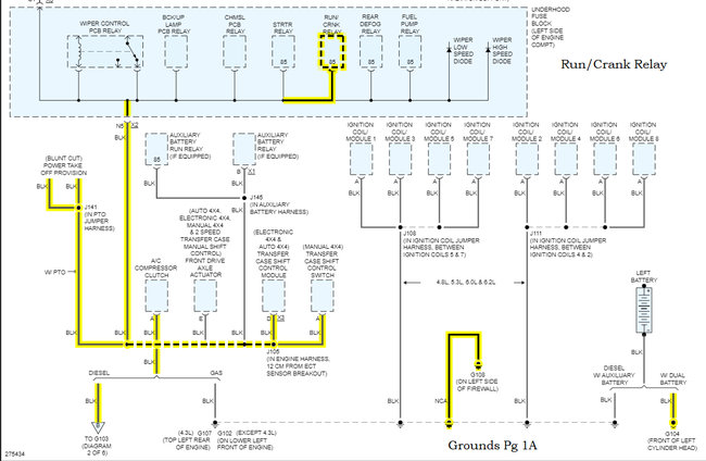
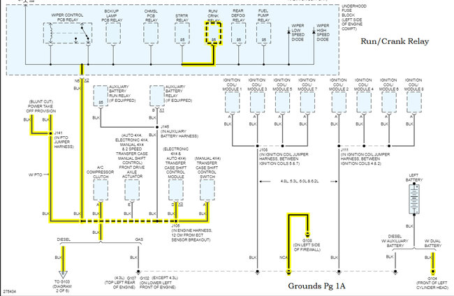
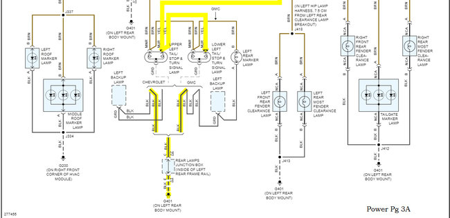
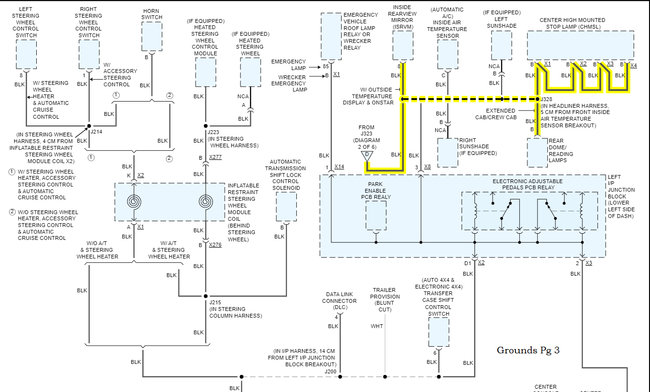
Hello, it does sound like you are having a grounding issue. Im pulling up all the ground wire diagrams for you, there are 6 pages. But some of the first checks to do would be any braded ground straps going from the frame to the body. The braded ground straps can be deceiving, they can look ok but then when you go an attempt to move them around alittle they will start to crumble in your hand. Depending on what kind of weather your truck is exposed to the frame to body main ground straps is where I would start. If you live in an area that gets alot of snow and they salt the roads alot, I would change the braded straps to a solid low gauge insolated wire. They will last alot longer and withstand the salt more. But I will post all the diagrams shortly. The headlamp grounds look to be on the lower radiator support area. This is the 6.6liter diesel I assume..

When testing ground wires, I suggest using a test light or even setup a headlamp bulb test light so you can load test the grounds. Hooking the test light to Battery Positive and touching the other end to the ground you are checking will help to load the circuit and make sure it can carry current. Youre having a failure when the circuits are loaded the most. Headlamps and the Starter Motor are going to be some of the biggest loads on electrical circuits. So when testing, have the truck running and turn on your headlights, and possibly a cranking test.

You can also use a multimeter and measure voltage drop. From the frame to the body, you will be measuring the voltage drop on the ground side. If you see anything over 0.300-0.400mv, and thats pushing the limits of voltage drop. I think with your issue you will see a few volts of voltage drop because your headlights are dropping out. If you have a long enough meter leads, you can check from battery negative to the frame and body.

One other thing is that it looks like all the exterior grounds are solid black wire, while the interior grounds are black with a white stripe (Black/White).
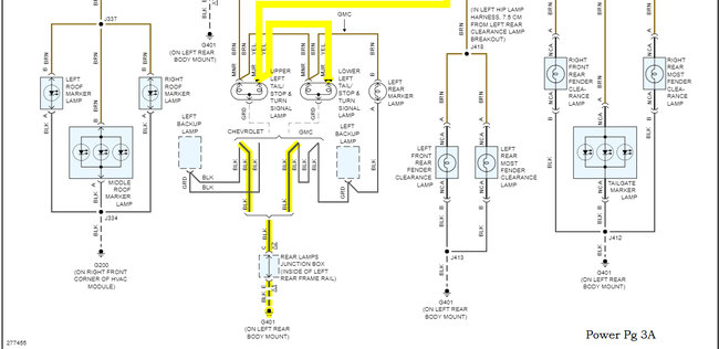
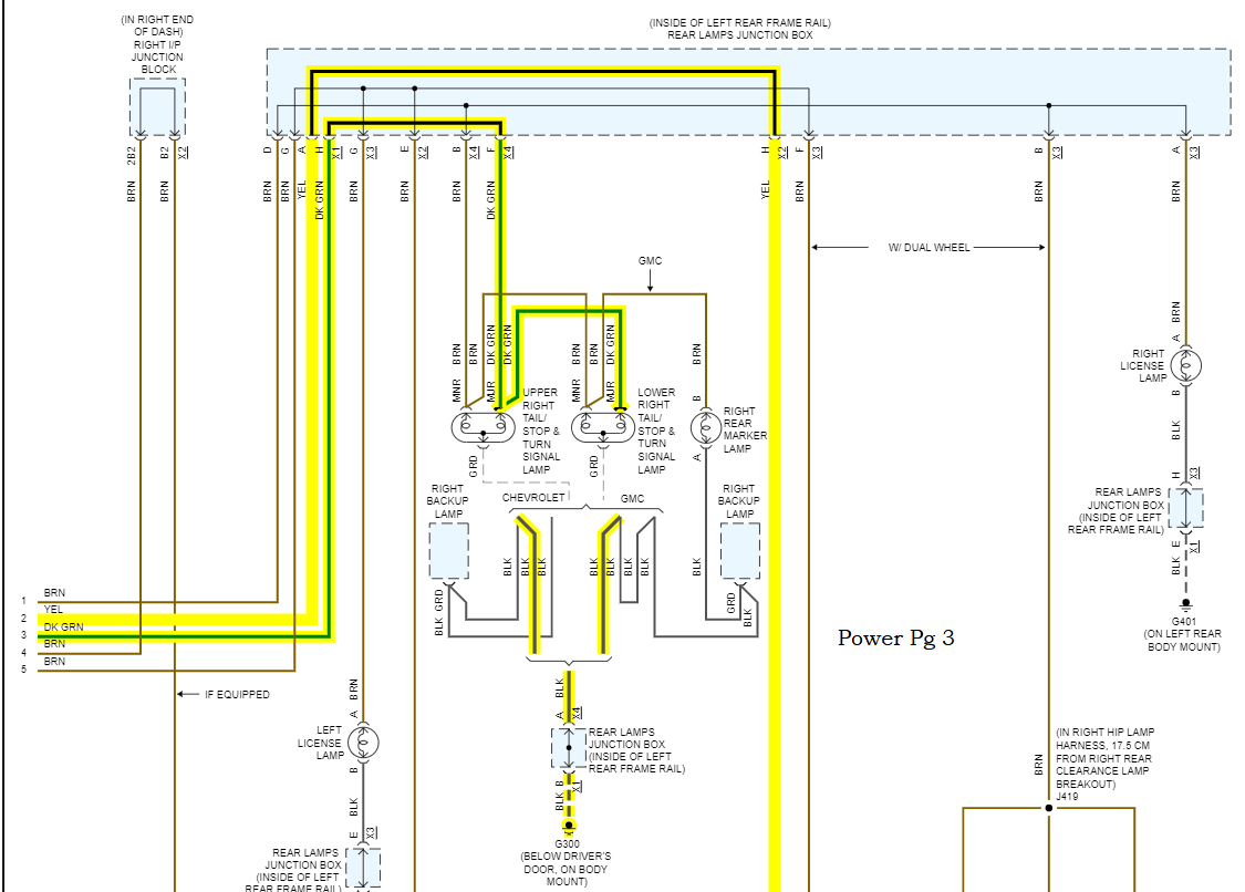
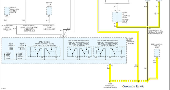
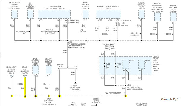
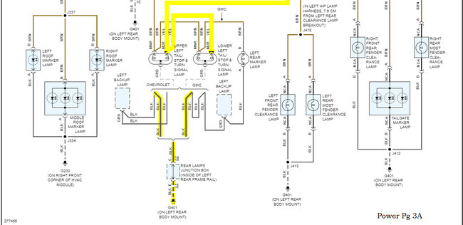
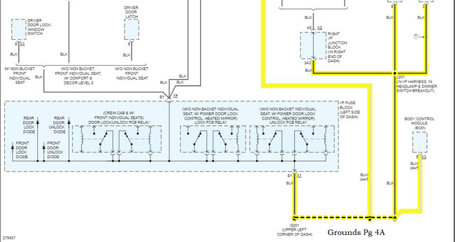
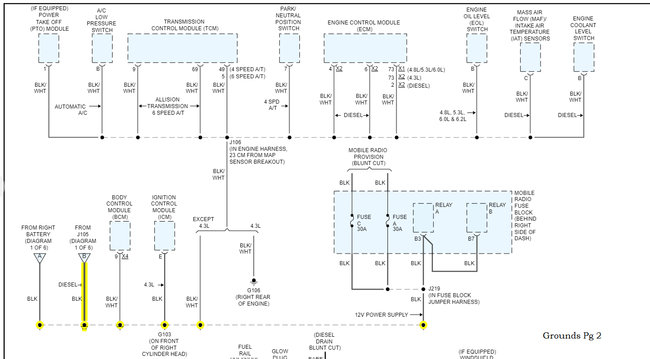
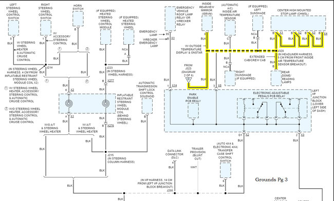
Diagrams 1 to 13 are all the Ground Circuits with certain ones highlighted as problematic areas you mentioned. They are also all labelled at the bottom as to which diagrams go together.

Diagrams 14 to 18 are some Power diagrams I added which include the Brake Light switch and the Relay that powers those circuits just to show the tie in together. Plus there are a couple Grounds shown on those as well..

https://www.2carpros.com/articles/how-to-use-a-test-light-circuit-tester
Was this
answer
helpful?
Yes
No
+1
Tuesday, September 20th, 2022 AT 12:44 PM

Please login or register to post a reply.