Thursday, June 3rd, 2021 AT 10:39 AM
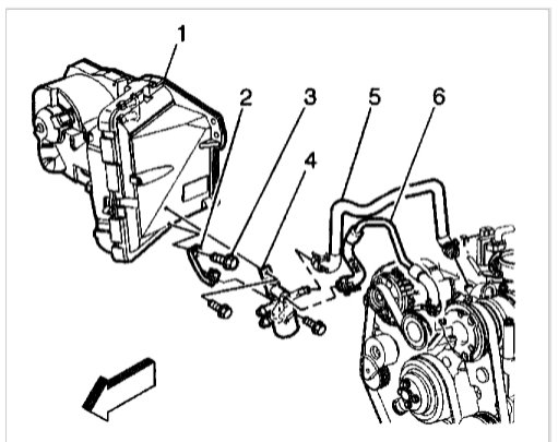
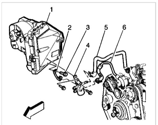
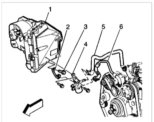
Good drawing of HVAC system components with part numbers needed. My old reliable vehicle (listed above) had the heater control valve disintegrate. I have purchased 3 manuals so far and none have any component breakdowns with drawings of system components. Can anyone share this with me?








