1997 GMC Yukon Day Time Running Light Module Location?

Tiny
GSCHALL
  • MEMBER
  • 1997 GMC YUKON
Electrical problem
1997 GMC Yukon V8 Four Wheel Drive

Does anyoine know where to locate the Day Time Running Light Module. I have not found it but it could be the problem with the no headlight issue I have been dealing with.

Any help would be apprectiated Thank you.
Tuesday, June 9th, 2009 AT 6:42 PM

7 Replies

Tiny
SERVICE WRITER
  • MECHANIC
  • 9,123 POSTS
Left side of dash, taped to panel wiring harness.
Was this
answer
helpful?
Yes
No
Tuesday, June 9th, 2009 AT 6:55 PM
Tiny
GSCHALL
  • MEMBER
  • 10 POSTS
I will check under the left part of the dash and see if I can find the panel harness. Thanks again

gschall
Was this
answer
helpful?
Yes
No
Tuesday, June 9th, 2009 AT 11:07 PM
Tiny
SERVICE WRITER
  • MECHANIC
  • 9,123 POSTS
Sometimes the electrical component locator leaves a lot to the imagination. Your best bet is to see what it looks like beforehand if you are unfamiliar with it.
Was this
answer
helpful?
Yes
No
Wednesday, June 10th, 2009 AT 5:29 AM
Tiny
GSCHALL
  • MEMBER
  • 10 POSTS
Thank you for your help. I did find it, the module was inside of a black plastic box hanging from some wiring harness. However, that was not the problem. I may have to try the high beam switch next.
Was this
answer
helpful?
Yes
No
+1
Tuesday, June 16th, 2009 AT 4:40 PM
Tiny
SERVICE WRITER
  • MECHANIC
  • 9,123 POSTS
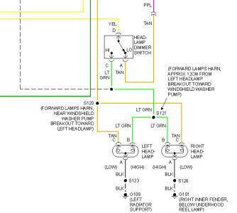
Sounds like the next most loical spot to test.


https://www.2carpros.com/forum/automotive_pictures/30961_yuk_2.jpg

Was this
answer
helpful?
Yes
No
+1
Tuesday, June 16th, 2009 AT 8:35 PM
Tiny
GSCHALL
  • MEMBER
  • 10 POSTS
Thanks for all of your help, I finally had to change out the Signal switch wand that did solve the problem. I know three other Tahoe or Yukon owners that had to do the same thing over the past three months. These must be a problem in general. Thanks GM.

Anyway I got mine at a junk yard but of course its a gamble, since you moght be getting another problem, however, I got mine for free and swapped the broken flasher button out with my original one that worked fine. All things are good once again.

Thank you to everyone that helped me with advise.
Gschall
Was this
answer
helpful?
Yes
No
Tuesday, June 23rd, 2009 AT 7:18 PM
Tiny
SERVICE WRITER
  • MECHANIC
  • 9,123 POSTS
Very cool. That is a pricy switch. You did good!
Was this
answer
helpful?
Yes
No
Tuesday, June 23rd, 2009 AT 9:23 PM

Please login or register to post a reply.