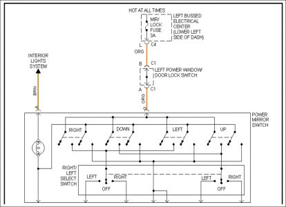
1999 GMC Sierra V8 Four Wheel Drive Automatic
I just replaced my passenger side power mirror (used) on my 99 gmc k1500. The mirror I just replaced does not work at all, and now I only have down on the driver side. Prior to this replacement, both mirrors worked as they should. What is the solution?
Saturday, November 29th, 2008 AT 4:03 PM










