Wiring diagram for firing order

Tiny
BOB IZUMI
  • MEMBER
  • 1998 GMC SIERRA
  • V8
  • 4WD
  • AUTOMATIC
  • 218,000 MILES
I just changed the cap, rotor, plugs and wires and can't get it to fire, i'm looking for the diagram for the firing order?
Thursday, February 26th, 2009 AT 9:12 PM

7 Replies

Tiny
RASMATAZ
  • MECHANIC
  • 75,992 POSTS
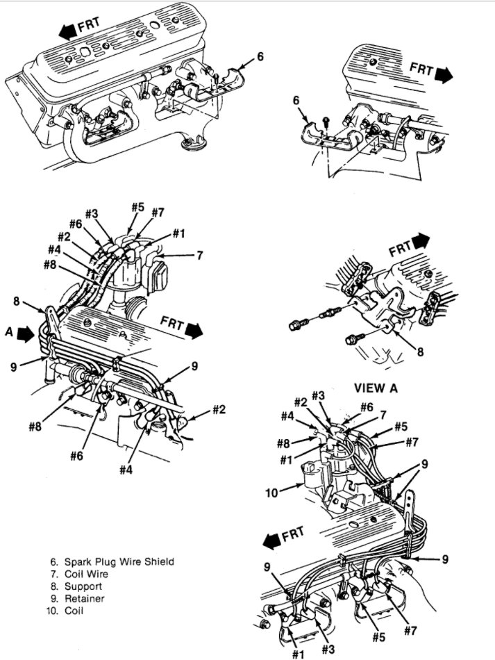
Check out the diagrams (Below). Please let us know if you need anything else to get the problem fixed.


https://www.2carpros.com/forum/automotive_pictures/12900_fo_39.jpg

Was this
answer
helpful?
Yes
No
+19
Thursday, February 26th, 2009 AT 9:23 PM
Tiny
KORTEGA
  • MEMBER
  • 1 POST
  • 1998 GMC SIERRA
  • V8
  • 4WD
  • AUTOMATIC
  • 10,000 MILES
I need the firing order for my truck it has a 5.0 vortec engine
Was this
answer
helpful?
Yes
No
+5
Thursday, May 23rd, 2019 AT 2:52 PM (Merged)
Tiny
BLUELIGHTNIN6
  • MECHANIC
  • 16,542 POSTS
Firing order 1-8-4-3-6-5-7-2

| 2 4 6 8 1 3 5 7 | Distributor rotates clockwise.
Was this
answer
helpful?
Yes
No
+3
Thursday, May 23rd, 2019 AT 2:52 PM (Merged)
Tiny
NEWAVDAVE1
  • MEMBER
  • 1 POST
  • 1989 GMC SIERRA
Electrical problem V8 Four Wheel Drive Automatic 100000 miles

need firing order & diagram please I love this site.
Was this
answer
helpful?
Yes
No
+1
Thursday, January 21st, 2021 AT 9:04 AM (Merged)
Tiny
KEN L
  • MASTER CERTIFIED MECHANIC
  • 55,488 POSTS
The firing order is V8 18436572 here is both the v6 and v8 engine (below).

v6 - Firing Order1-6-5-4-3-2

Here is a guide to show you how to tune up your car

https://www.2carpros.com/articles/how-to-tune-up-a-car-engine

Spark plug wire stats.

0-15 inch cable 3,000 - 10,000 ohms.
15-25 inch cable 4,000 - 15,000 ohms.
25-35 inch cable 6,000 - 20,000 ohms.
NOTE: Longer wires should measure about 5,000 to 10,000 ohms per foot.

Please let us know if you need anything else to get the problem fixed.

Cheers, Ken
Was this
answer
helpful?
Yes
No
+1
Thursday, January 21st, 2021 AT 9:04 AM (Merged)
Tiny
32RENZ
  • MEMBER
  • 1 POST
  • 1986 GMC SIERRA
Engine Performance problem
1986 GMC Sierra V8 Two Wheel Drive Automatic

I need the firing order on gmc suburban
Was this
answer
helpful?
Yes
No
Thursday, January 21st, 2021 AT 9:04 AM (Merged)
Tiny
MHPAUTOS
  • MECHANIC
  • 31,937 POSTS
The firing order is 1 8 4 3 6 5 7 2 driverside head 1357 passenger 2468
get #1 cylinder up on compression stroke and see where the rotor is pointing this will be the start of your firing order goes clockwise

Mark (mhpautos)
Was this
answer
helpful?
Yes
No
+2
Thursday, January 21st, 2021 AT 9:04 AM (Merged)

Please login or register to post a reply.