Hi cmsgtsmith,Welcome to 2carpros and TY for the donation.
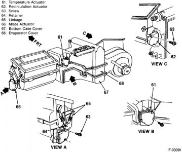
HEATER CORE/EVAPORATOR REPLACEMENT


REMOVE OR DISCONNECT
1.Battery ground cable.
2.Coolant from the radiator.
3.Refrigerant from the system.
4.Coolant overflow tank.
5.Heater hoses from the coil tubes.
6.Refrigerant inlet and discharge lines from the evaporator.
7.Electrical connection to the temperature actuator.
8.Heater case bottom plate.
*Remove the seven screws that hold the bottom cover.
9.Heater core.
*Remove the screws and brackets that hold the core to the case.
10.Evaporator core cover.
*Remove the four screws that hold the cover to the evaporator case.
11.Evaporator core.
*Pull the core out and down from the evaporator case.


INSTALL OR CONNECT
1.Evaporator core.
2.Evaporator core cover.
*Install the four screws
3.Heater core.
*Install the three screws and bracket.
4.Heater assembly bottom plate.
*Install the seven screws.
5.Electrical connection to the temperature activator.
6.Refrigerant inlet and discharge lines to the evaporator. TIGHTEN
*Inlet line connection to 41 Nm (30 ft lbs) .
*Discharge line connection to 24 Nm (18 ft lbs) .
7.Heater hoses to the heater core.
8.Coolant overflow tank.
9.Charge system with refrigerant.
*Leak test.
10.Coolant to the radiator.
11.Battery ground cable.
Friday, January 15th, 2010 AT 4:51 PM