2002 GMC Truck Safari Van 2WD V6-4.3L VIN X
Window Regulator:
TOOLS REQUIRED
M 39010 Heavy Duty Rivet Gun
REMOVAL PROCEDURE

1.Remove the trim panel.
2.Remove the bolts that retain the inner panel upper bar.
3.Remove the water deflector. Use a soft-faced scraper, if needed, in order to peel the water deflector away from the door.
4.Roll up the window.
5.Apply a cloth backed body tape from the window over the top of the door to the other side of the window in order to hold the window in position when the regulator is removed.
6.Disconnect the wiring harness from the power window regulator motor, if equipped.

7.Remove the window regulator rivet (2) heads by using a 6 mm (1/4 in) drill bit.
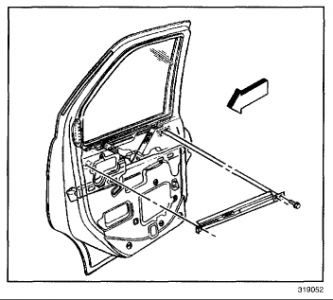
8.Remove the regulator (3) from the door:
8.1. Push the regulator into the door and slide the regulator forward and then rearward in order to remove the power window regulator arms from the sash and the regulator rail.
8.2. Fold the regulator arms together and remove it through the access hole.
INSTALLATION PROCEDURE

1.Install the regulator (3) to the door:
1.1. Place the window regulator into the door through the access hole.
1.2. Place the window regulator arm rollers into the sash and the regulator rail.
1.3. Push the window regulator through the regulator door opening and align the holes in the regulator with the holes in the door.
2.Install the rivets to the window regulator (3) using the M 39010.
3.Connect the wiring harness to the power window regulator, if equipped.
4.Install the water deflector.

5.Install the inner panel upper bar with the bolts. Tighten Tighten the bolts to 25 N.m (18 lb ft) .
6.Remove the tape from the door and the window.
7.Check the window operation.
8.Install the trim panel.
Wednesday, February 3rd, 2010 AT 7:39 PM