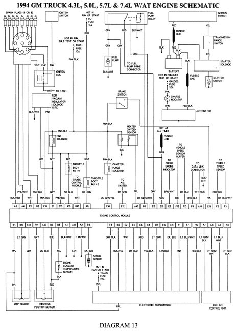
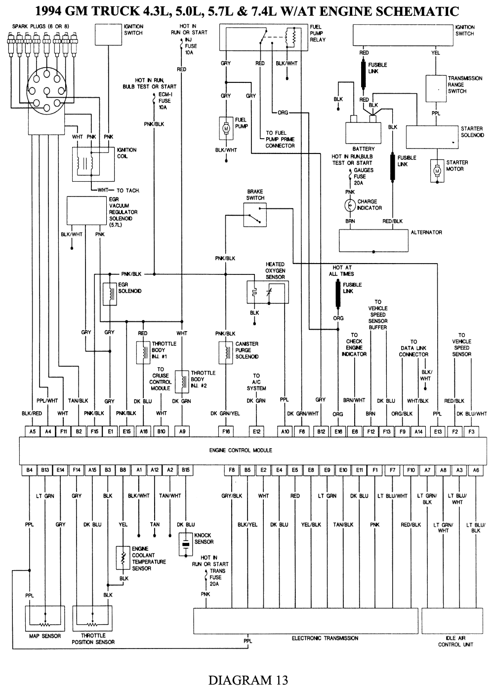
The EGR Valve is disconnected and I am missing the solenoid as well. But looking at the TBI am missing the vacuum pipe and the harness that I have does not fit any of the solenoid I found.
Adding some pictures here maybe someone can shed some light here.
On the other hand the wiring diagram that I have specifying a EGR regulator that am missing on my block as well.
Thanks in advance.
Tal
Tuesday, April 20th, 2021 AT 4:40 AM


















