Gas gauge needle jumps back and forth very rapidly?

Tiny
STEELERS74
  • MEMBER
  • 1997 GMC JIMMY
  • 6 CYL
  • 4WD
  • AUTOMATIC
  • 163,000 MILES
When I turn the key to the ignition, the needle jumps back/forth very rapidly. It then settles down to the correct level in the tank.
Friday, August 29th, 2008 AT 6:30 PM

1 Reply

Tiny
SQM
  • MECHANIC
  • 6,383 POSTS
Hello,

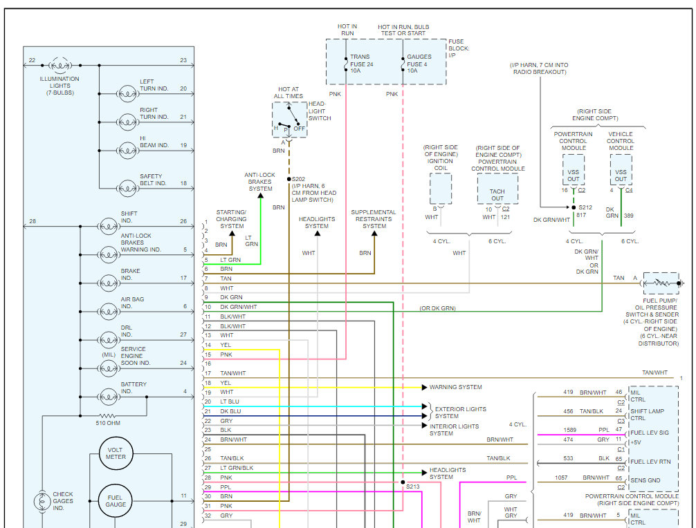
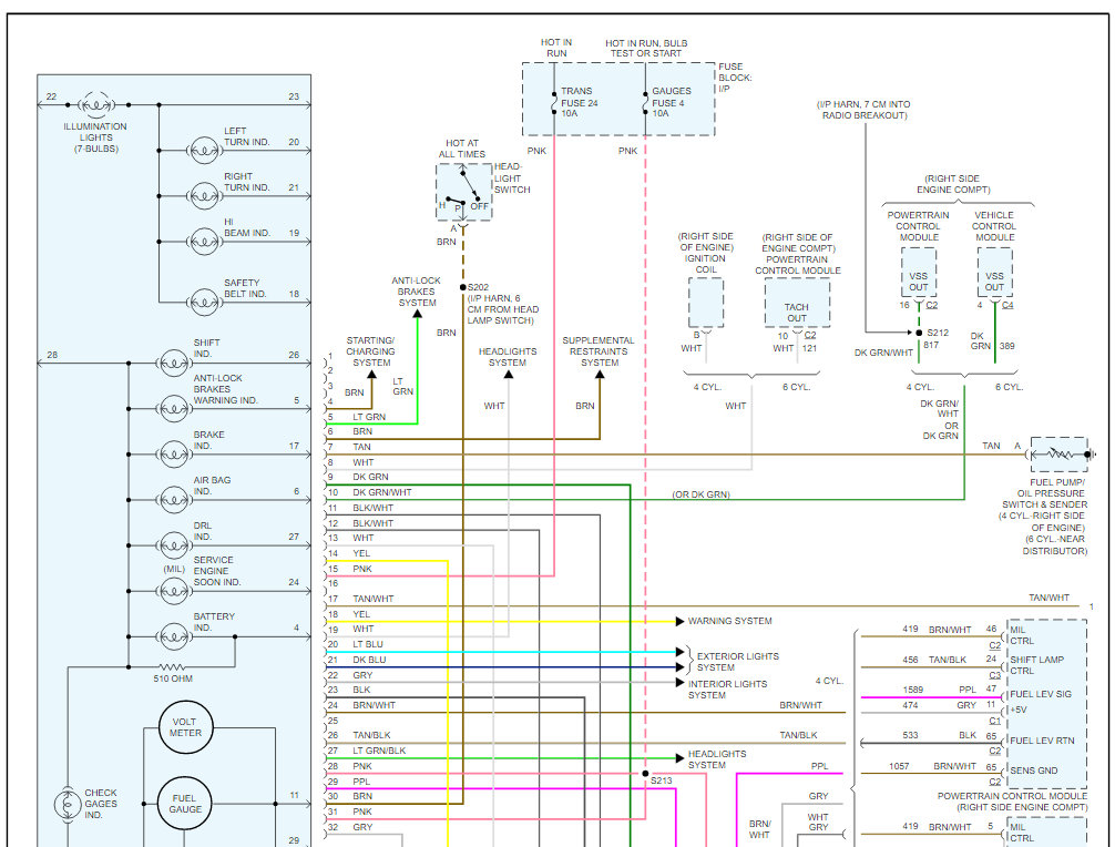
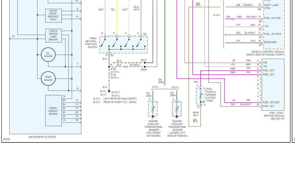
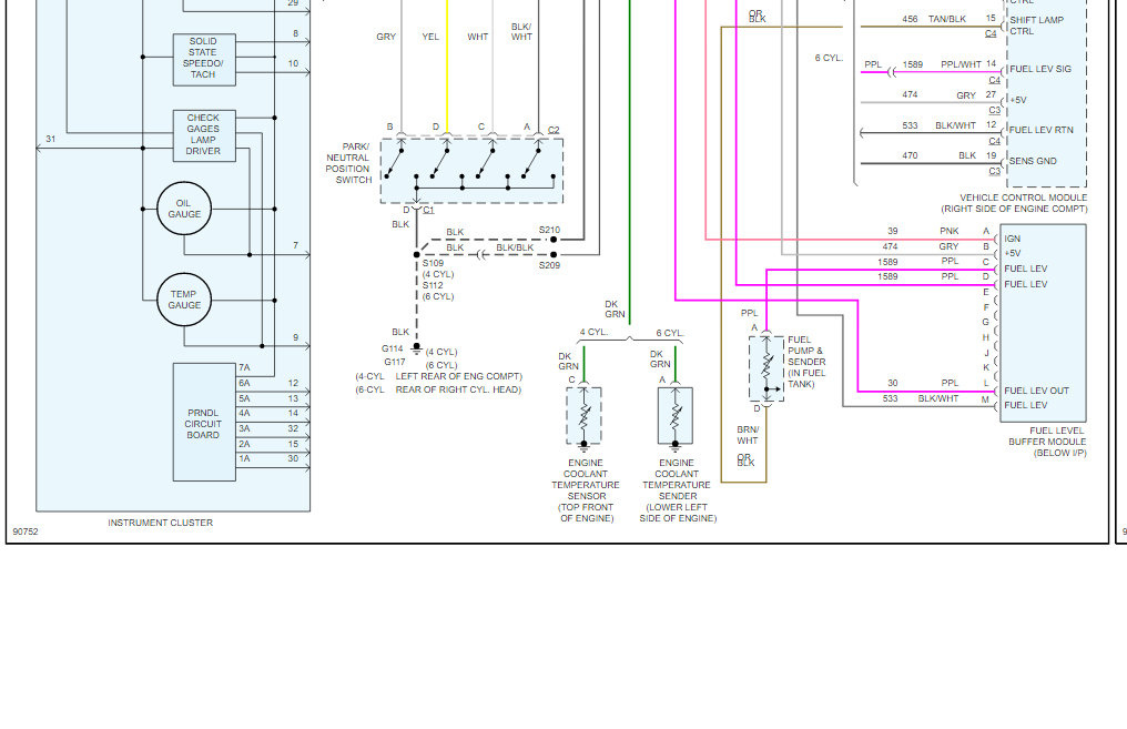
It sounds like you have an issue with the stepper motor for that gauge.
On these years GM trucks have issues with those little motors that controls the gauges, going bad.
Sometimes the gauges can fluctuate back and forth as you drive or provide no reading at all.
Replacing the motor should fix the issue.
In order to replace any of the stepper motor, you will have to remove the gauge cluster and access it from the back.

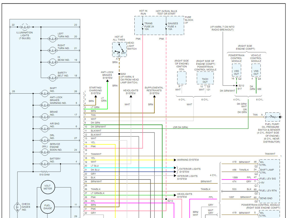
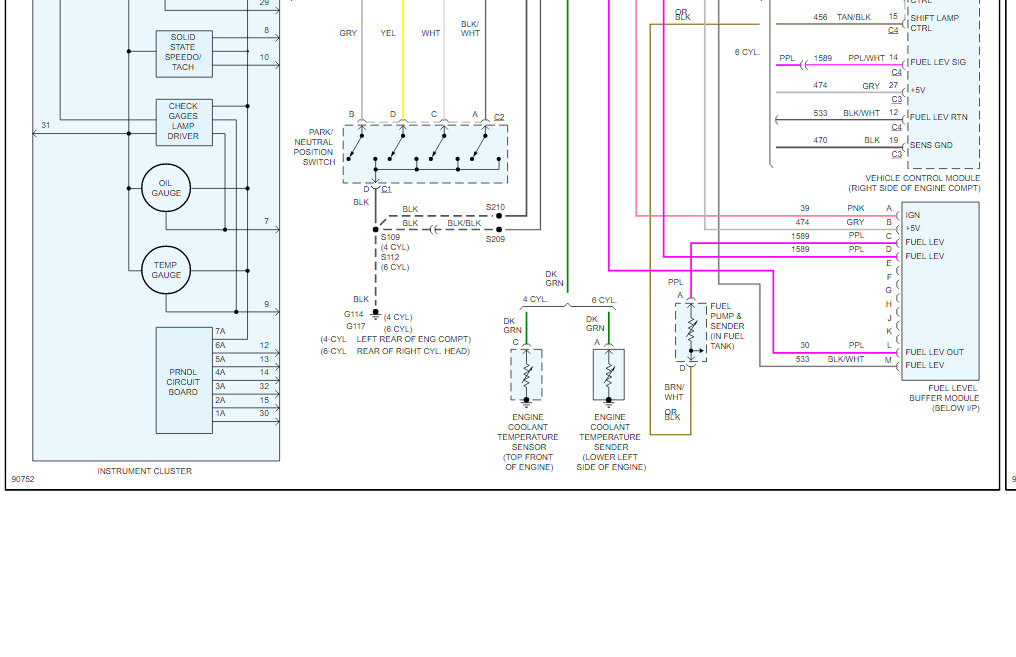
I have attached the wiring schematics of the gauge cluster for your reference.

Please let me know of any questions.
Thank you.

https://www.youtube.com/c/2carpros/featured
Was this
answer
helpful?
Yes
No
Saturday, September 18th, 2021 AT 9:51 PM

Please login or register to post a reply.