Wednesday, April 23rd, 2008 AT 8:33 PM
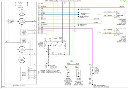
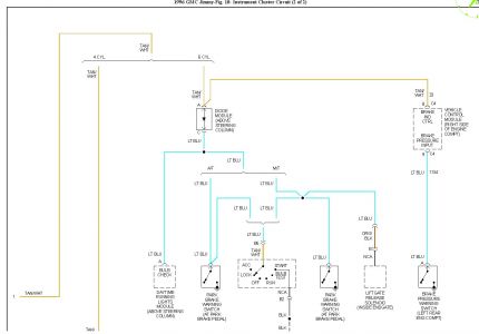
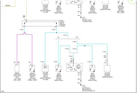
I recently purchased this vehicle and the brake warning light (red brake dash light not abs light)came on. It isn't on when I first start it in the morning but after going down the road a few miles it will come on and stay on until the next morning. The fluid level is fine and the parking brake release switch is testing ok. And the pedal feels fine not spongy or going to the floor. It has a junction block below the master cylinder that has some sort of pressure switch in between the two fluid lines but I'm not sure how the wiring on it works and the Haynes manual doesn't give any info on that particular wiring. Please help me!





