Monday, August 23rd, 2010 AT 9:42 PM
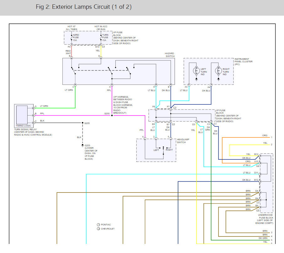
Turn signal works no brake lights. Checked fuses all good. Had brake switch replaced 1 yr. 8 months ago, same symptoms. How do you replace the brake switch?





