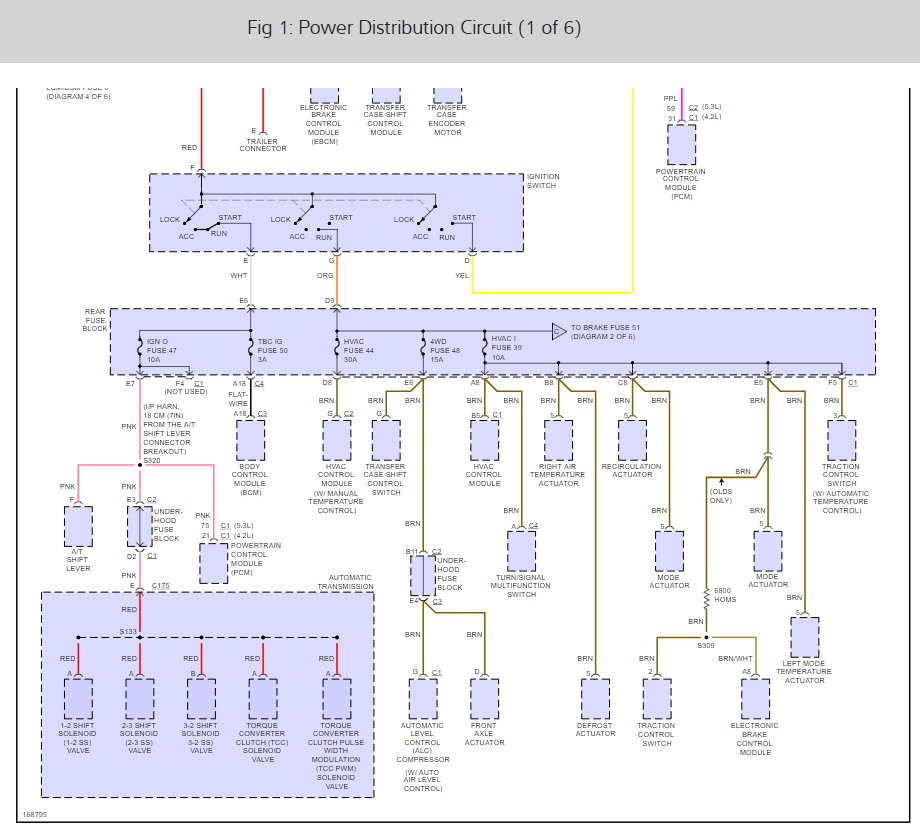
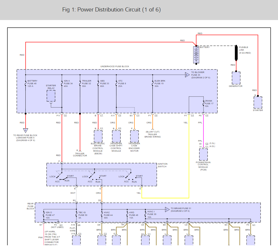
Thursday, May 14th, 2009 AT 1:32 PM
My Envoy began acting up by not shutting off when you turn off the ignition and take out the key. When this happens, the SERVICE 4WD light comes on, then the ABS and PARKING BRAKE light come on. The car will drive without the keys, but seems to have less power. Sometimes it shuts off as it should. When I get in to start it after it has been sitting overnight, the SERVICE ENGINE SOON light is on before I put the key in and the battery is dead. Jump starts easily. The ignition switch has already been replaced. Any ideas?



















