Saturday, December 20th, 2025 AT 9:11 PM
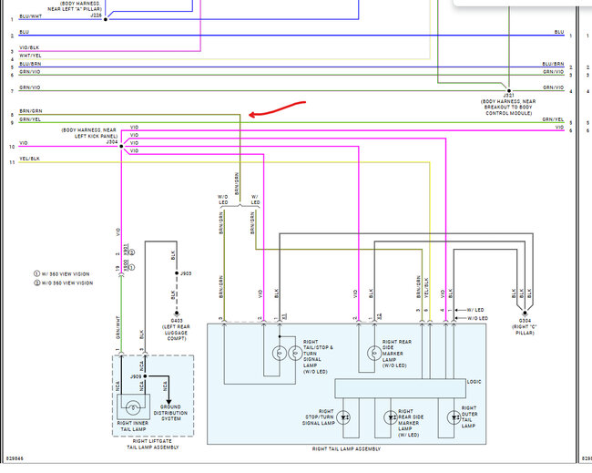
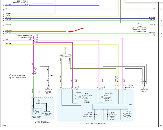
On my 2023 eqinox The left front and right rear turn signals are showing they are not working. The bulbs do not light up because power is not being delivered to the bulbs.I checked all bulbs, wires, grounds. Everything seems good except I believe the bcm is not functioning properly. I need the pin out wiring diagram so I can check each wire.








