A/C blowing hot air

Tiny
MOHAMED THOWFEEK
  • MEMBER
  • 2005 HONDA CIVIC
  • 4 CYL
  • 2WD
  • AUTOMATIC
  • 400,000 MILES
Driving while using A/C in hot time getting heat?
Engine out nothing wrongs to see.
Wednesday, June 6th, 2018 AT 7:19 AM

1 Reply

Tiny
JACOBANDNICKOLAS
  • MECHANIC
  • 110,192 POSTS
Hi and thanks for using 2CarPros. Com. First, are you sure the compressor is working? Could it be low on Freon?

If the compressor is working, my first guess is that there is a problem with what is called a blend air door. There is an actuator which changes the direction of the air flow from heat to AC. Here is how the system works.

2005 Honda Civic L4-1.7L SOHC
Vehicle  Heating and Air Conditioning  Air Door  Air Door Actuator / Motor  Description and Operation
DESCRIPTION AND OPERATION
How the Circuit Works
The heater control unit-panel controls the blower controls, air delivery, and A/C compressor controls automatically. With the ignition switch in ON (II), battery voltage is supplied through fuse 14. The control unit is grounded at G502.

Air Delivery
The heater control unit-panel controls the blower motor and supplies a 5 VDC reference voltage to the air mixture control motor.

The air mix and mode control motors each receive inputs from the control unit. The air mix motor regulates the mixture of cold and hot air by varying the position of the heater-evaporator door. The mode control motor controls the direction and volume of outlet air. Use the mode control dial to select the vents the air flows from. Some air will flow from the dashboard corner vents in all modes. Both the air mix control motor and mode control motor are grounded by the control unit.

The recirculation control motor receives battery voltage through fuse 14 when the ignition switch is ON (II). It regulates the position of the fresh/recirc door, and is controlled by the heater control unit-panel when the recirculation button is pressed at the recir-A/C-rear defogger switch assembly.
__________________________________________________________-

Here are directions for checking the blend door actuator:

CONVERSION CALCULATOR

2005 Honda Civic L4-1.7L SOHC
Vehicle  Heating and Air Conditioning  Air Door  Air Door Actuator / Motor  Testing and Inspection  Air Mix Control Motor Test
AIR MIX CONTROL MOTOR TEST
Air Mix Control Motor Test
Disconnect the 7P connector from the air mix control motor.
Connect battery power to the No.1 terminal of the air mix control motor, and ground the No.2 terminal; the air mix control motor should run, and stop at Max Hot. If it doesn't, reverse the connections; the air mix control motor should run, and stop at Max Cool. If the air mix control motor does not run, remove it, then check the air mix control linkage and door for smooth movement.
If the linkage and door move smoothly, replace the air mix control motor.
If the linkage or door stick or bind, repair them as needed,
If the air mix control motor runs smoothly, go to step 3.
Measure the resistance between the No.5 and No.7 terminals. It should be between 4.2 k to 7.8 kOhm.
Reconnect the air mix control motor 7P connector, then turn the ignition switch ON (II).
Using the backprobe set, measure the voltage between the No.3 and No.7 terminals.
Max Cool - about 1 V
Max Hot - about 4 V
If either the resistance or voltage readings are not as specified, replace the air mix control motor.

___________________________________________________

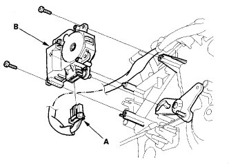
Here are the directions for replacing the actuator if needed. Picture 2 correlates with these directions.

2005 Honda Civic L4-1.7L SOHC
Vehicle  Heating and Air Conditioning  Air Door  Air Door Actuator / Motor  Service and Repair  Air Mix Control Motor
AIR MIX CONTROL MOTOR
Air Mix Control Motor Replacement
Remove the under-dash fuse/relay box.
Disconnect the 7P connector (A) from the air mix control motor (B). Remove the self-tapping screws and the air mix control motor from the heater unit.
Install the motor in the reverse order of removal. Make sure the pin on the motor is properly engaged with the linkage. After installation, make sure the motor runs smoothly.

__________________________________________________

I hope this helps. Let me know if you have other questions.

Take care,
Joe
Was this
answer
helpful?
Yes
No
Thursday, June 7th, 2018 AT 7:29 PM

Please login or register to post a reply.