1990 Geo Metro starter/alternator wiring?

Tiny
DEWING12000
  • MEMBER
  • 1990 GEO METRO
I changed engine and cant get starter and alternator wires in the right places, need help
Wednesday, February 24th, 2010 AT 8:20 PM

1 Reply

Tiny
BLUELIGHTNIN6
  • MECHANIC
  • 16,542 POSTS
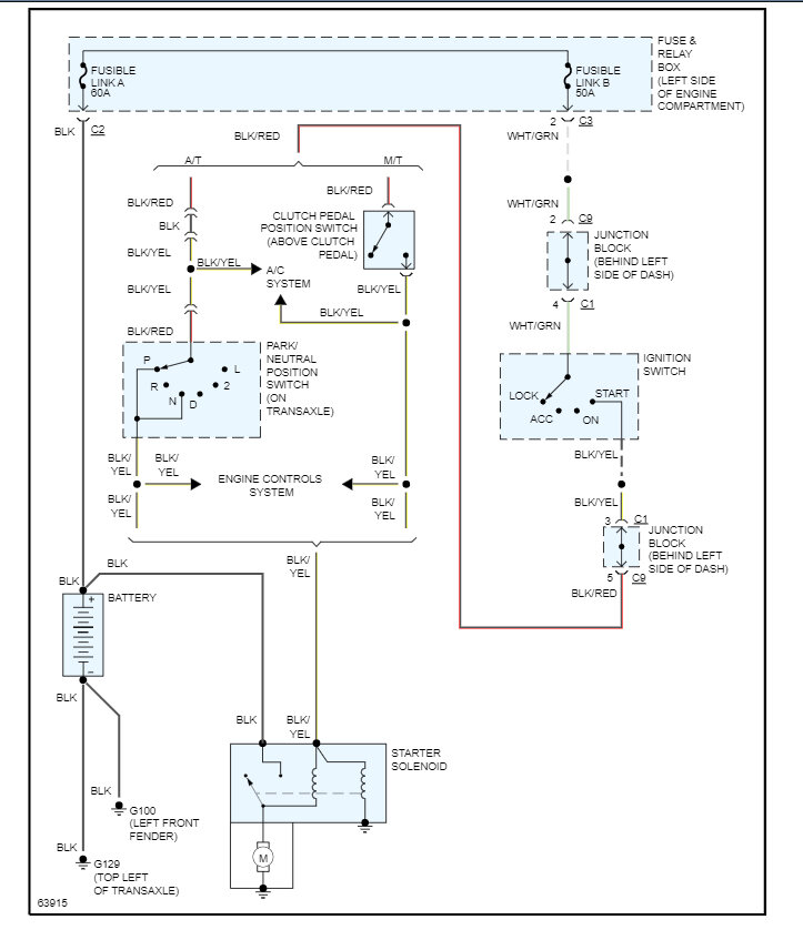
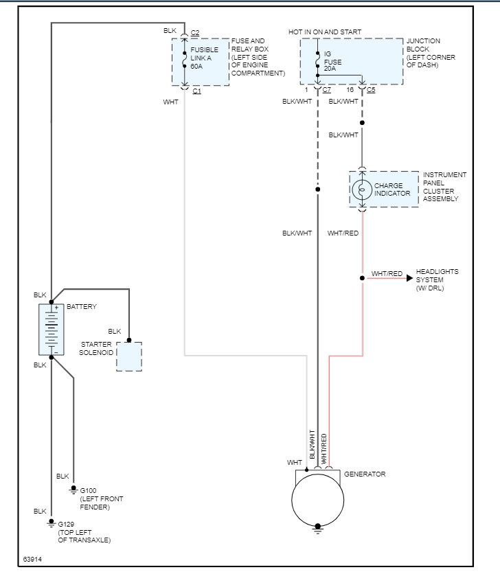
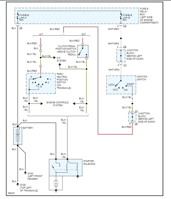
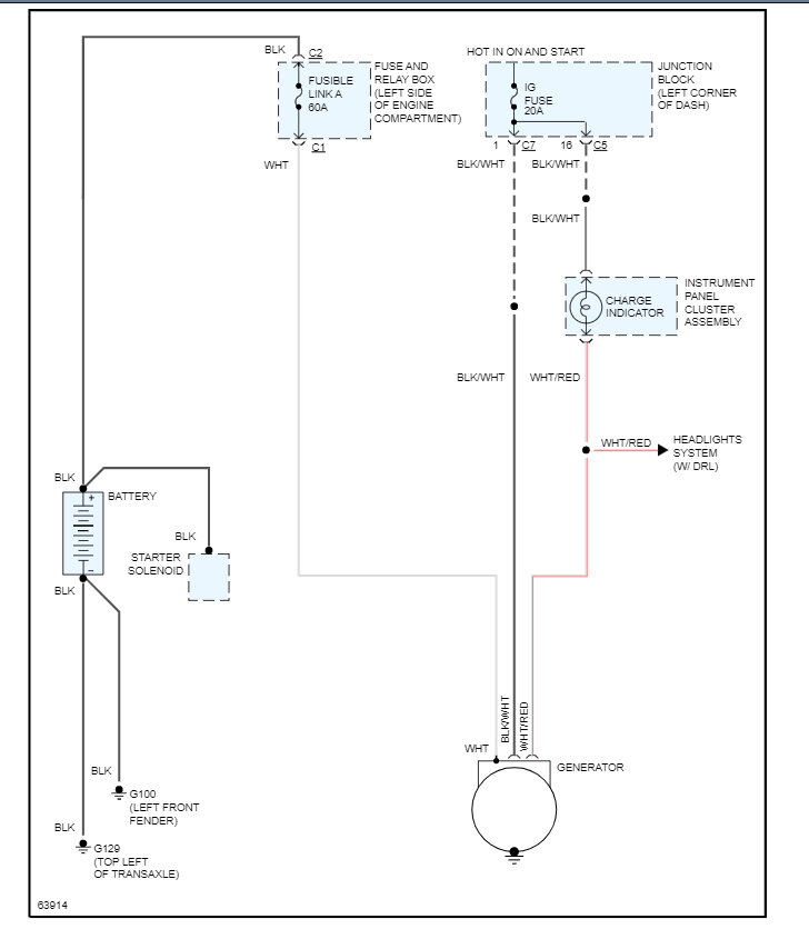
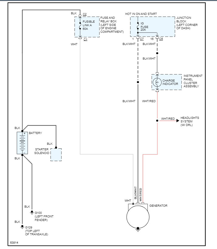
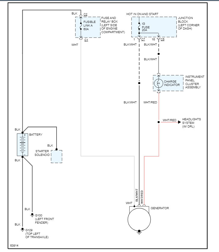
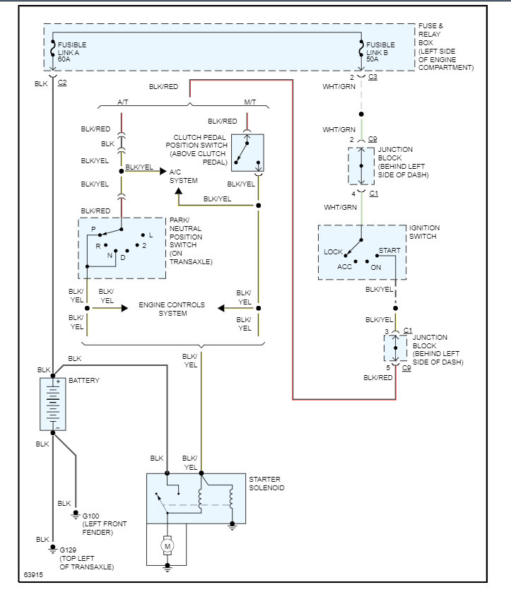
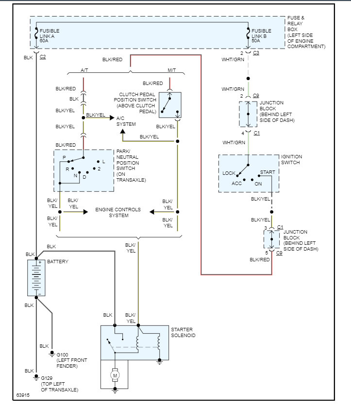
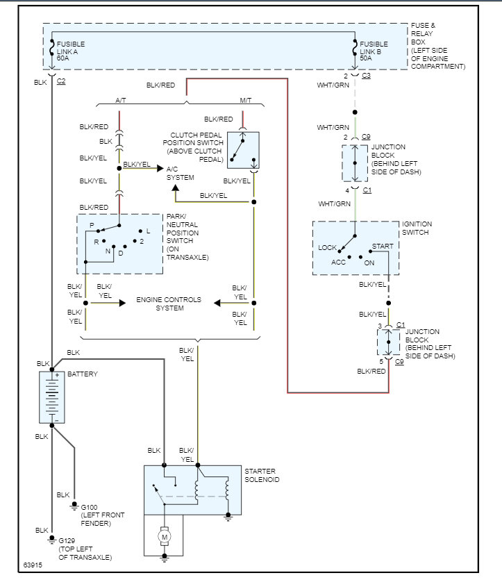
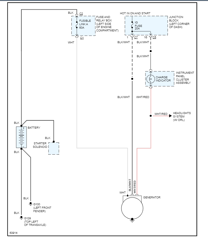
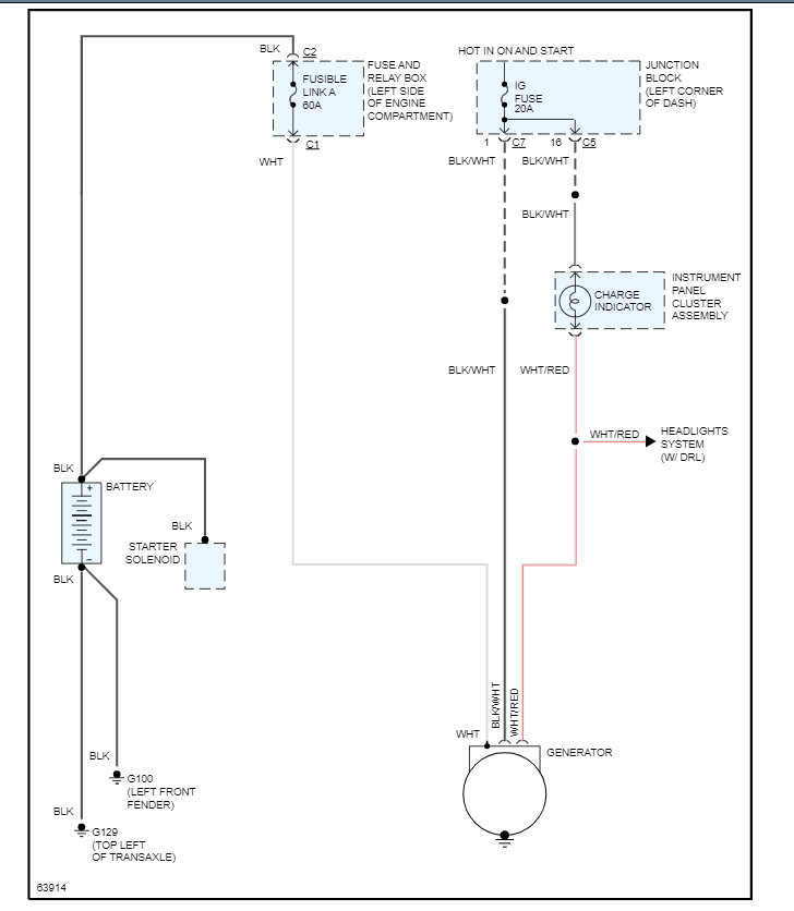
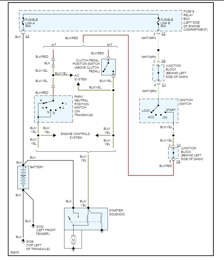
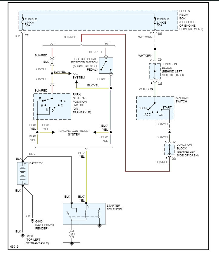
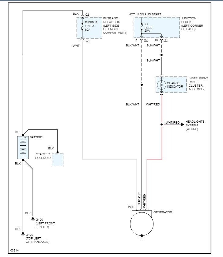
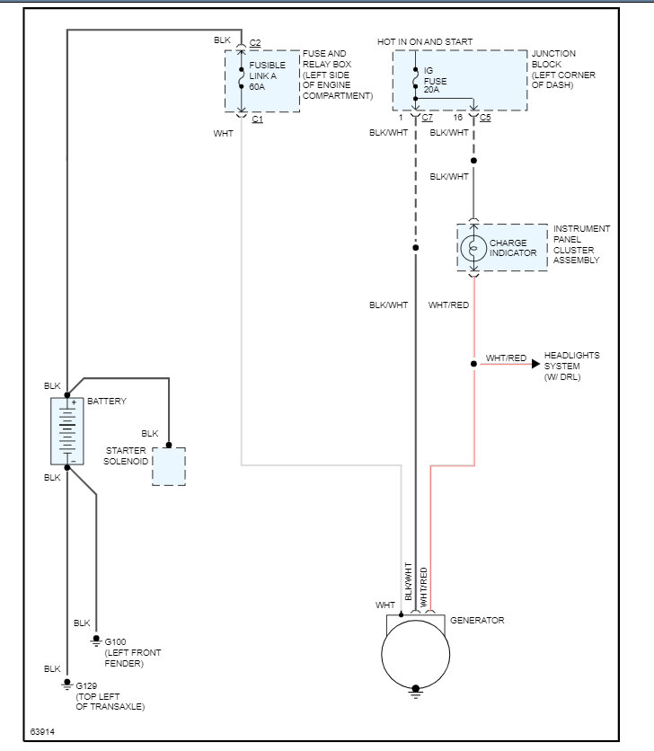
Here is the wiring diagrams for the starter and alternator please let me know if you need anything else. Check out the images (Below). Please let us know what happens.
Was this
answer
helpful?
Yes
No
+2
Thursday, April 22nd, 2010 AT 8:53 PM

Please login or register to post a reply.