GEM issues?

Tiny
CURT WAGNER
  • MEMBER
  • 1999 FORD F-250
  • 6.8L
  • V10
  • 4WD
  • AUTOMATIC
  • 99,000 MILES
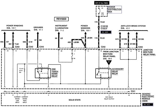
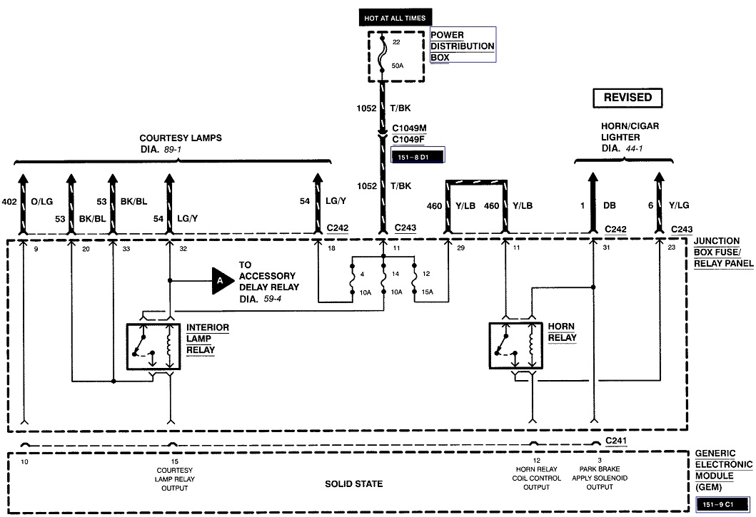
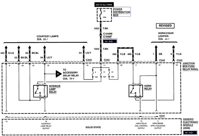
Working on a friend's pickup. Wipers, power windows, and radio (I think) and door or ignition key alarm will cut out or work sporadically. I have tested all the fuses and relays, removed the fuse box and cleaned up corrosion. Everything worked for a few miles and then stopped again. From looking at wiring diagrams, it seems the only common denominator is the GEM. I suspect corrosion in the fuse box has compromised one or more of the power or ground connections to the GEM. I'm looking for either testing procedures and/or pin assignments for the GEM and wiring harnesses connected to the fuse box so I can determine if the problem is in the fuse box or defective GEM.

Thanks
Friday, February 24th, 2023 AT 4:27 PM

3 Replies

Tiny
CARADIODOC
  • MECHANIC
  • 34,463 POSTS
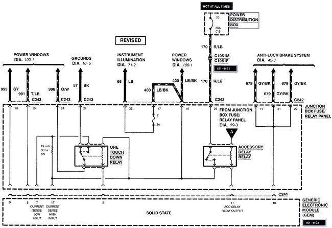
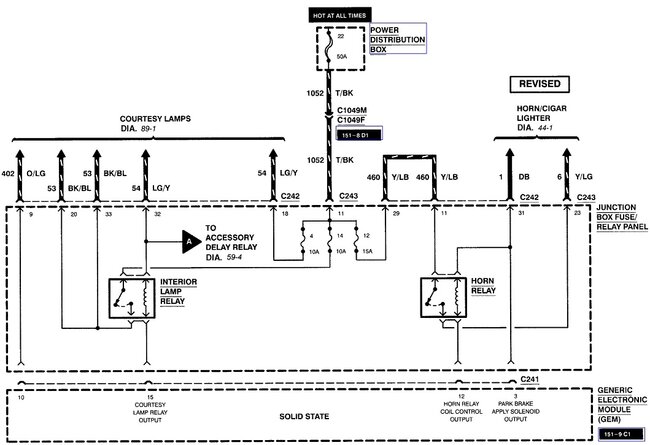
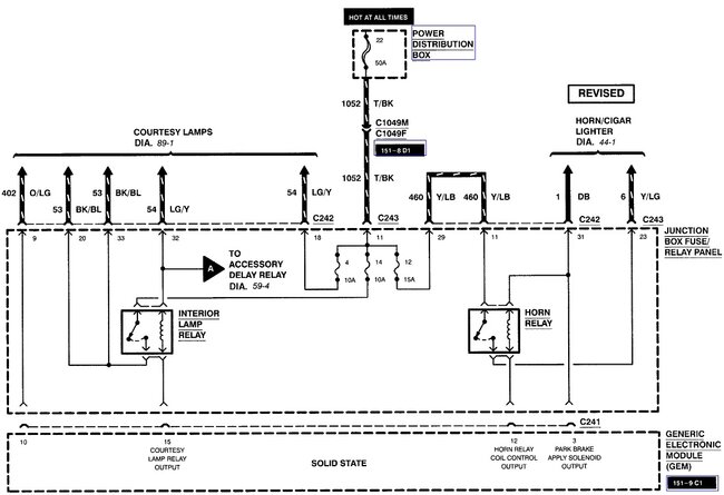
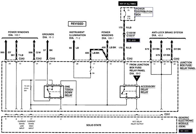
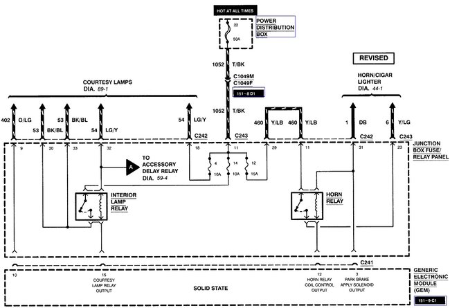
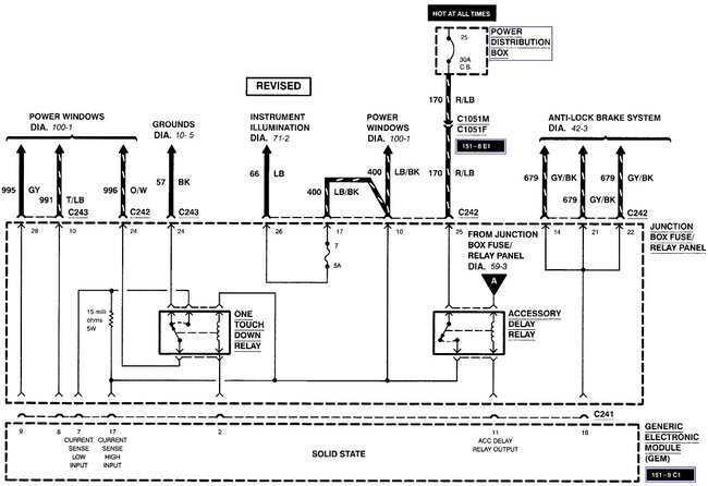
Here's what I was able to find. For the connector views for the PDC, nothing was listed. For the other two, it just kept coming up with these diagrams. If you can't read any of these, first try to copy them into a typing program such as MS Word where they can be expanded. If that doesn't work, tell me which ones to expand and I'll cut them in half then do that for you.

There have been a number of GEM Module failures due to water leaking from the windshield. There's also a note that this module needs to be programmed to the options on the truck. That might have to be done by the dealer.
Was this
answer
helpful?
Yes
No
+1
Friday, February 24th, 2023 AT 6:29 PM
Tiny
CURT WAGNER
  • MEMBER
  • 2 POSTS
Thanks, that should help.
Was this
answer
helpful?
Yes
No
Friday, February 24th, 2023 AT 10:16 PM
Tiny
KEN L
  • MASTER CERTIFIED MECHANIC
  • 55,281 POSTS
CARADIODOC is one of our best! Use 2CarPros anytime, we are here to help. Please tell a friend.
Was this
answer
helpful?
Yes
No
+1
Monday, February 27th, 2023 AT 8:41 AM

Please login or register to post a reply.