GEM

Tiny
RIDE4ZEN
  • MEMBER
  • 2001 MAZDA B3000
  • V6
  • 2WD
  • MANUAL
  • 208,000 MILES
Just bought this as "errand truck". Following things Don't work:
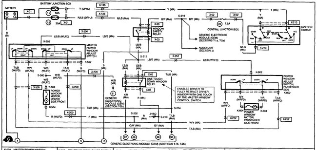
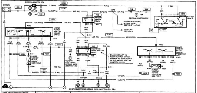
Power windows
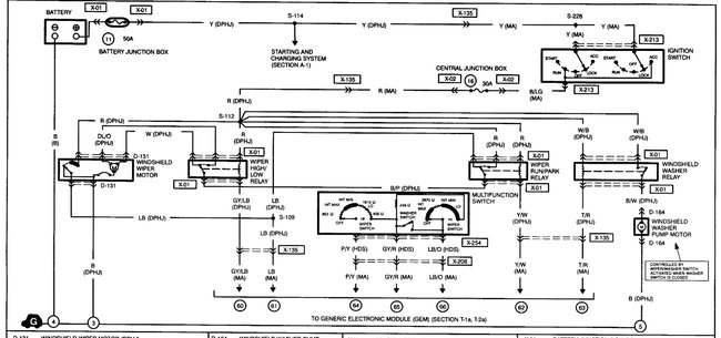
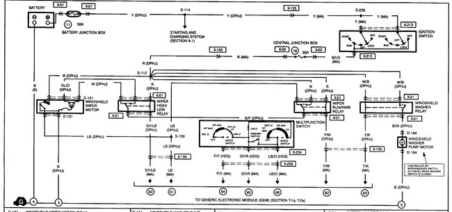
Wipers
Washer pump
Radio

Fuses and relays are good. Haven't gotten to all switches but this seems like the module. Am I missing something?
Tuesday, March 5th, 2019 AT 12:38 PM

1 Reply

Tiny
D6SPAN
  • MECHANIC
  • 58 POSTS
Hi Ride,
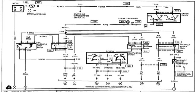
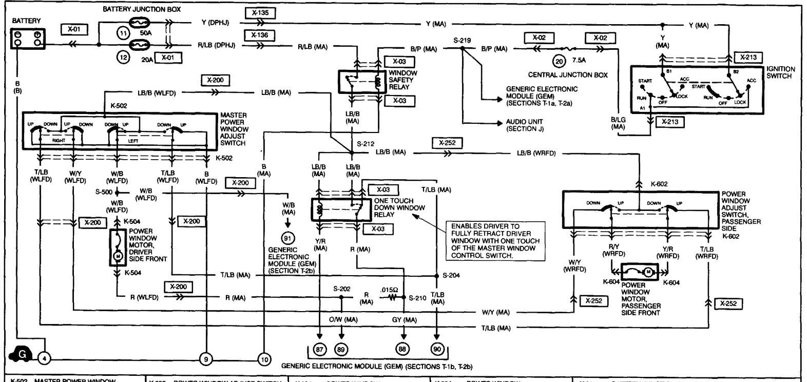
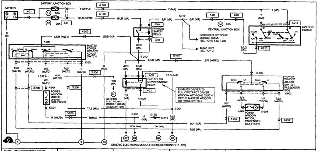
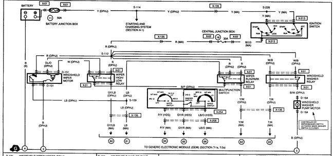
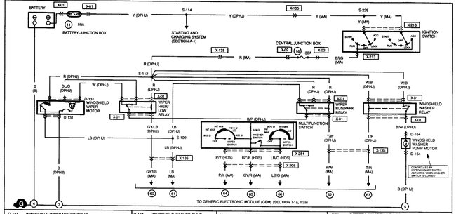
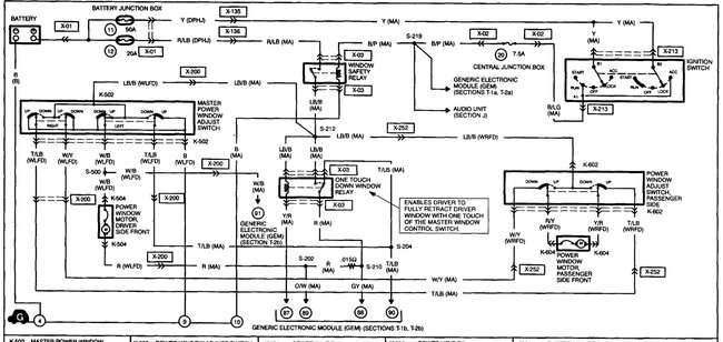
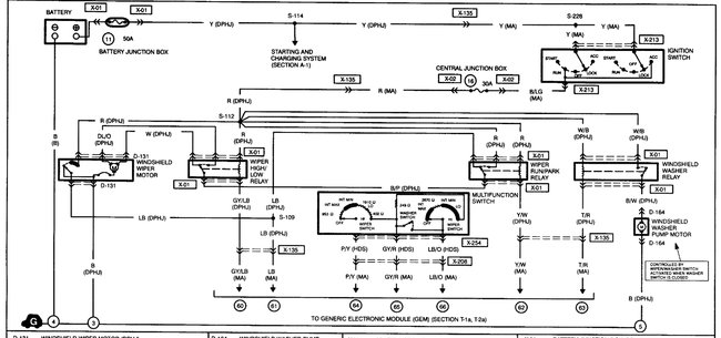
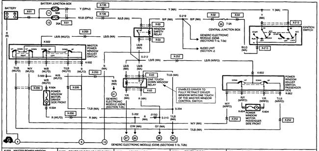
I added the wiring schematics for your power windows and washer pump. It looks like the common components between those two are fuse 11 in the battery junction box and ground 4. Ground 4 is shown in the image of the truck. Grounds are always a good place to start. There should be almost no power at a ground. Using a voltmeter can determine that but what you are looking for first is the general condition on the ground.

This article will teach you how to use a voltmeter, if you don't already know how to use one.
https://www.2carpros.com/articles/how-to-use-a-voltmeter

Best of luck!
Was this
answer
helpful?
Yes
No
Tuesday, March 5th, 2019 AT 3:41 PM

Please login or register to post a reply.