Tuesday, December 31st, 2019 AT 7:56 AM
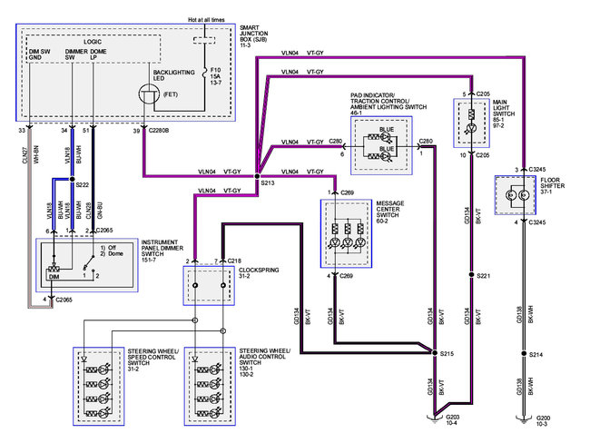
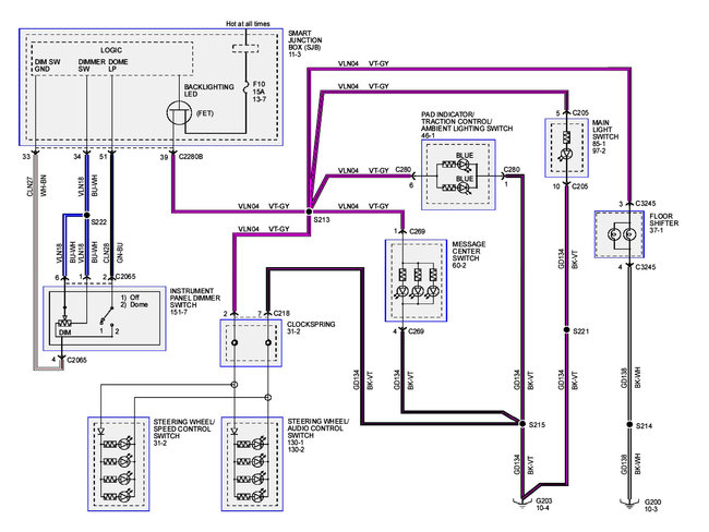
The interior backlighting isn't working. The headlight switch, cruise control switches on the steering wheel, gear select at the center console, and row of switches below the heater controls all are not illuminating. I checked fuse #10 in the inside fuse panel and it was blown, replaced it with no change and the fuse is still good.



