Gear position sensor

Tiny
JOR23N
  • MEMBER
  • 2006 CHRYSLER 300
  • 5.7L
  • V8
  • 2WD
  • AUTOMATIC
  • 201,239 MILES
Where does the gear position sensor go?
Sunday, November 29th, 2020 AT 12:38 PM

1 Reply

Tiny
ASEMASTER6371
  • MECHANIC
  • 52,796 POSTS
Good afternoon,

The switch is part of the shifter itself and cannot be replaced by itself.

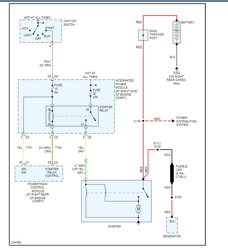
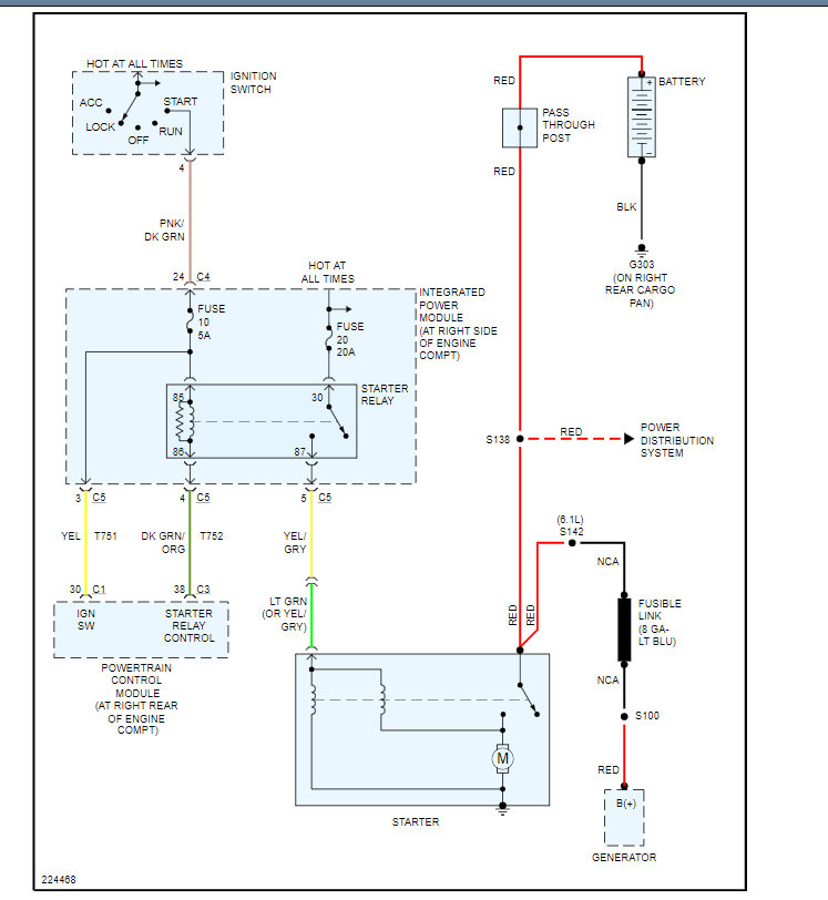
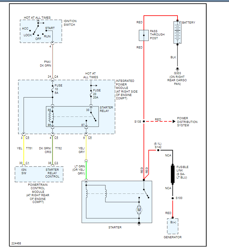
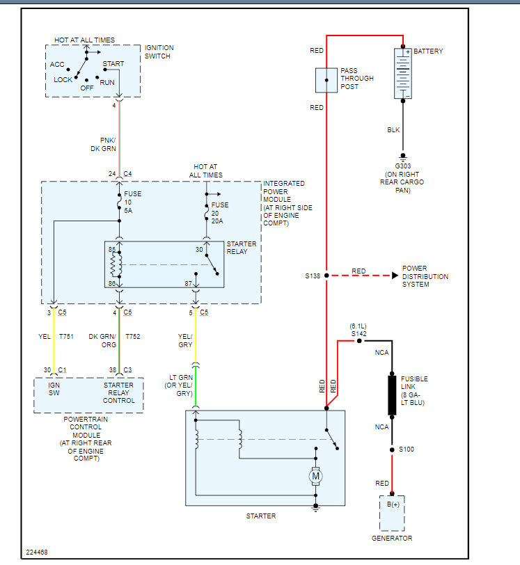
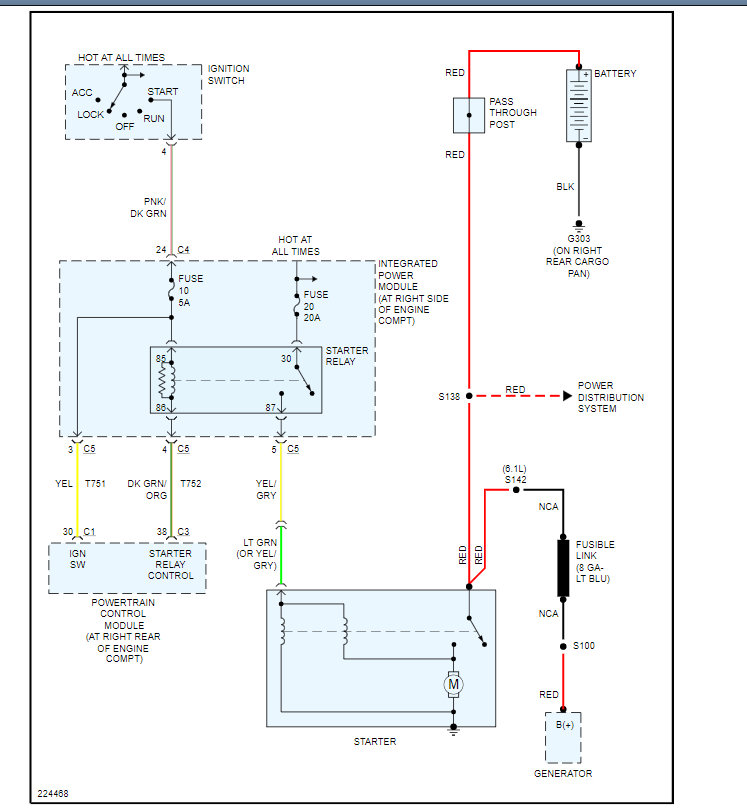
The transmission control module (TCM) determines the current operating conditions of the vehicle and controls the shifting process for shift comfort and driving situations. It receives this operating data from sensors and broadcast messages from other modules.

The TCM uses inputs from several sensors that are directly hardwired to the controller and it uses several indirect inputs that are used to control shifts. This information is used to actuate the proper solenoids in the valve body to achieve the desired gear.

The shift lever assembly (SLA) has sensors that are monitored by the TCM to calculate shift lever position. The reverse light switch, an integral part of the SLA, controls the reverse light relay control circuit. The Brake/Transmission Shift Interlock (BTSI) solenoid and the park lockout solenoid (also part of the SLA) are controlled by the TCM.

The switch sends a signal to the ECM for park or neutral to enabling starting.

https://www.2carpros.com/articles/how-to-check-wiring

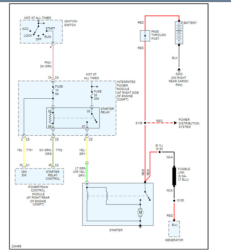
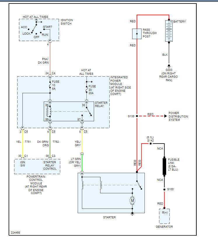
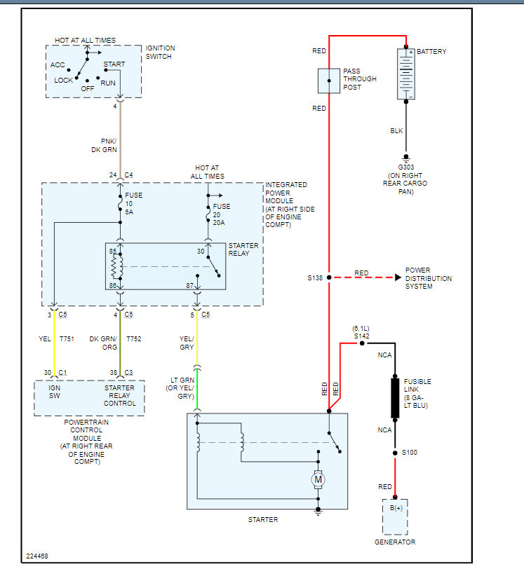
I attached a wiring diagram and the procedure for the shifter.

Roy

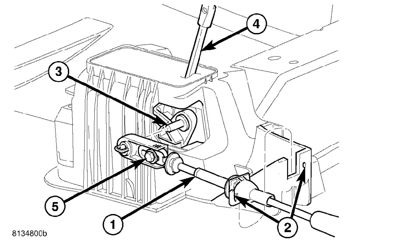
REMOVAL

imageOpen In New TabZoom/Print

1. Remove any necessary console parts for access to shift lever assembly and shifter cables.
2. If necessary, remove the bolts holding the shield, covering the gearshift and park lock cables, to the floorpan and remove the shield.
3. Shift transmission into PARK.
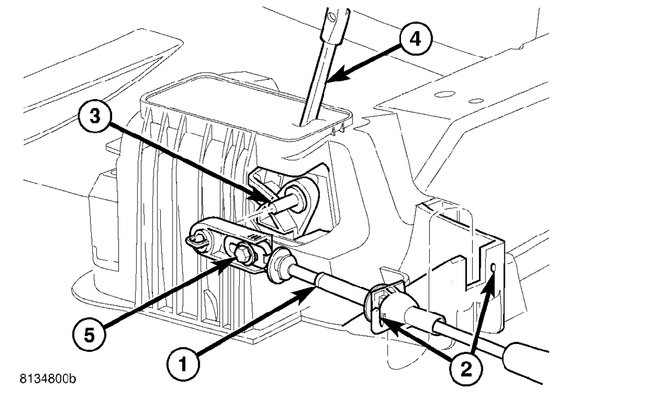
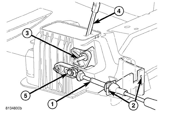
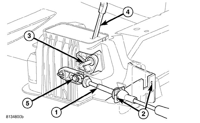
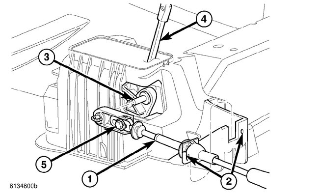
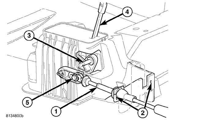
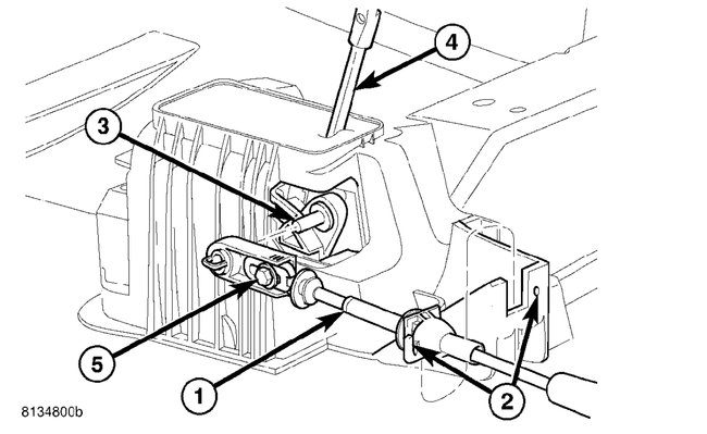
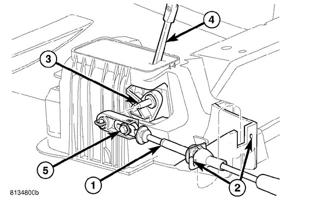
4. Disconnect the transmission shift cable (1) at shift lever (3) and shifter assembly bracket (2).
5. Remove the shift cable retainer (2) from the notch in the shifter assembly (2).

imageOpen In New TabZoom/Print

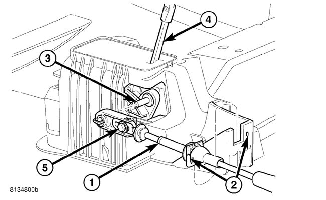
6. Verify the key is in the LOCK position and disconnect the park lock cable (1) from the shifter mechanism cam (3) and the notch in the shifter assembly (3).

imageOpen In New TabZoom/Print

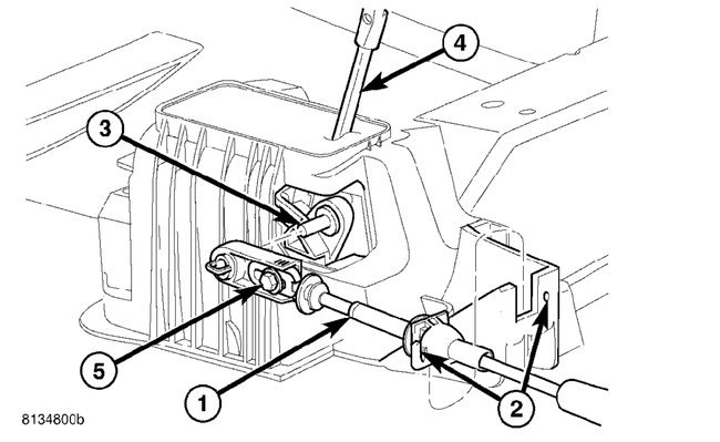
7. Disengage all wiring connectors (2) from the shifter assembly (1).

imageOpen In New TabZoom/Print

8. Remove all nuts (2) holding the shifter assembly (1) to the floor pan.
9. Remove the shifter assembly (1) from the vehicle.
Was this
answer
helpful?
Yes
No
Sunday, November 29th, 2020 AT 2:03 PM

Please login or register to post a reply.