Monday, November 16th, 2020 AT 10:48 AM
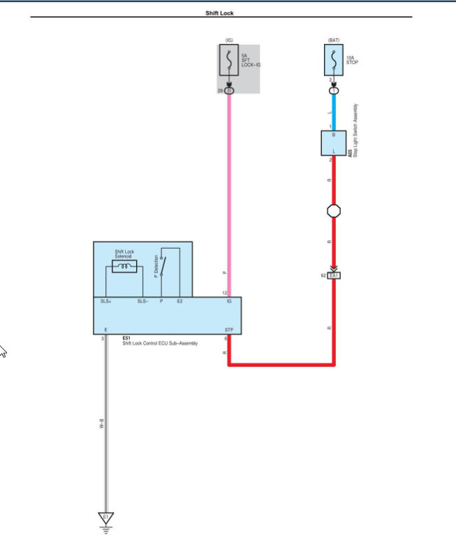
Hi, I noticed the car could not go out from Park, unless you press down the release button. It normally uses a smart key and a push button to start the car when you press down the brakes. At one point, I press down the brakes it does not leave the P position. What should I do? I have controlled all fuses in the engine compartment is all good.






