Transmission shifter stuck in drive

2008 HYUNDAI SANTA FE
100,000 MILES • 2.7L • 6 CYL • 4WD • AUTOMATIC
Avatar
ERROL QUALLIS
  • MEMBER
  • 1 POST
Gear stuck in drive, and can start in drive only.
Nov 24, 2020 at 1:00 PM
Repair Safety Notice: This information is for general instructional purposes only. Vehicle repair can be dangerous. Verify all information, follow manufacturer service procedures, use proper tools and safety equipment, and consult a qualified repair shop when needed.
Advertisement
Avatar
JACOBANDNICKOLAS
  • AUTOMOTIVE REPAIR CONTRIBUTOR
  • 110,190 POSTS
Hi,

It starts in drive? Have you checked the linkage between the shifter in the vehicle and the transmission? It sounds like something has come apart.

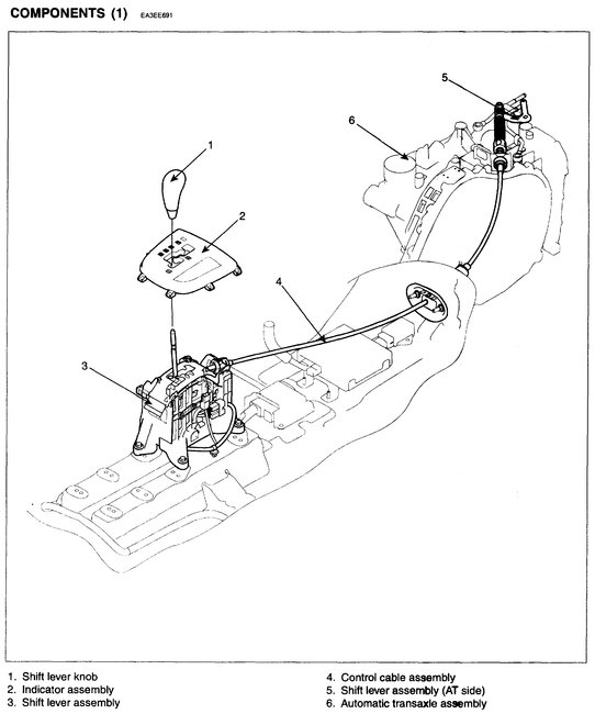
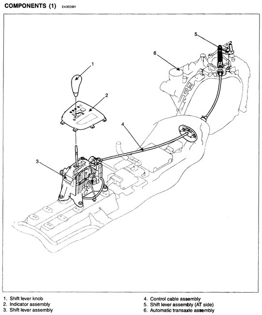
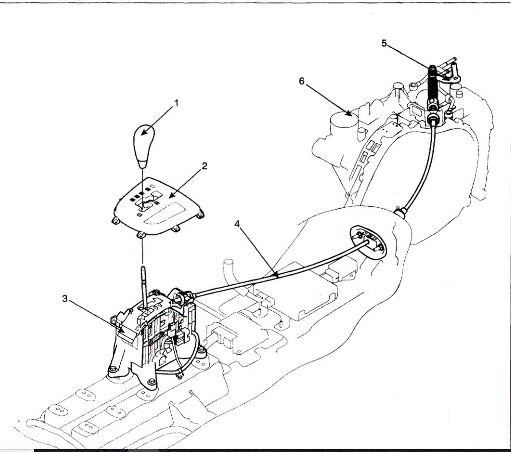
If you look at pic 1, it shows the cable. I suspect it has broken or come disconnected. What I suggest is to have a helper shift through the gears while you check to see if the linkage is moving.

If it isn't, here are the directions for replacing the cable. The attached pics correlate with the directions.

_________________________________________

2008 Hyundai Truck Santa Fe AWD V6-2.7L
Shift Lever
Vehicle Transmission and Drivetrain Automatic Transmission/Transaxle Shifter A/T Service and Repair Removal and Replacement Shift Lever
SHIFT LEVER
SHIFT LEVER

COMPONENTS (1)

pic 2

COMPONENTS (2)

pic 3


REMOVAL
1. Remove the shift lever knob (A).


pic 4


2. Remove the center console cover (A).


pic 5


3. Remove the center console by removing the two screws (A) and the four bolts (B).


pic 6


4. Disconnect the interlock switch connector (A).


pic 7


5. Remove the control cable assembly (C) by removing the snap pin (A) and the clip (B).


pic 8


6. Remove the shift lever bolts (A-4ea).


pic 9


7. Remove the shift lever assembly.

INSPECTION
Adjusting method for the control cable

1. Set room side lever and T/M side lever (A) to "N" position.
2. Connect the room side lever and shift cable.
3. Connect the T/M side lever (A) to cable (B) in this following order.
1. Push the cable (B) lightly to "F" direction shown to eliminate FREE PLAY of the cable (B).
2. Tighten the adjusting nut (C).


pic 10


4. After adjusting the cable (B) according to (2)-(4), check to be sure that this part operates surely at each range of T/M side corresponding to each position of room lever.

INSTALLATION
1. Install the shift lever bolts (A-4ea).


pic 11


2. Install the control cable assembly (C) by inserting the snap pin (A) and the clip (B).


pic 12


3. Connect the interlock switch connector (A).


pic 13


4. Install the center console by installing the two screws (A) and the four bolts (B).


pic 14


5. Install the center console cover (A).


pic 15


6. Install the shift lever knob (A).




_____________________________________________________

Let me know if that helps or if you have other questions.

Take care,

Joe
Nov 24, 2020 at 6:15 PM
Advertisement