How to update the GPS to work in Egypt?

Tiny
AHMED MOHSEN
  • MEMBER
  • 1989 HYUNDAI ELANTRA
  • 4 CYL
  • 2WD
  • AUTOMATIC
  • 70,000 MILES
I imported a Hyundai Avante AD model 2018 car from Korea to Egypt, and the GPS device in the car does not work in Egypt, and I tried to update from the Hyundai website for Middle Eastern countries and it did not work on the car. Please help me to solve this problem.
Thursday, May 12th, 2022 AT 4:17 AM

1 Reply

Tiny
KASEKENNY
  • MECHANIC
  • 18,907 POSTS
More than likely this is going to be an issue that a local dealer in Egypt will have to address.

The way this works is the GPS will communicate with the satellite that is directly overhead.

I suspect the issue is the satellite that is over Egypt is not able to communicate with this radio due to security reasons. When you are moving a vehicle between countries most vehicles require you to change country codes and other items in the modules, so I suspect this is part of the issue.

When you turn the GPS on, what does it say? Does the radio try to connect with the satellite but just does not do it or does it give a message?

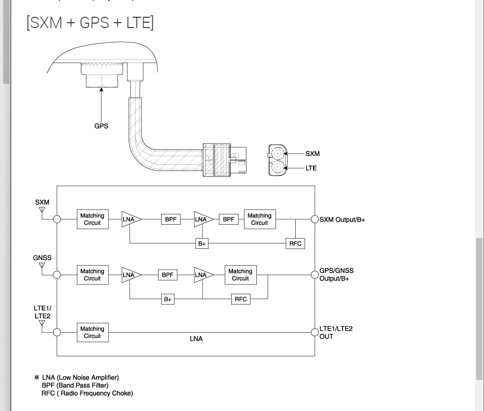
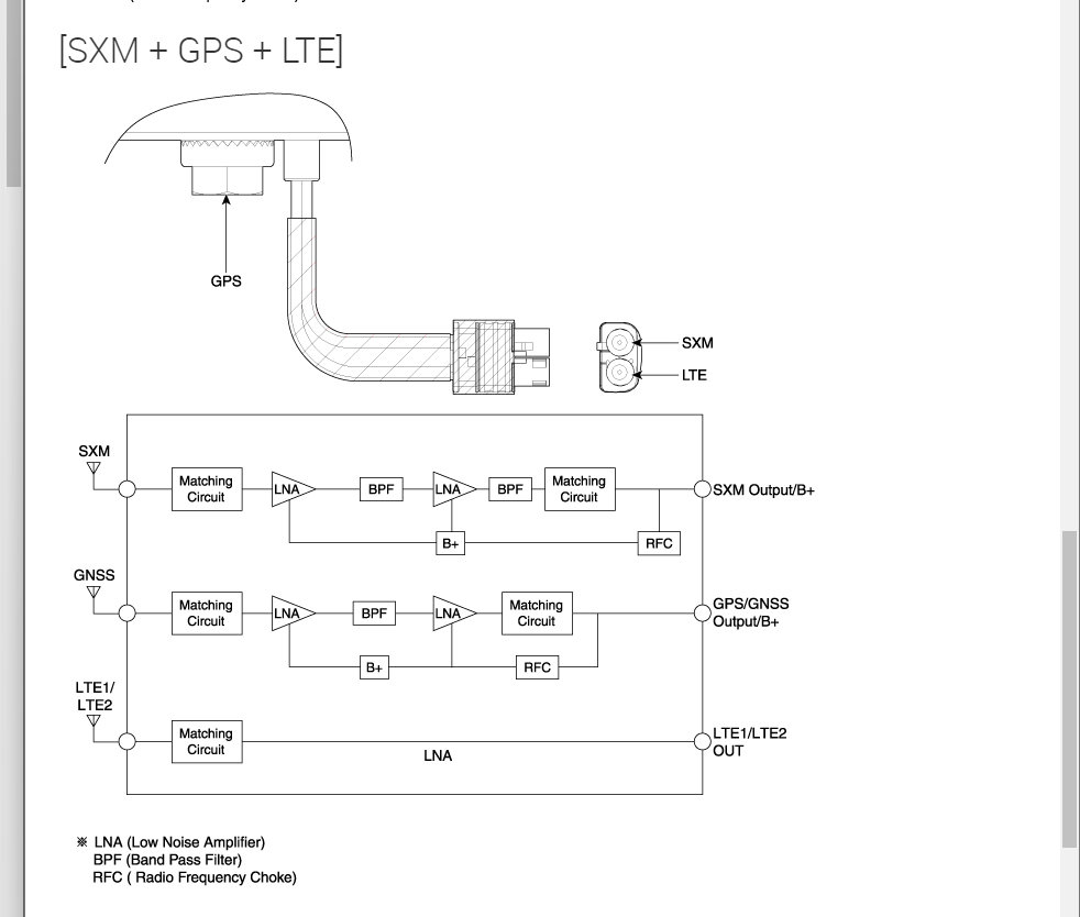
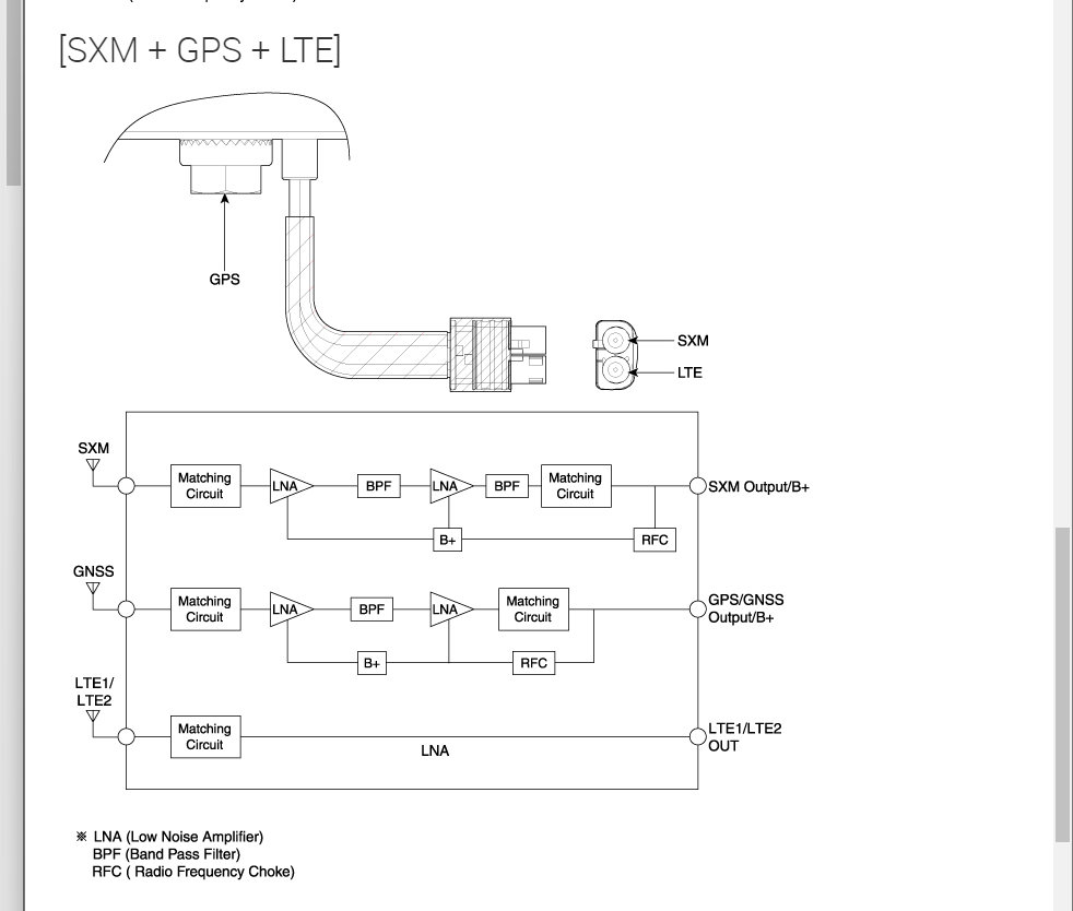
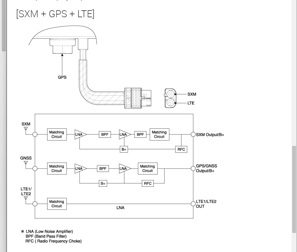
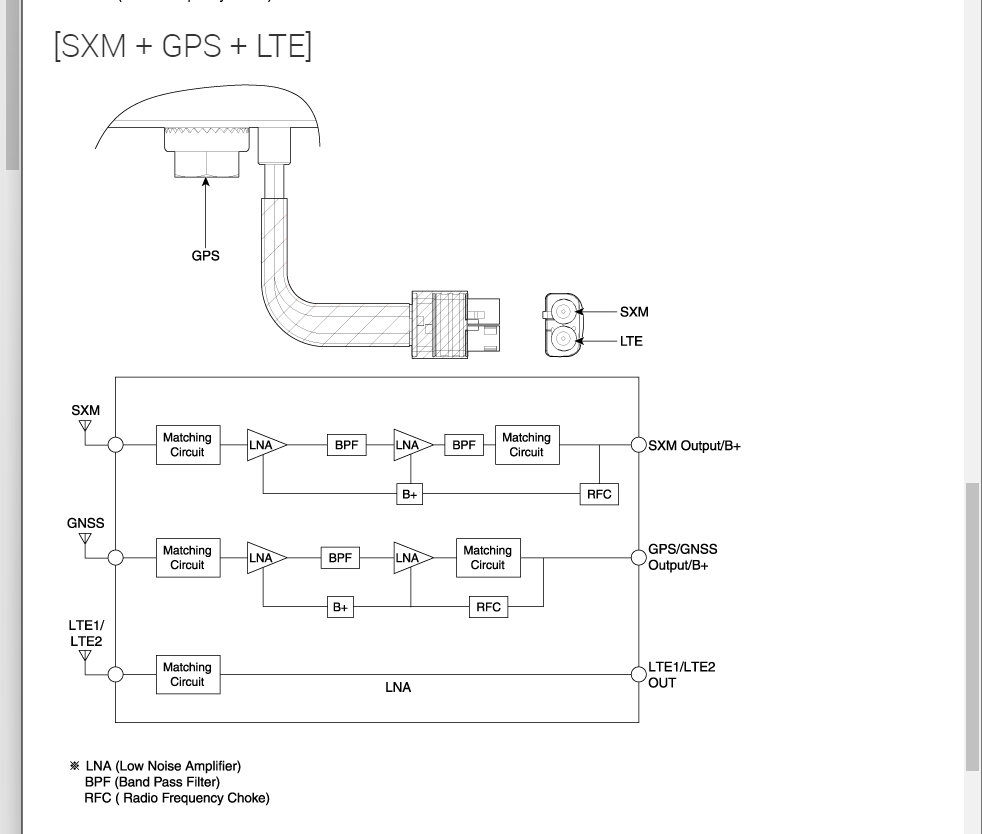
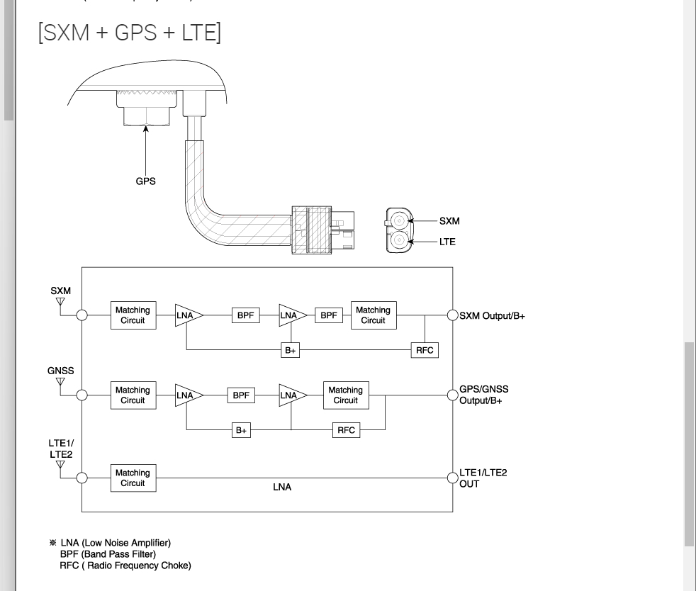
Please see the attached below and let me know what style antenna you have on the top of the vehicle. This will help with confirming that this is the issue.

Lastly, I would suggest calling Hyundai and asking them if they are able to change the codes on their end or if they have a work around for this.

However, I suspect this is as simple as the vehicle cannot communicate with the satellites that are there in Egypt so I am not sure there is anything that we can do, and the solution will come from the dealer.
Was this
answer
helpful?
Yes
No
Thursday, May 12th, 2022 AT 4:48 PM

Please login or register to post a reply.