Gauges stop working while driving?

Tiny
MARTINDWAYNEWILLIAMS
  • MEMBER
  • 2004 FORD F-150
  • 5.4L
  • V8
  • 4WD
  • AUTOMATIC
  • 200,000 MILES
While driving the gauges stop working and when they come back on. I hear like a grinding noise.
Friday, January 13th, 2023 AT 6:28 AM

1 Reply

Tiny
JACOBANDNICKOLAS
  • MECHANIC
  • 110,192 POSTS
Hi,

Are all mechanical gauges inoperative when this happens? I ask because there are different things that can cause it based on what stops working.

If everything stops and then restarts, start the vehicle and wiggle the connector at the rear of the cluster. Something may simply be loose. See if the gauges drop when you do this.

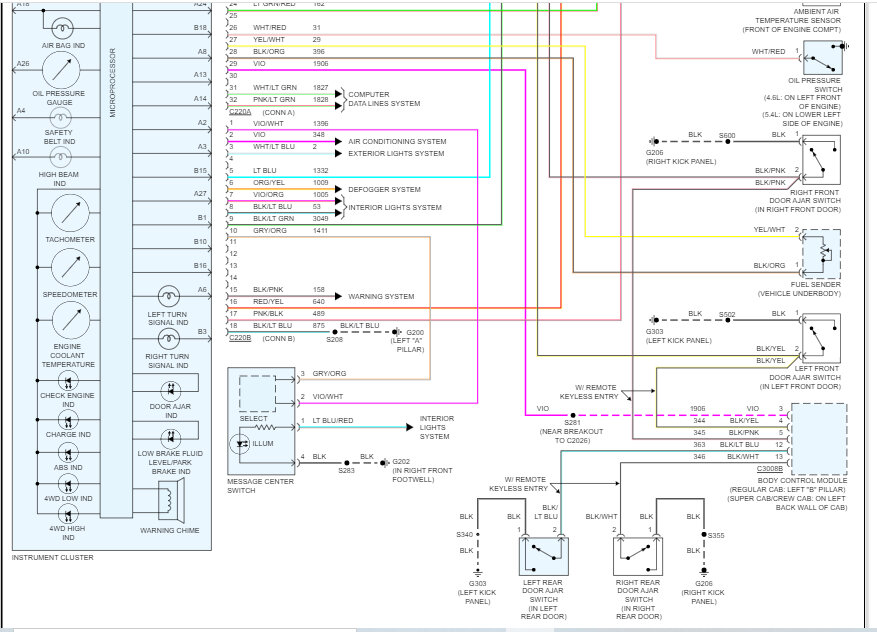
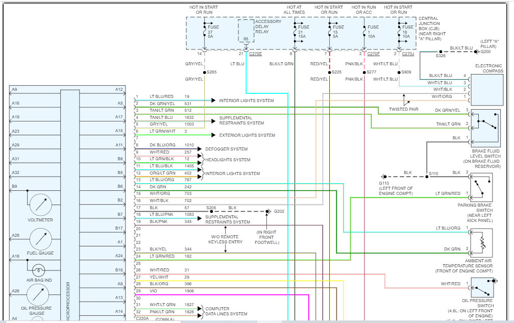
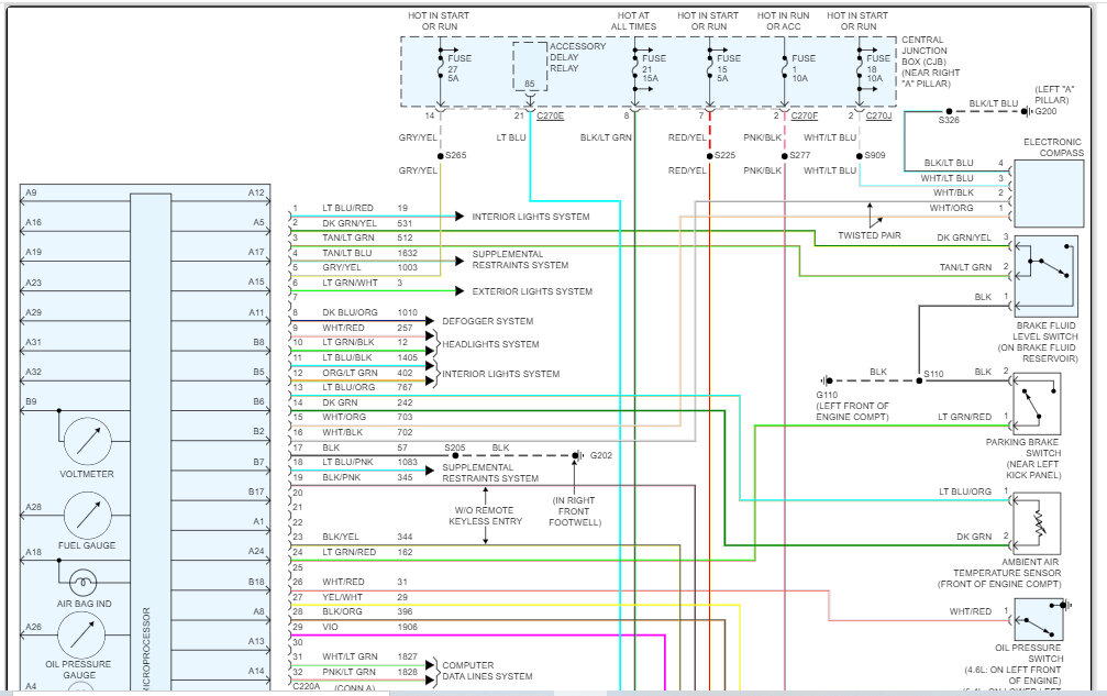
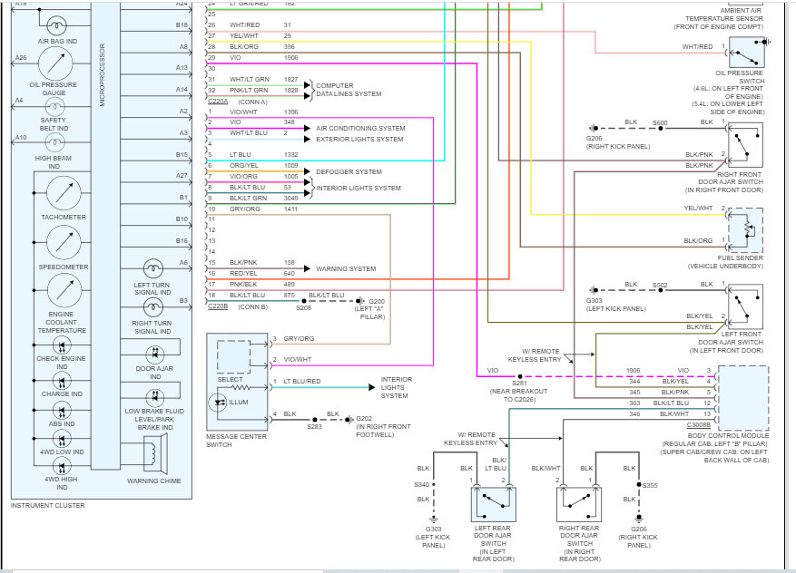
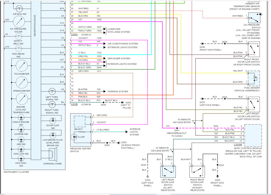
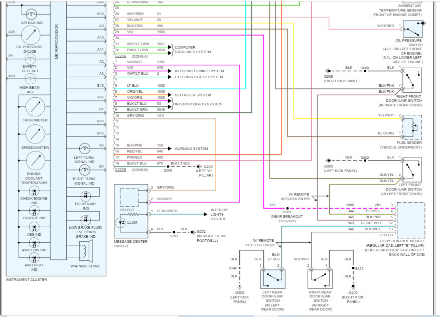
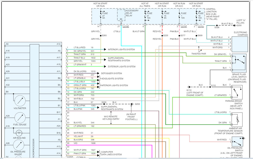
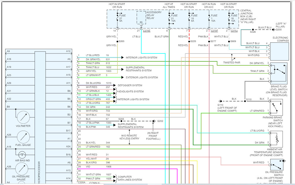
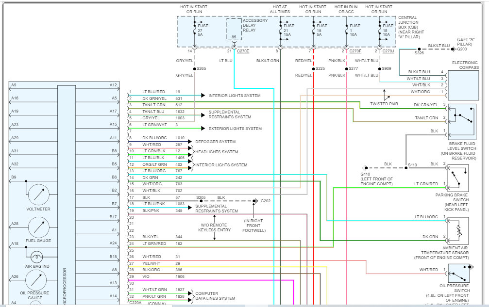
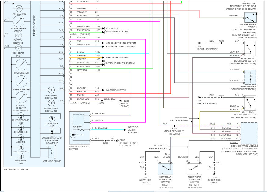
I attached the wiring schematic below which includes the gauge wiring. Note that everything is electronic. With that in mind, is it possible for you to record the sound you hear when this happens? Does the sound seem to come from the cluster?

Let me know.

Joe

See pics below.
Was this
answer
helpful?
Yes
No
Friday, January 13th, 2023 AT 9:22 PM

Please login or register to post a reply.