Gauges speedometer do not work

Tiny
DANDYDON
  • MEMBER
  • 1998 PLYMOUTH VOYAGER
  • 98,000 MILES
Replaced dash panel still no work.
Friday, July 6th, 2018 AT 9:05 AM

1 Reply

Tiny
ASEMASTER6371
  • MECHANIC
  • 52,796 POSTS
Good morning.

Is the check engine light on?

Do you have a scan tool to see if the vehicle speed sensor is sending a signal to the PCM?

What specifically does not work?

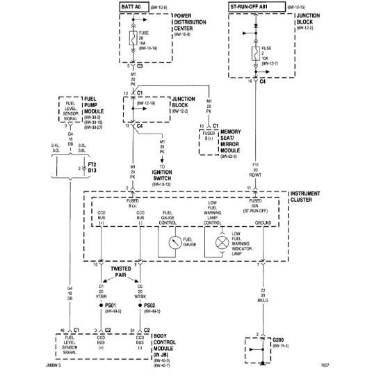
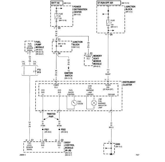
I attached a wire diagram. If you have a test light or voltmeter, check the fuses for power on both sides.

Roy
Was this
answer
helpful?
Yes
No
Friday, July 6th, 2018 AT 9:23 AM

Please login or register to post a reply.