The fuel gauge is not working after replacing the fuel pump and steering column?

Tiny
ANGI ALLARD
  • MEMBER
  • 1993 CHEVROLET SILVERADO
  • 5.7L
  • V8
  • 2WD
  • AUTOMATIC
  • 300,000 MILES
Changed fuel pump and steering column and now fuel gauge not working.
Saturday, June 3rd, 2023 AT 7:38 PM

1 Reply

Tiny
KEN L
  • MASTER CERTIFIED MECHANIC
  • 55,322 POSTS
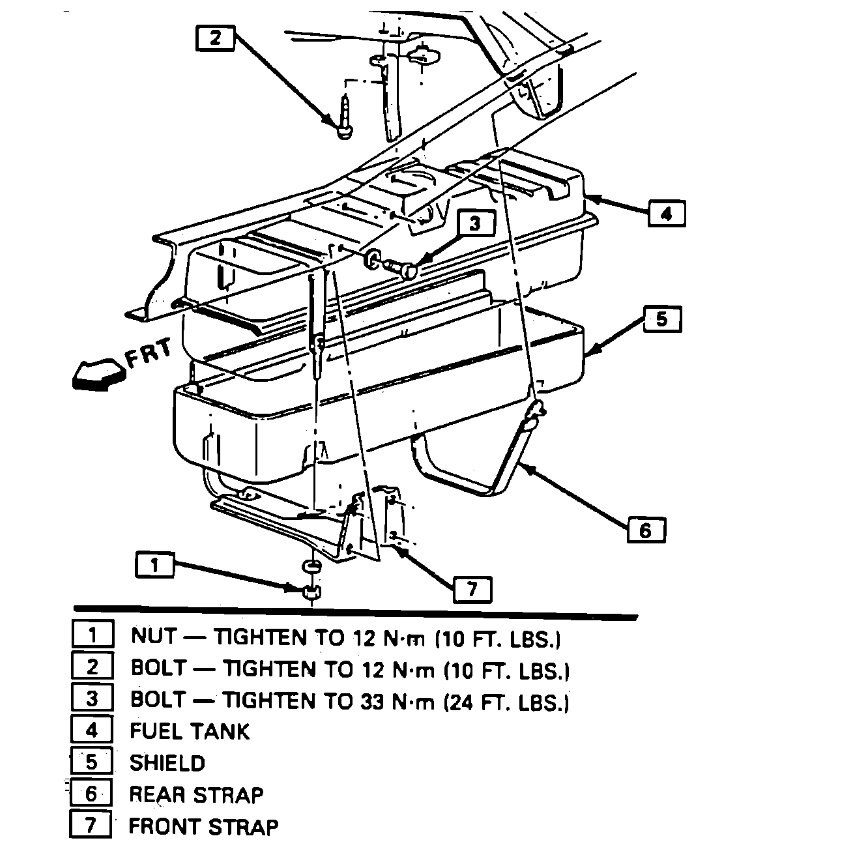
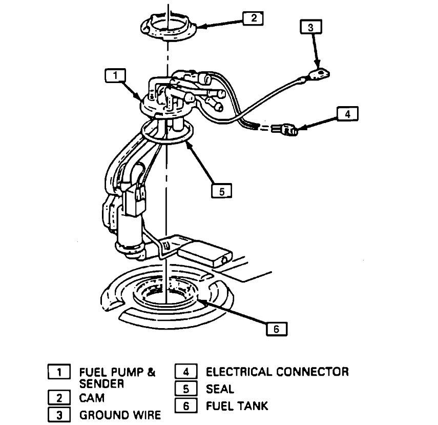
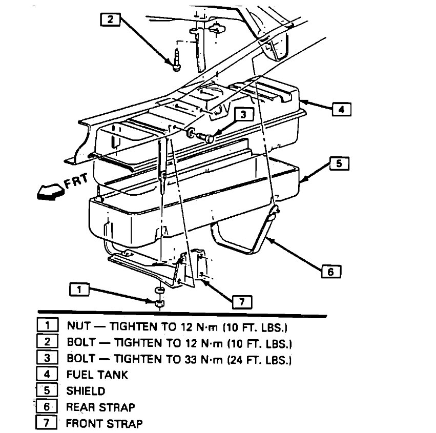
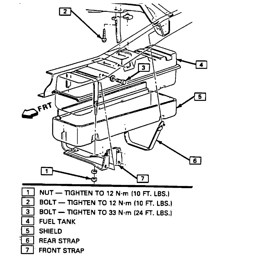
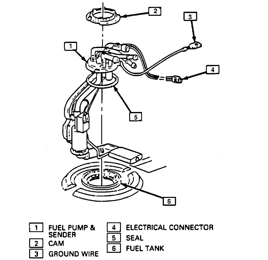
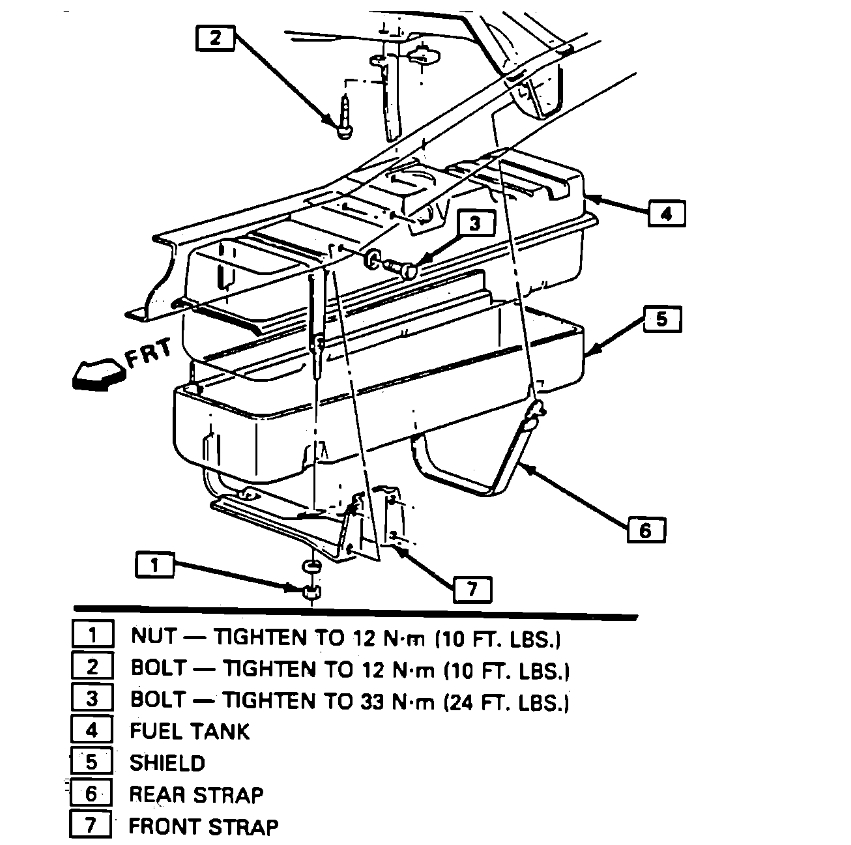
Changing the fuel pump is probably the problem, the gauge float mechanism is attached to the fuel pump and if the wires are not connected correctly the fuel gauge will not work. Here are instructions on how to do the job correctly in case you need them. Check out the images (below). Let us know what happens and please upload pictures or videos of the problem so we can see what's going on.
Was this
answer
helpful?
Yes
No
Monday, June 5th, 2023 AT 9:59 AM

Please login or register to post a reply.