Gauges not working

Tiny
OJ ZAYAS
  • MEMBER
  • 1997 PLYMOUTH BREEZE
  • 2.0L
  • 4 CYL
  • 2WD
  • MANUAL
  • 123,000 MILES
No gas, mileage, tachometer, speedometer.
Monday, September 14th, 2020 AT 5:21 PM

1 Reply

Tiny
4DRTOM
  • MECHANIC
  • 467 POSTS
Hello,

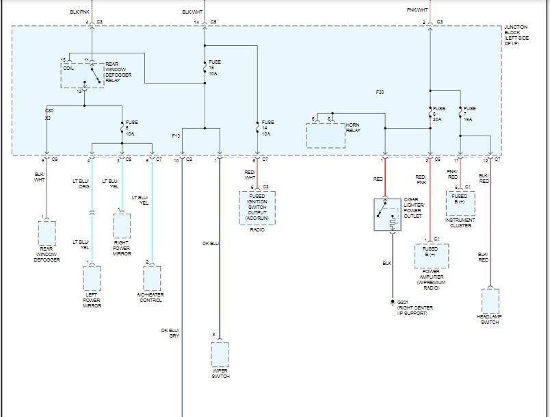
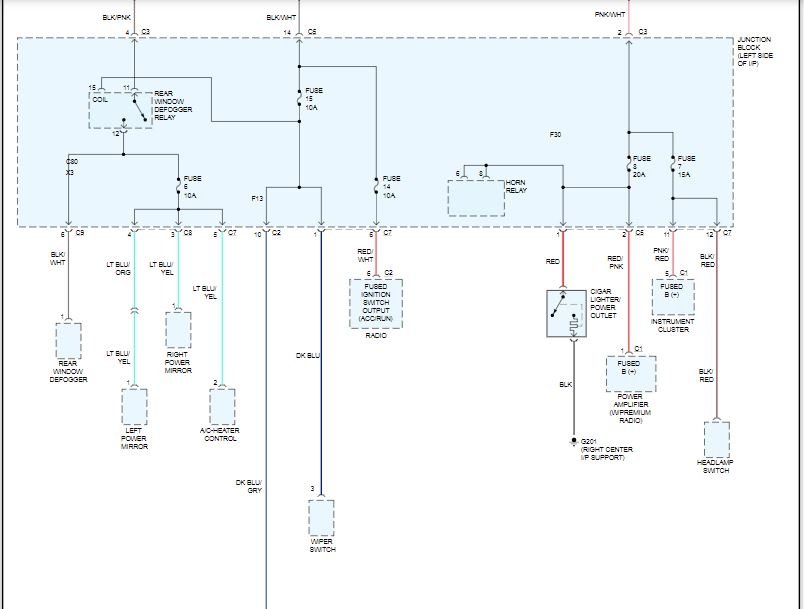
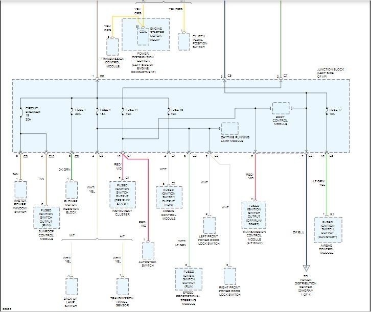
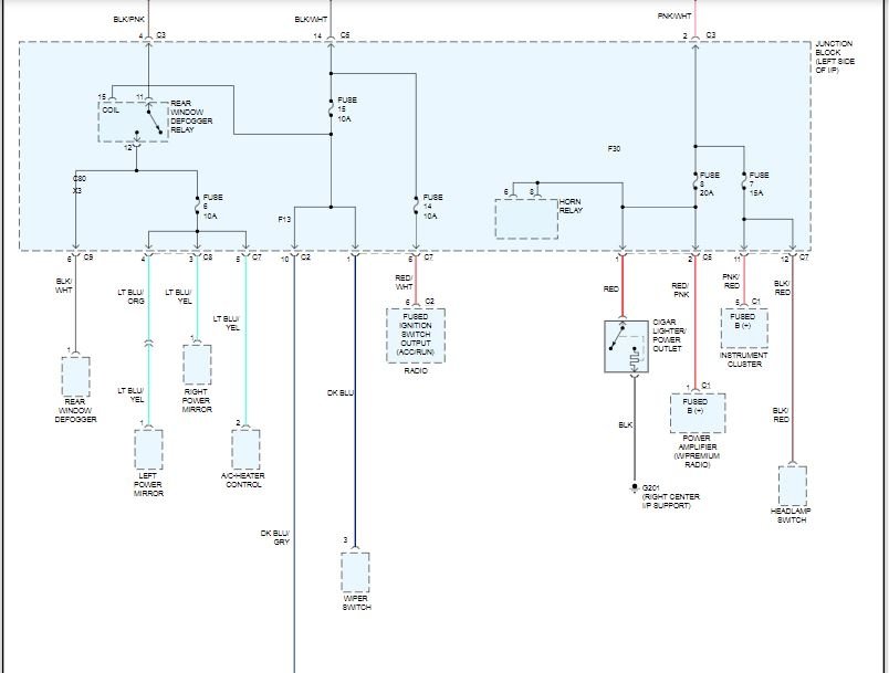
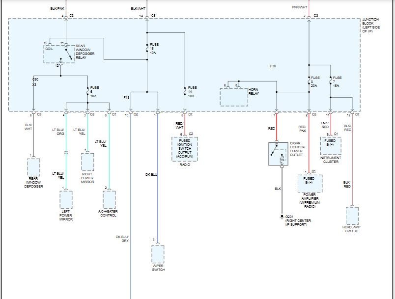
These gauges are run by a module that could be bad also a ground connection could be the issue. I attached a diagram to locate the all the grounds in the car and the fuse information for you to check out.
Here is an article about odometers for you review:

https://www.2carpros.com/articles/how-an-odometer-works

Let us know how you do.
Tom

Was this
answer
helpful?
Yes
No
-1
Monday, September 14th, 2020 AT 8:40 PM

Please login or register to post a reply.