Sunday, May 1st, 2022 AT 1:16 PM
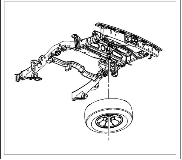
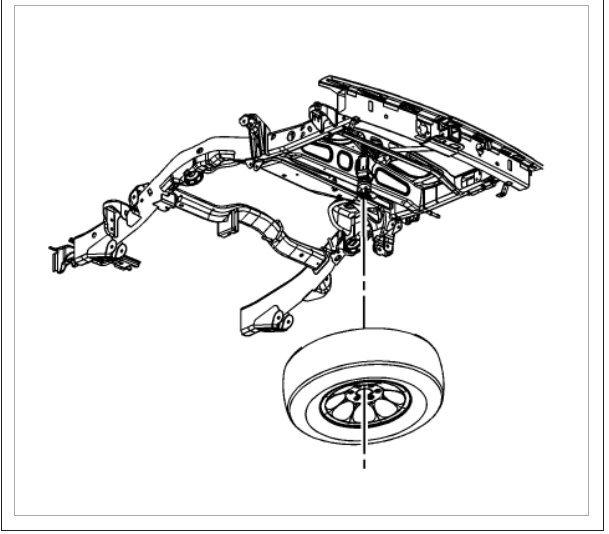
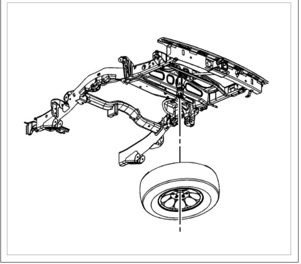
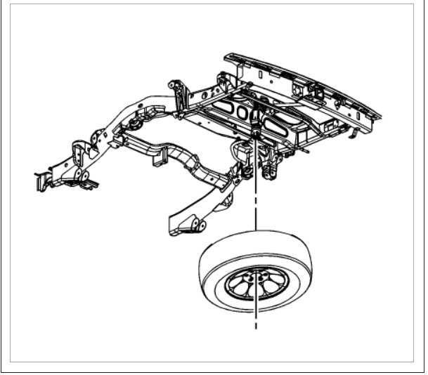
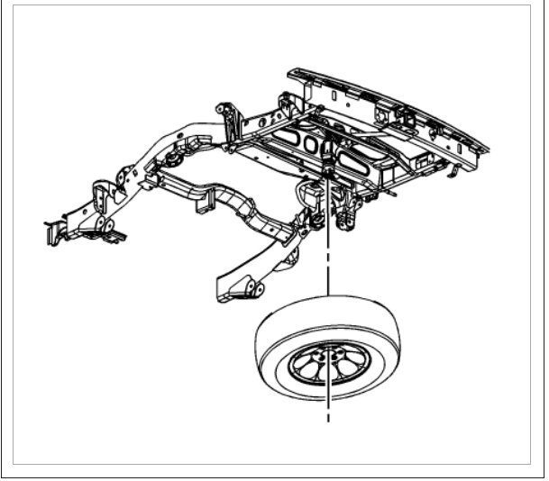
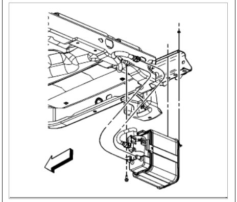
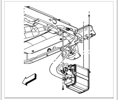
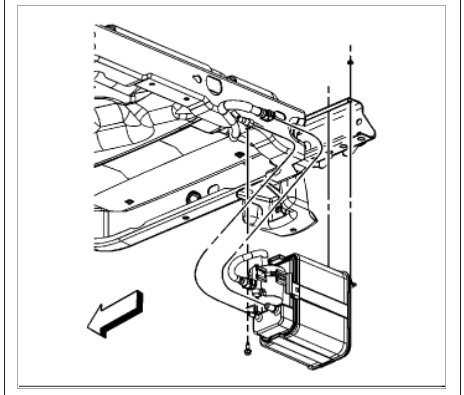
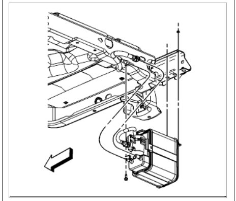
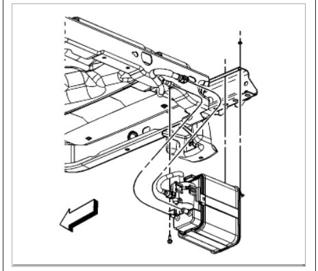
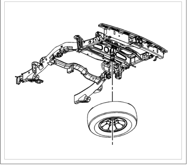
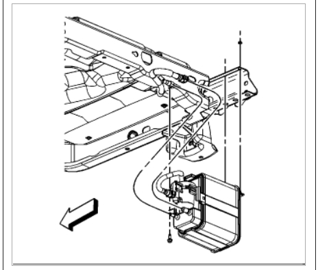
The vehicle listed above is a FlexFuel model. I had my fuel pump and filter changed last week. I filled up the tank and could smell some gas near the back end of the truck, assumed it was some spilled gas from replacement. Twice, while driving, I got a warning to tighten the gas cap. Stopped both times and made sure gas cap was tight. I filled back up today and drove about 8-10 miles from the gas station to pick up my kids and the gas smell was very bad near rear of vehicle. I tightened the gas cap warning again, so I stopped and bought a new gas cap. Got home and truck has sat about an hour and gas smell is still there. It’s much less when truck is shut off, but I can only smell it near the back of the truck. Not inside anywhere else around the truck.













