Tuesday, September 3rd, 2019 AT 1:40 AM
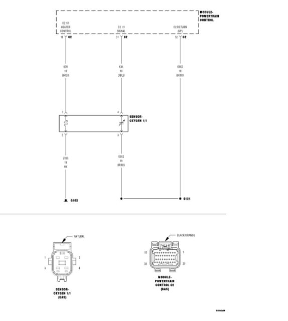
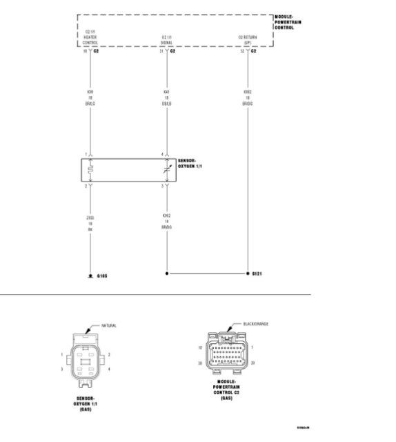
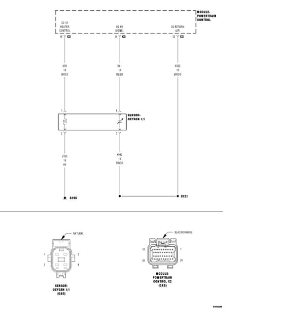
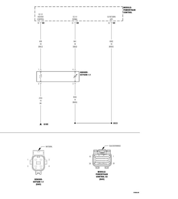
Hi, my vehicle smells like gas in traffic when the car slows down. There is check engine light showing error code P0032. There are no visible leaks no major drop in fuel level.














