HOME
ASK A QUESTION
REPAIR GUIDES
BECOME A MEMBER
LOG IN
Login with Facebook
OR
Remember me
NOT A MEMBER?
FORGOT PASSWORD?
CONTACT US
PRIVACY POLICY
TERMS AND CONDITIONS
☰
Home
Toyota
Yaris
Fuel System
Fuel Pump
No power to fuel pump
SAUL PULIDO
MEMBER
2009 TOYOTA YARIS
4 CYL
2WD
AUTOMATIC
110,000 MILES
Electric gas pump, no power.
Tuesday, June 4th, 2019 AT 2:31 PM
3 Replies
ASEMASTER6371
MECHANIC
52,796 POSTS
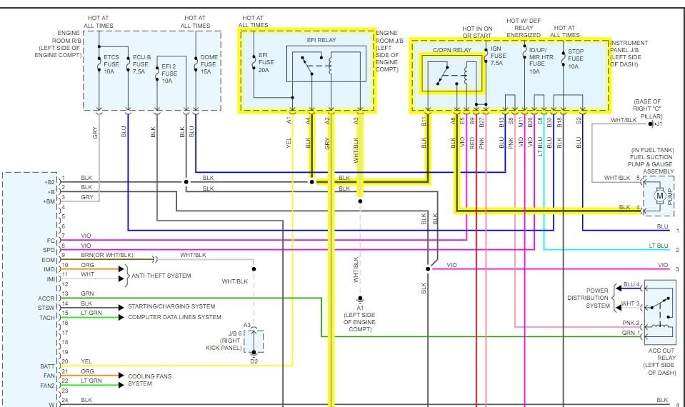
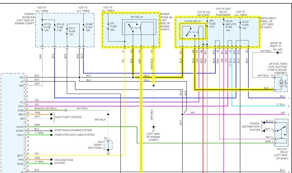
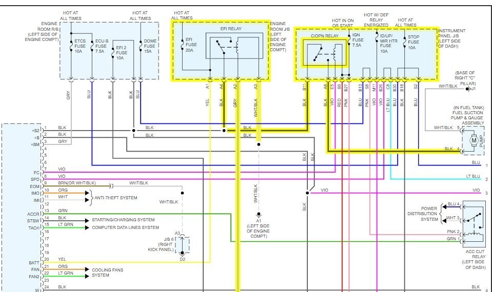
Good afternoon,
I attached a wiring diagram for you to view.
Check both fuses listed for power on both sides.
Do you have a voltmeter or test light to do some checks for power at the fuel pump?
Roy
Images (Click to make bigger)
Was this
answer
helpful?
Yes
No
Tuesday, June 4th, 2019 AT 2:47 PM
SAUL PULIDO
MEMBER
1 POST
All the fuses are good. I need to know where the power relay is located.
Was this
answer
helpful?
Yes
No
Tuesday, June 4th, 2019 AT 4:54 PM
ASEMASTER6371
MECHANIC
52,796 POSTS
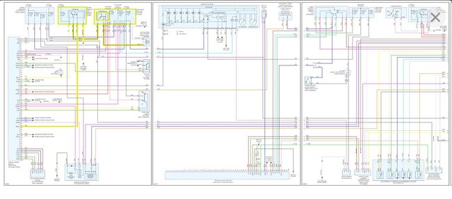
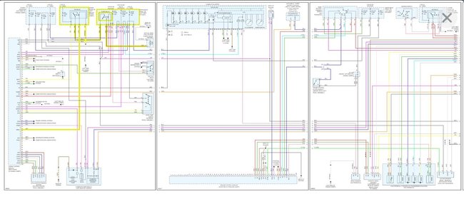
Location for you.
Roy
Image (Click to make bigger)
Was this
answer
helpful?
Yes
No
+1
Tuesday, June 4th, 2019 AT 5:00 PM
Please
login
or
register
to post a reply.
Related Fuel System Fuel Pump Content
2007 Toyota Yaris Fuel Leakage
Dear Sir, I Am Working In Gcc Country, While Driving The Car On Heat Conditions (under Sunlight) And Parking The Car On Sunlight Fuel...
Asked by
teny
·
3 ANSWERS
2007
TOYOTA YARIS
VIDEO
Fuel Pump Replacement Toyota
Instructional repair video
GUIDE
Fuel Pump
Fuel Pump Features
2007 Toyota Yaris Fuel Leakage
Dear Sir, Greetings. I Am Facing Problem With My Toyota Yaris, When I Park Car On Sunlight (hot Condition) & Running The Car On Hot...
Asked by
tenytom
·
3 ANSWERS
2007
TOYOTA YARIS
How To Clean Fuel Injectors
How To Clean Fuel Injectors
Asked by
jamal
·
1 ANSWER
2003
TOYOTA YARIS
2015 Toyota Yaris Query
I Want To Know The Fuel Sender Wire In The Toyota Yarris. I Found Two Small Wires. Black And Gray. And Two Thick Wires. Red And White/black...
Asked by
fatupura
·
1 ANSWER
1 IMAGE
2015
TOYOTA YARIS
2015 Toyota Yaris Fuel
My Car Was 3/4 Of A Tank Full With Gas I Topped It Off By Mistake With Diesel. I Drove The Car For 10 Miles When I Realized I Put In The...
Asked by
Cwb927
·
1 ANSWER
2015
TOYOTA YARIS
VIEW MORE
Ask a Car Question. It's Free!
Fuel Pump Replacement Chevrolet Silverado
Fuel Pump Replacement Toyota
Fuel Pump Replacement Ford