Gas gauge not working properly?

Tiny
JERRYSIDDOCK
  • MEMBER
  • 2003 CHRYSLER PT CRUISER
  • 2.4L
  • 4 CYL
  • 2WD
  • AUTOMATIC
  • 5,700 MILES
When starting the gas gauge goes to full and then goes to empty.
Thursday, October 10th, 2024 AT 8:25 AM

8 Replies

Tiny
KEN L
  • MASTER CERTIFIED MECHANIC
  • 55,350 POSTS
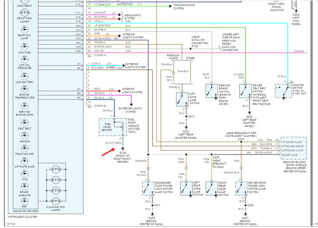
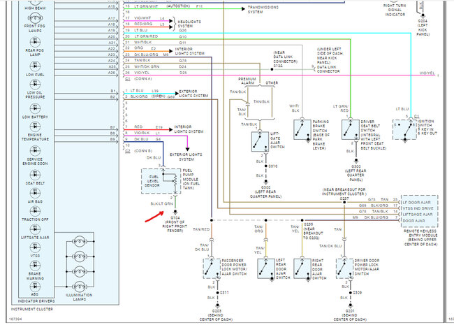
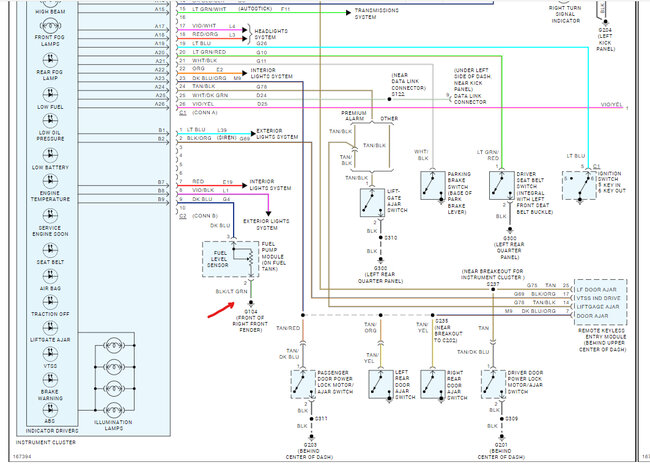
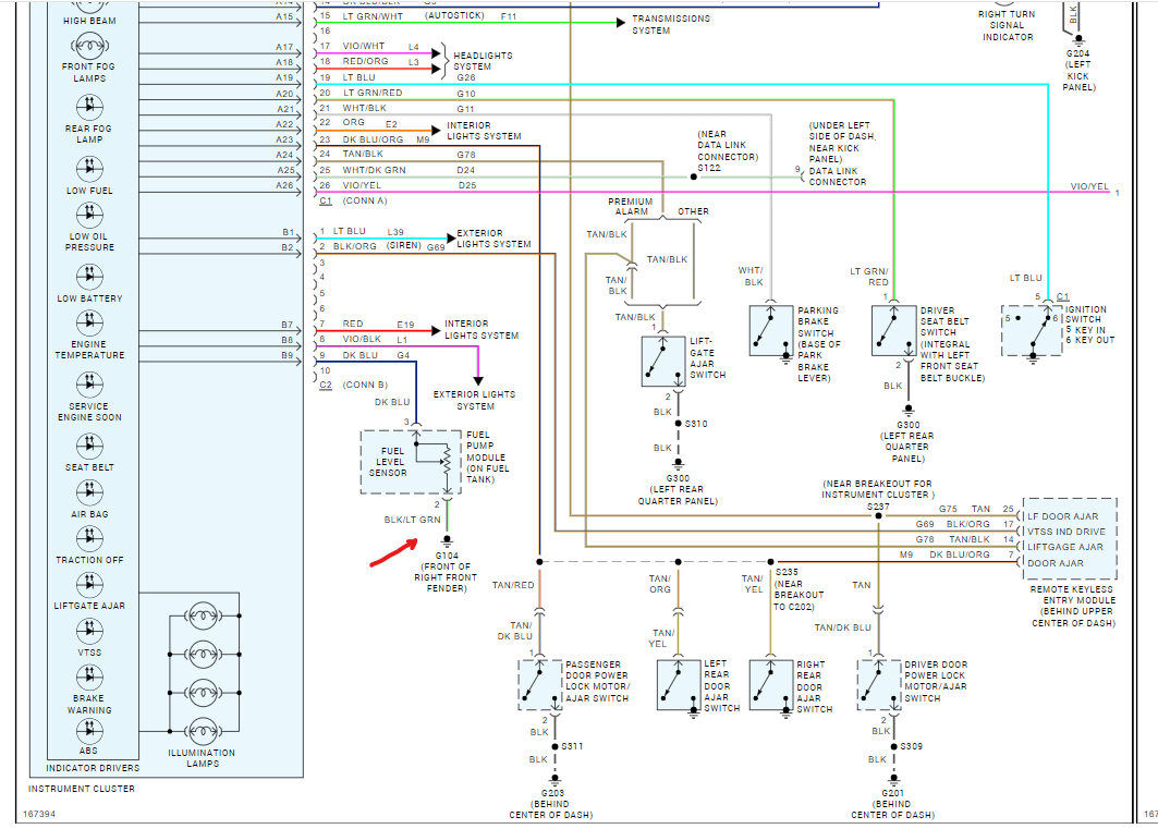
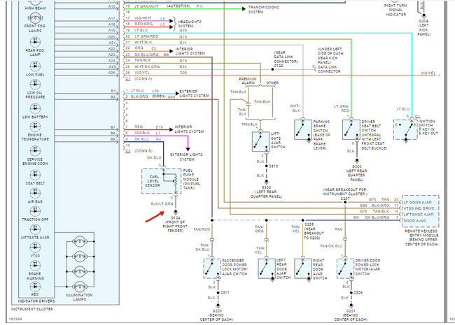
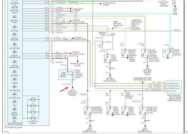
It sounds like you have a bad ground at the right front fender, here is the gas gauge wiring diagrams which shows the ground they I would check. Blk/lt grn wire. Check out the images (below). Let us know how it goes.
Was this
answer
helpful?
Yes
No
+2
Thursday, October 10th, 2024 AT 3:31 PM
Tiny
JERRYSIDDOCK
  • MEMBER
  • 61 POSTS
I took off both multi tab ground connectors, scraped the mating surfaces and put it back together. Still when I turn the key to the run position the needle goes to the top and a couple seconds later it drops off. Does the gauge depend on this ground when the key is first turned to the *Run position?
Was this
answer
helpful?
Yes
No
Friday, October 11th, 2024 AT 2:24 PM
Tiny
JERRYSIDDOCK
  • MEMBER
  • 61 POSTS
Before I get too far afield, the button below the odometer screen goes from the odometer to trip and back to odometer. Does the 03 not have trip A, trip B, temperature, odometer.
Was this
answer
helpful?
Yes
No
Friday, October 11th, 2024 AT 3:15 PM
Tiny
KEN L
  • MASTER CERTIFIED MECHANIC
  • 55,350 POSTS
Okay, this will be a cluster problem or a ground to the cluster, I would check the ground wire by removing the cluster connector and checking the black wire.

This guide can help:

https://www.2carpros.com/articles/how-to-use-a-test-light-circuit-tester

Make sure the cluster wiring is disconnected before the test. Here is how to remove the cluster. If the ground is good the cluster is probably bad and needs to be sent in for repairs or get a used cluster by searching eBay.
Was this
answer
helpful?
Yes
No
+2
Sunday, October 13th, 2024 AT 8:40 AM
Tiny
JERRYSIDDOCK
  • MEMBER
  • 61 POSTS
Found it. A mouse or something had opened up two wires at the molex connector just after the wires make a 90°, (after coming down from the top of the tank), and heads toward the front of the car. There were two other breaks along the way. Thank you for your help.
Was this
answer
helpful?
Yes
No
Sunday, October 20th, 2024 AT 4:18 PM
Tiny
JERRYSIDDOCK
  • MEMBER
  • 61 POSTS
Now I have a P0344 and P0339 codes, Cam Shaft Position sensor A circuit intermittent Bank 1 or single sensor, sensor A circuit intermittent. Where is the sensor circuit located, any idea? (I've already changed the crankshaft position sensor)
Was this
answer
helpful?
Yes
No
Monday, October 21st, 2024 AT 8:51 AM
Tiny
JERRYSIDDOCK
  • MEMBER
  • 61 POSTS
Gg
Was this
answer
helpful?
Yes
No
Monday, October 21st, 2024 AT 8:55 AM
Tiny
KEN L
  • MASTER CERTIFIED MECHANIC
  • 55,350 POSTS
Glad you could get it fixed, thanks for letting us know. Please use 2CarPros anytime we are here to help.

Sorry, we only handle one problem per thread, please post your new question here, you must be logged in.

https://www.2carpros.com/questions/new

Cheers, Ken
Was this
answer
helpful?
Yes
No
+2
Monday, October 21st, 2024 AT 9:53 AM

Please login or register to post a reply.