Thursday, May 18th, 2023 AT 1:14 PM
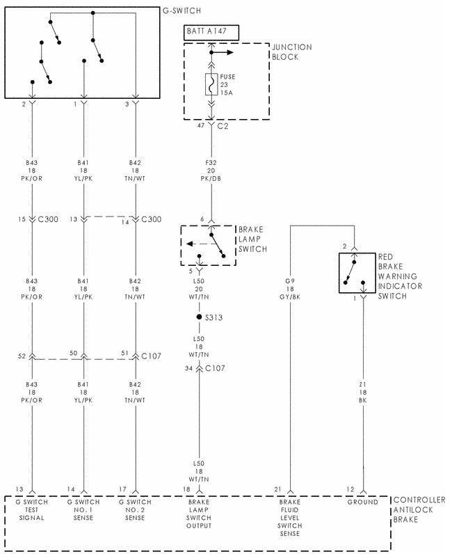
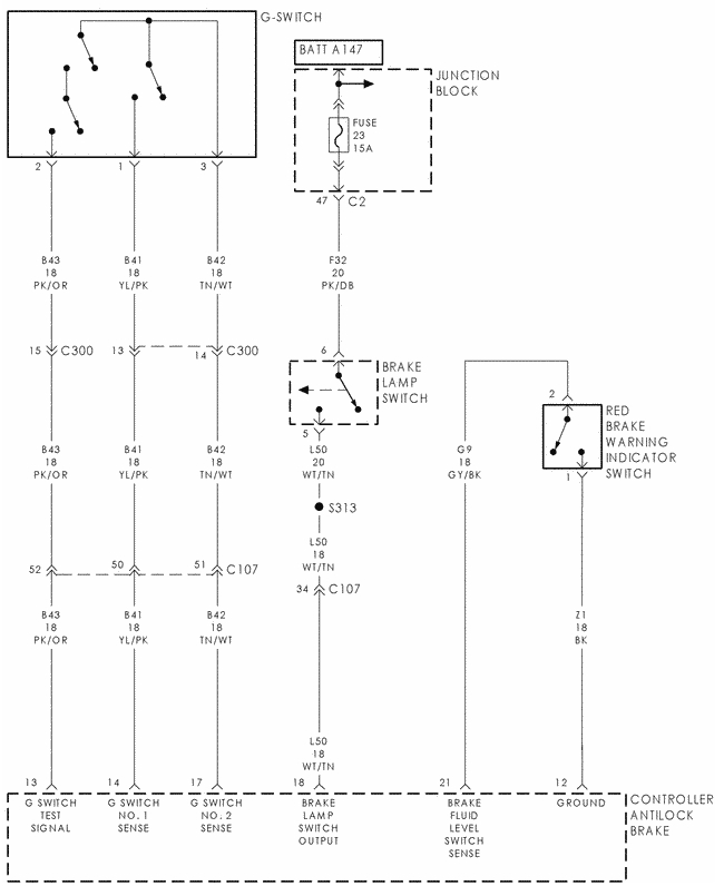
I have 3 codes right front wheel speed/signal malfunction, right rear wheel speed/signal malfunction, and g-switch malfunction. I thought I would start with the g-switch because the person I got it from said they changed both rear wheel bearings. I also know they changed the ABS module with a new one. I don't know where this g-switch is. I looked under the whole carpet under my back seat and even cut the carpet up. Any help would be much appreciated.





