Saturday, August 19th, 2023 AT 3:17 PM
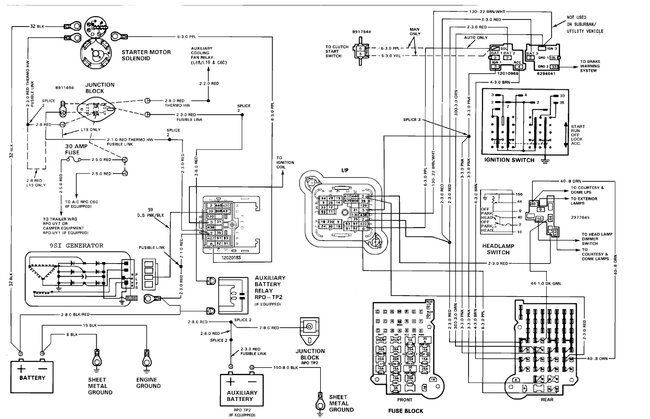
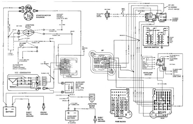
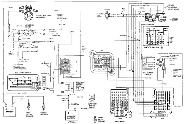
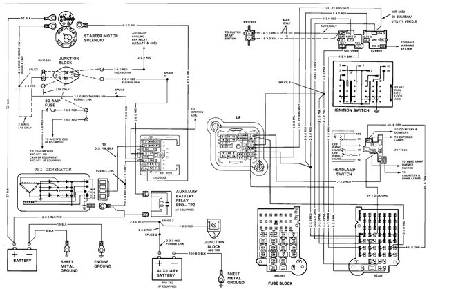
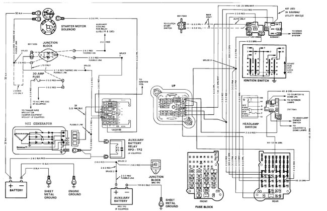
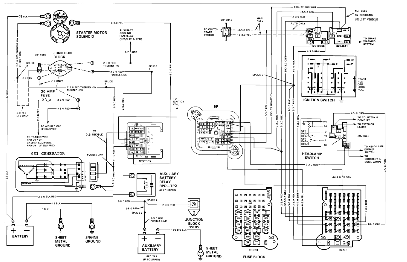
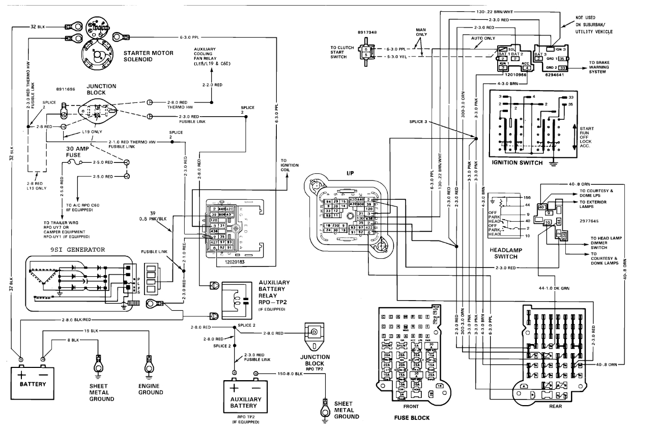
My fuel pump fuse went out while I was on a forest road and in my misadventures to get off the mountain, I put a 20-amp fuse into the 10-amp fuel pump fuse hole. I've located a fusible link coming off of the junction block that has power going in but not going out and I'm trying to figure out what amperage it is so I can splice in an inline fuse.


