Fusible link

Tiny
KRISTY LEIGH NAUERT
  • MEMBER
  • 2007 MERCURY MARQUIS
  • 4.6L
  • 4 CYL
  • AUTOMATIC
  • 200,000 MILES
I need to know where can I purchase a fuse link for the positive battery cable to alternator.
Saturday, July 20th, 2019 AT 1:57 PM

4 Replies

Tiny
CARADIODOC
  • MECHANIC
  • 34,463 POSTS
Fuse link wires that are spliced into the middle of a regular wire are purchased from any auto parts store, but you will get more than you need for one repair. They're typically about a foot long. You cut it to the length you need, so there's enough to make multiple repairs. The length is not important. What is important is the fuse link wire is smaller in diameter than the wire it's spliced into, so it's the "weak link in the chain". The insulation is designed to not melt or burn. You test these by tugging on them. If they're good, they'll act like a wire. If they're burned open, they'll act like a rubber band.

Large fuses that are bolted into the under-hood fuse box are also called "fuse links", but they're actual fuses. Usually the only one that's bolted in is for the generator because that is the only circuit handling that high current. You can find these at the dealer's parts department, most auto parts stores, or almost any salvage yard. You'll need to find a "pick-your-own-parts" salvage yard. At the other yards, they aren't going to bother sending an employee out for something so inexpensive. You'd end up paying a lot more than for buying a new one from the dealer.
Was this
answer
helpful?
Yes
No
Saturday, July 20th, 2019 AT 2:27 PM
Tiny
KRISTY LEIGH NAUERT
  • MEMBER
  • 2 POSTS
Do you have an Image of an example of one so that I’ll have it to go by?
Was this
answer
helpful?
Yes
No
Saturday, July 20th, 2019 AT 3:00 PM
Tiny
BMDOUBLE
  • MECHANIC
  • 1,139 POSTS
To get the exact one at the best price, go to your local pull a part and get one off of a wrecked car. Wire harness parts usually come with the assembly. This is what I do in these circumstances, but you can replace the link by itself also as stated above.
Was this
answer
helpful?
Yes
No
Saturday, July 20th, 2019 AT 8:38 PM
Tiny
CARADIODOC
  • MECHANIC
  • 34,463 POSTS
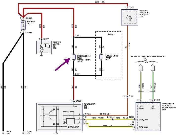
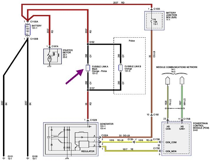
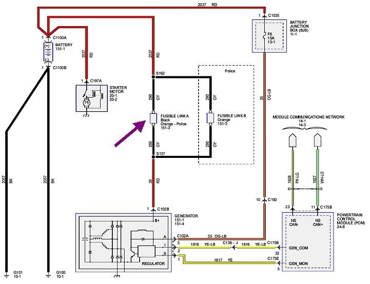
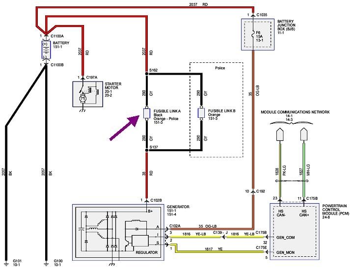
According to the diagram, your car uses a bolted-in fuse. It's rare to find two of those in any one car, so just look at the one in your fuse box. There is no photo of this type of fuse in my regular resources because it is too generic of a part. Take the old one with you to match it up at a parts store or salvage yard. You might find a catalog at an auto parts store that lists fuses by application, but typically they just grab one off the shelf that matches what the mechanic or customer brought in.

A different part of the service literature indicates your car uses a fuse link wire. That is the one I described earlier that simply looks like a piece of wire, but it is a smaller diameter and a different color that the rest of the wire it protects. Yours is listed as an orange wire, so that is the color you will ask for. That color denotes its current rating, just like different fuses have different colors for the same purpose. You'll get about a 12" piece which is enough to be cut for two to four repairs. The length of the piece you splice in is not important to proper circuit operation.

Be sure to slide on two pieces of heat-shrink tubing with hot-melt glue inside. Once the splices are soldered and any sharp points are pressed down, slide the tubing over the joints, then warm them with a match or hot air gun to shrink them. The glue will seal the joints from moisture.
Was this
answer
helpful?
Yes
No
Sunday, July 21st, 2019 AT 4:39 PM

Please login or register to post a reply.