Fuses for power windows

Tiny
NETURU
  • MEMBER
  • 2003 PONTIAC GRAND AM
  • 3.4L
  • 6 CYL
  • 2WD
  • AUTOMATIC
  • 87,000 MILES
My passenger side window no longer works. Before I change the regulator and motor I want to start with fuses. Does this car have more than one fuse for power windows?
Thursday, June 10th, 2021 AT 9:34 AM

1 Reply

Tiny
JACOBANDNICKOLAS
  • MECHANIC
  • 110,192 POSTS
Hi,

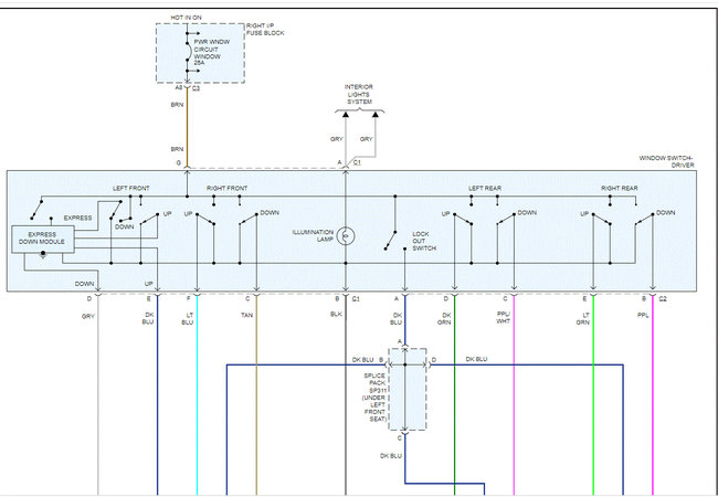
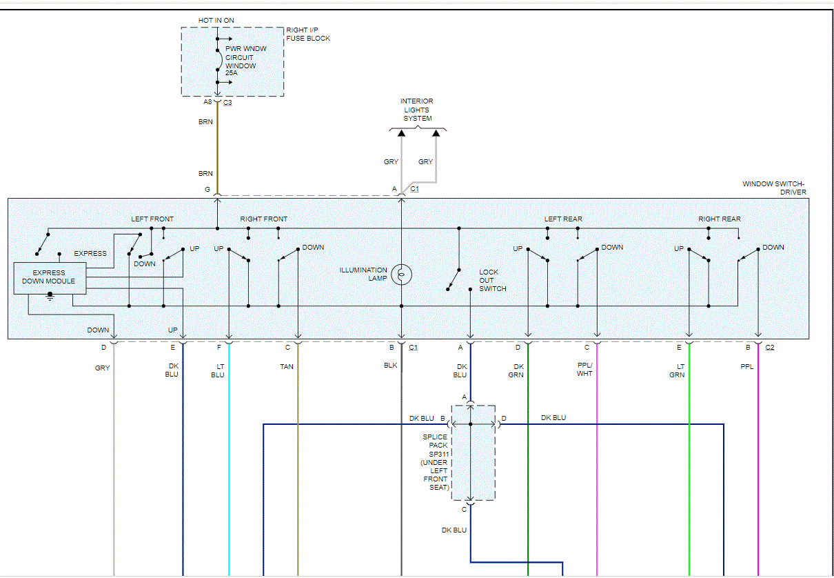
There is only one fuse. I'm not sure if this is a two-door or four-door vehicle. I attached the wiring schematics below for a four-door. If that is incorrect, let me know.

Although the fuse is good, it could be a wiring or switch issue. So, what I recommend is to remove the door panel and check for power at the affected window motor.

Here is a link you may find helpful:

https://www.2carpros.com/articles/how-to-check-wiring

Let me know what you find. Note that there are two wires at the motor. Based on which direction you select (up or down) will determine which wire gets power.

Let me know. Also, confirm if it is a four-door or not.

Take care,

Joe

See pics below.

Was this
answer
helpful?
Yes
No
+1
Thursday, June 10th, 2021 AT 10:38 PM

Please login or register to post a reply.