Sunday, August 21st, 2016 AT 4:06 PM
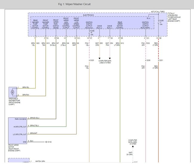
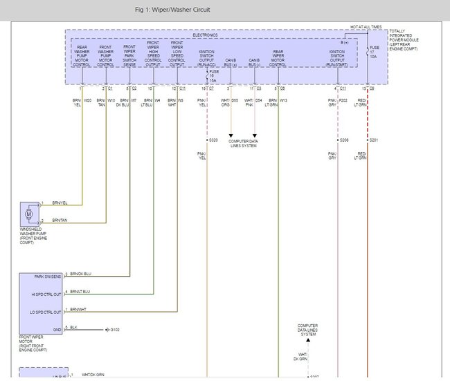
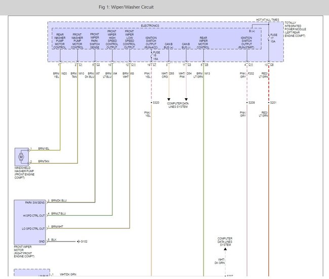
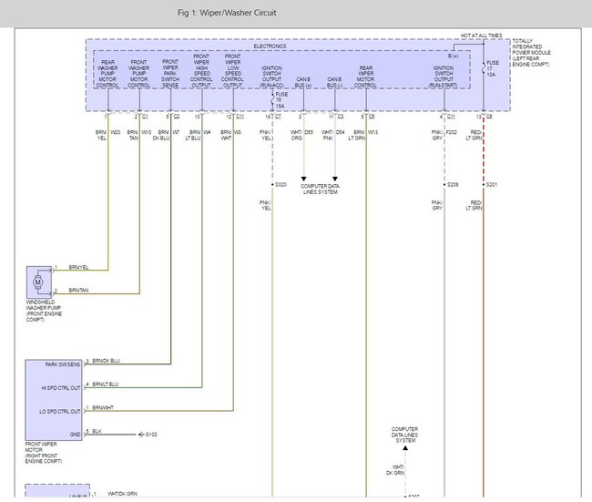
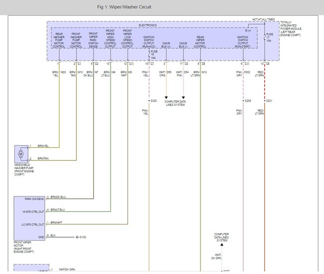
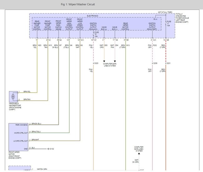
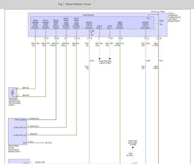
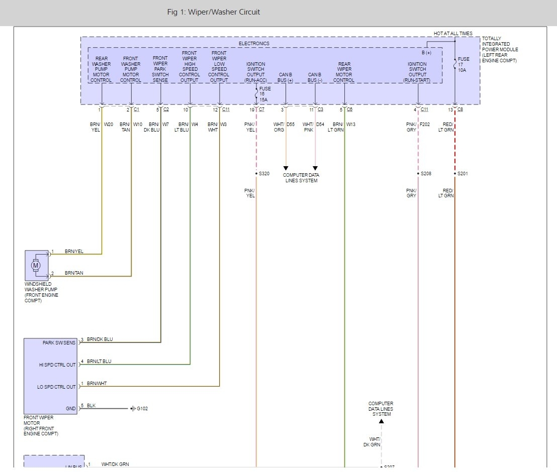
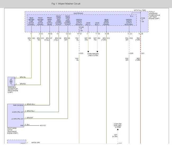
Is there any more fuses on this vehicle that is not under the hood? Washer has blown a fuse and all the fuses are good in the box.



