HOME
ASK A QUESTION
REPAIR GUIDES
BECOME A MEMBER
LOG IN
Login with Facebook
OR
Remember me
NOT A MEMBER?
FORGOT PASSWORD?
CONTACT US
PRIVACY POLICY
TERMS AND CONDITIONS
☰
Home
Chevrolet
Suburban
General
Fuse Test
Fuses
JARROD379
MEMBER
1996 CHEVROLET SUBURBAN
25,849 MILES
Do I have s 30amp fuse for my stopping and brake lights in the fuse panel under the hood of my SUV?
Wednesday, June 26th, 2019 AT 3:39 PM
5 Replies
ASEMASTER6371
MECHANIC
52,796 POSTS
Good evening,
No, that circuit only uses a 15 amp fuse. Do not install a larger fuse.
Roy
Images (Click to make bigger)
Was this
answer
helpful?
Yes
No
Wednesday, June 26th, 2019 AT 3:46 PM
JARROD379
MEMBER
4 POSTS
It that the fuse panel under the dashboard or in the engine bay?
Was this
answer
helpful?
Yes
No
Wednesday, June 26th, 2019 AT 3:50 PM
ASEMASTER6371
MECHANIC
52,796 POSTS
It is under the dash inside the car.
Roy
Was this
answer
helpful?
Yes
No
Wednesday, June 26th, 2019 AT 4:01 PM
JARROD379
MEMBER
4 POSTS
Ya, I just replaced it with a new one that the same as the one I took out. I’m still not getting any brake lights.
Was this
answer
helpful?
Yes
No
Wednesday, June 26th, 2019 AT 4:04 PM
ASEMASTER6371
MECHANIC
52,796 POSTS
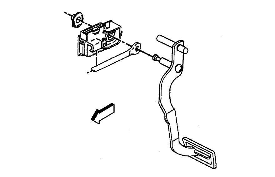
Okay, Did you test for power at the fuse with a test light or voltmeter?
https://www.2carpros.com/articles/how-a-car-fuse-works
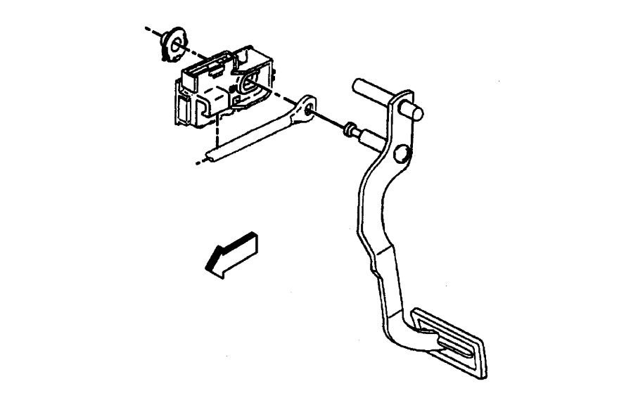
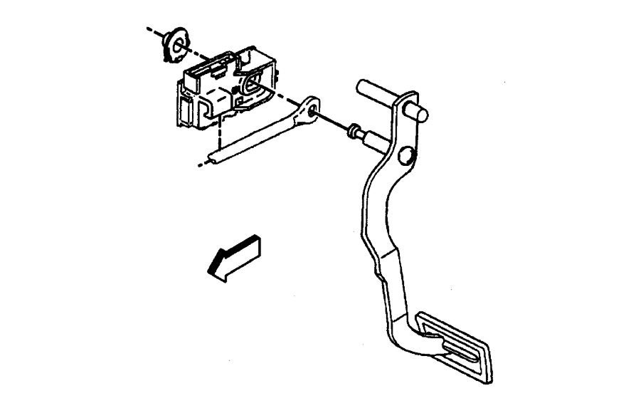
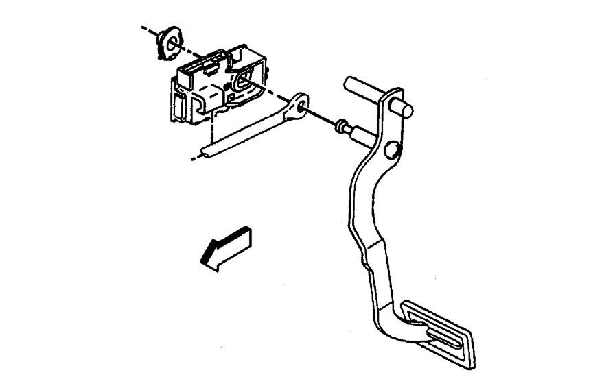
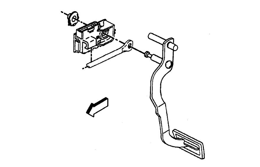
You need to start there and then go to the switch on the pedal.
Roy
Image (Click to make bigger)
Was this
answer
helpful?
Yes
No
Wednesday, June 26th, 2019 AT 4:40 PM
Please
login
or
register
to post a reply.
Related Fuse Test Content
1996 Chevy Suburban I Have Electrical/ Fuse Issues
My Horn No Longer Works And I Noticed The Fuse Was Blown. Putting In New Fuses Does Not Work, The Fuses Will Blow Immediatley. My Dashboard...
Asked by
waldo2910
·
1 ANSWER
1996
CHEVROLET SUBURBAN
1991 Chevy Suburban Fuses Keep Blowing!!!
Electrical Problem 1991 Chevy Suburban V8 Four Wheel Drive Automatic Up Until About A Month Ago The Truck Ran Smoothly! Then It...
Asked by
sarah cameron
·
3 ANSWERS
1991
CHEVROLET SUBURBAN
1987 Chevy Suburban Blown Fuse
Electrical Problem 1987 Chevy Suburban V8 Automatic 87 Suburban Won't Start. I Just Changed The Starter, Took The Car For A Ride...
Asked by
novroom
·
3 ANSWERS
1987
CHEVROLET SUBURBAN
2003 Chevy Suburban Rear Air
My Rear Air Fan Will Not Come On By Using Either Of The Controllers. The Main Air Works But Not The Rear. The Fan Will Not Turn On. I...
Asked by
tcrussell23
·
1 ANSWER
2003
CHEVROLET SUBURBAN
1997 Chevy Suburban Car Shakes While Driving
Engine Performance Problem 1997 Chevy Suburban V8 Automatic 133500 Miles This Problem Has Been Going On For More Than A Week. Now The...
Asked by
ehlin
·
1 ANSWER
1997
CHEVROLET SUBURBAN
VIEW MORE
Ask a Car Question. It's Free!
Code Read Retrieval/Clear Scion
Engine Oil Change and Filter Chevy Silverado
Topdon OBD2 Scanner Review - This thing rocks