Fuses

Tiny
HYOUNG4601
  • MEMBER
  • 1997 CADILLAC ELDORADO
  • 4.6L
  • V8
  • 2WD
  • AUTOMATIC
  • 105,000 MILES
What does ECS stand for in fuse box?
Monday, January 29th, 2018 AT 11:41 PM

1 Reply

Tiny
CARADIODOC
  • MECHANIC
  • 34,457 POSTS
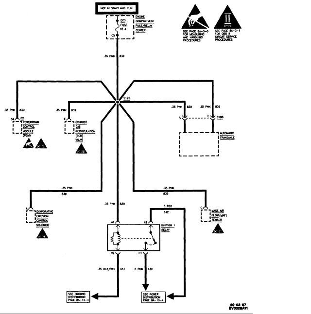
That is top secret. Only the people at GM who wrote the service manual know that, and they do not want anyone else to know, as evidenced by searching for half an hour with no answer. I can tell you it feeds the engine computer, mass air flow sensor, ... Well, it is faster to look at the diagram.

My guess would be "engine control system" or "emissions control system".
Was this
answer
helpful?
Yes
No
Tuesday, January 30th, 2018 AT 6:03 PM

Please login or register to post a reply.