Fuses

Tiny
MELISSA M
  • MEMBER
  • 1999 MITSUBISHI MIRAGE
  • 4 CYL
  • MANUAL
  • 65,000 MILES
My dash lights and brake lights are not working.
Wednesday, September 27th, 2017 AT 12:46 AM

1 Reply

Tiny
STEVE W.
  • MECHANIC
  • 15,671 POSTS
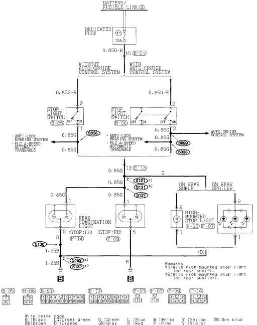
Well the dash lights are on fuse #7. However, if the radio, heater controls and rear defogger lamps are working it is not the fuse. They are all powered from the same source. The brake lights are on a dedicated fuse #11, but it could also be a bad brake switch.
Was this
answer
helpful?
Yes
No
Wednesday, September 27th, 2017 AT 7:20 AM

Please login or register to post a reply.