Friday, July 7th, 2023 AT 6:47 PM
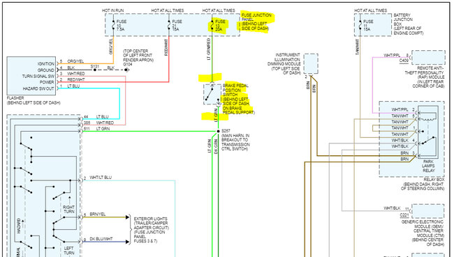
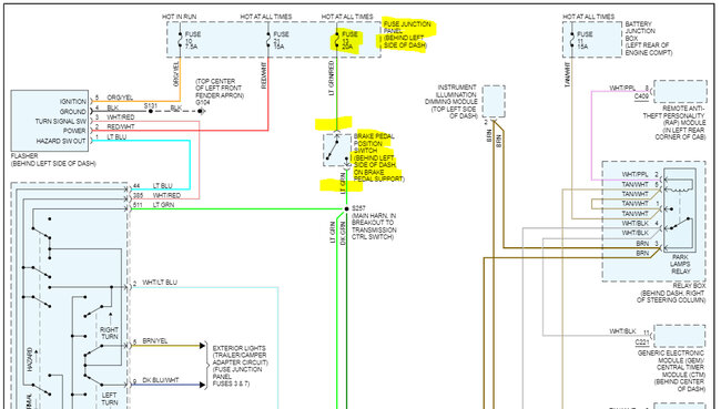
I bought the truck listed above XLT this week. After bringing it home I realized there were no brake lights. Tested fuse was dead: but not a bad fuse. Replaced that (didn't test again). Replaced: both bulbs, brake stop switch at pedal, and fuse. After investigating the fuse area, I found out more than one fuse is not getting power. To be exact, fuse #'s 2, 3, 7, 8, 13, 24, 28, and 33 do not have power while the remaining fuses do. I don't know what else to try at this point, looking into all the dead fuse locations it affects a lot of objects on the truck. Makes me worry that it's going to overheat with the blower fan not working, and the heater blows cold air.






