Fuses keep blowing

Tiny
TERRYHUNTER
  • MEMBER
  • 2000 TOYOTA TUNDRA
  • 4.7L
  • V8
  • 4WD
  • AUTOMATIC
  • 235,000 MILES
Dash lights and brake light fuses keep blowing.
Sunday, March 24th, 2019 AT 5:58 PM

1 Reply

Tiny
SCGRANTURISMO
  • MECHANIC
  • 4,897 POSTS
Hello,

The reason that fuses blow is because to much amperage, or current flows through them and they melt. They are intended to do this and come in different amperage ratings. Vehicle electricity is governed by Ohm's Law. Now there are three parts to Ohm's Law, Voltage(Electrical Force/Push), Current/Amperage(Electrical Flow), and Resistance(Anything opposing Amperage). Ohm's Law states that if one of the three parts remains constant, which in vehicles one always is Voltage(12VDC), then if one rises(Amperage) the other must fall(Resistance). This is a recipe for what in the industry is called a short to ground.
A short to ground is simply put as a short circuit in the electrical circuit that does not allow all the available voltage to be dropped across the load. A bare wire touches ground somewhere. This is a short to ground. Basically the Resistance goes to 0, so the Amperage goes to infinity and "pop" the fuse blows.
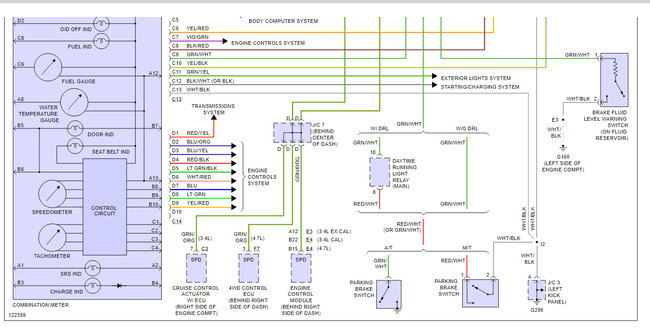
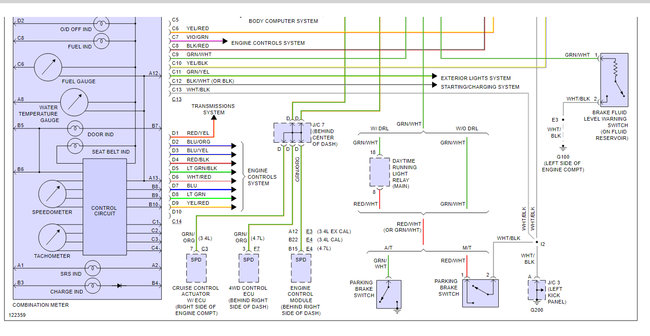
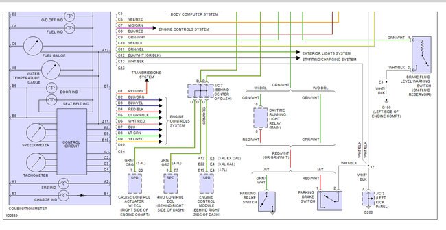
So, to fix the fuses blowing every time you replace them and then start your vehicle, you first need to track down the short to ground(s), repair them, then replace the fuses. I have included for you in the diagrams down below the wiring diagrams for both of these circuits your vehicle is having issues with. Follow them and find the short to ground. A good way to do this is starting from the load of the circuit, work your back up the circuit testing for voltage at each piece of the circuit. Go until you hit 12 volts and you now the short is in the piece you last looked at, i.E. The piece immediately before you got voltage on your multi-meter. Please let us know what you find out.

Thanks,
Alex
2CarPros
Was this
answer
helpful?
Yes
No
Monday, March 25th, 2019 AT 5:44 AM

Please login or register to post a reply.