Wednesday, October 4th, 2023 AT 6:36 AM
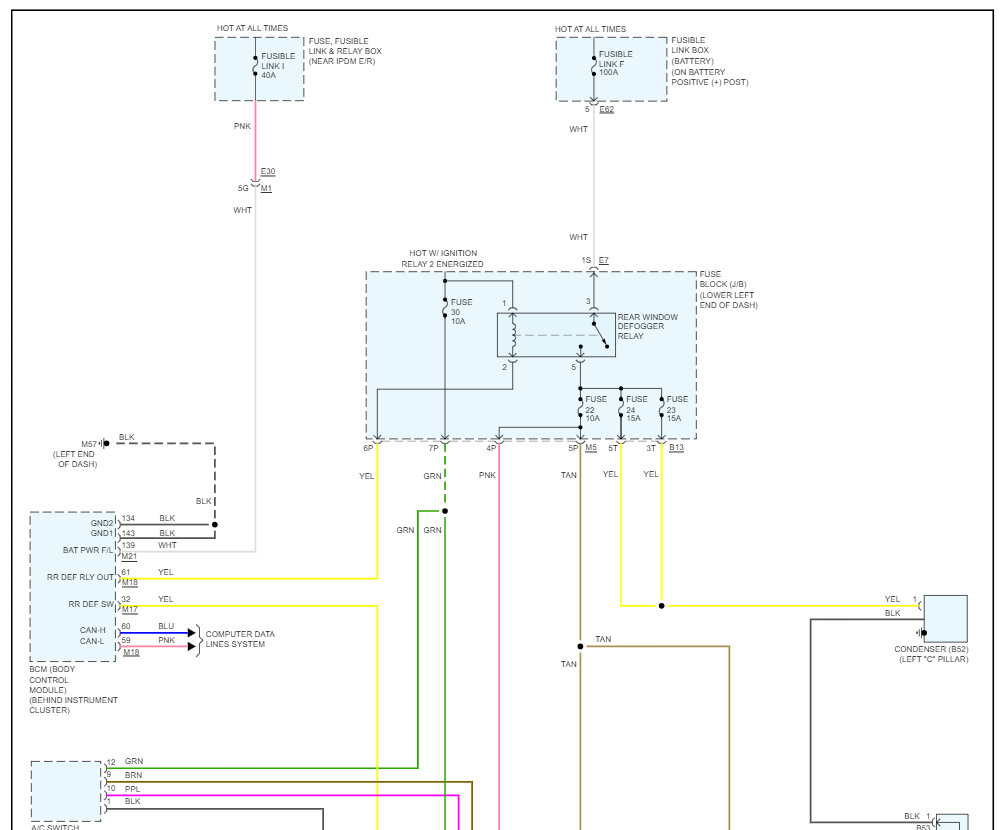
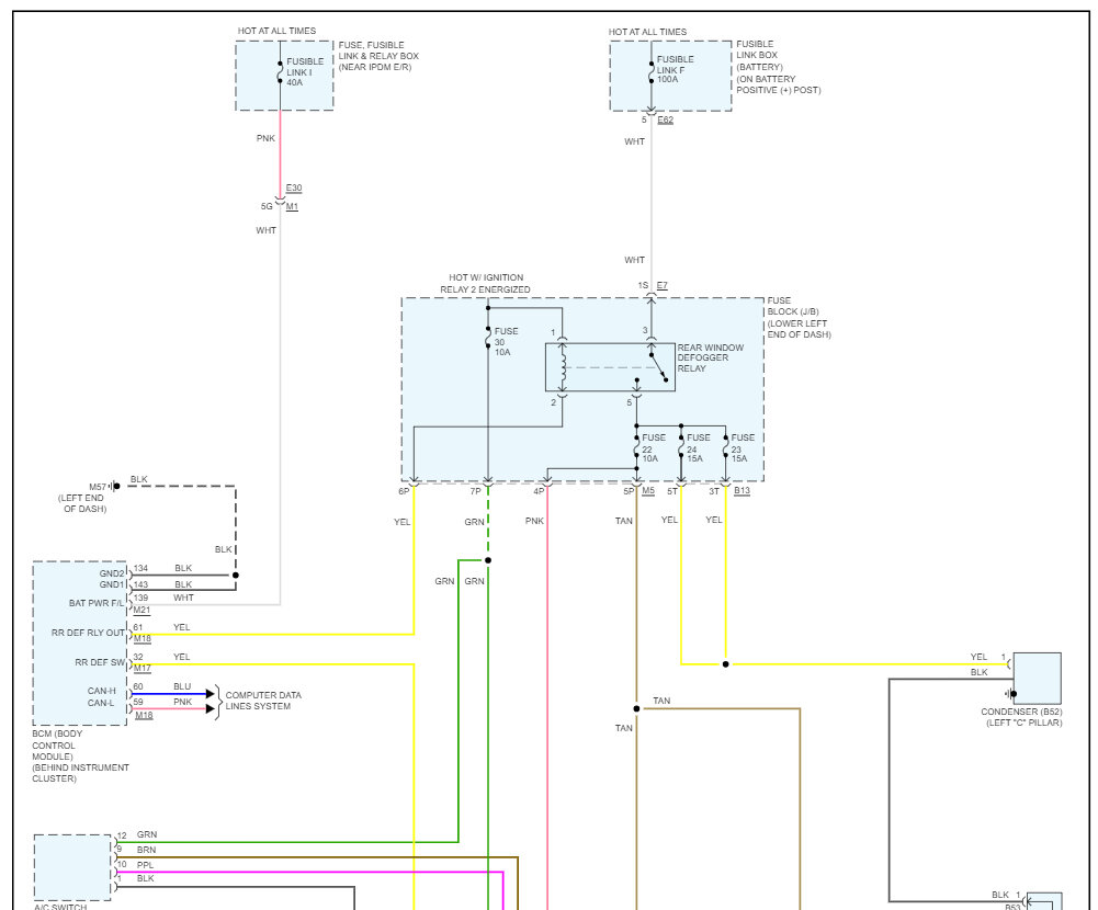
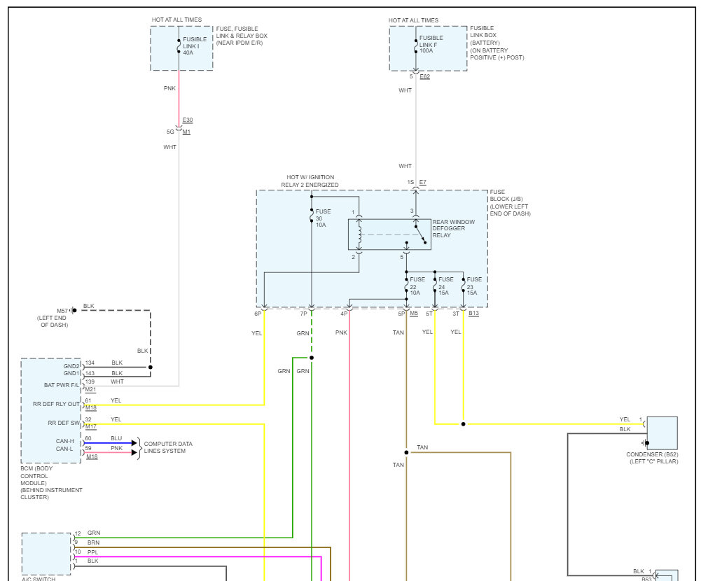
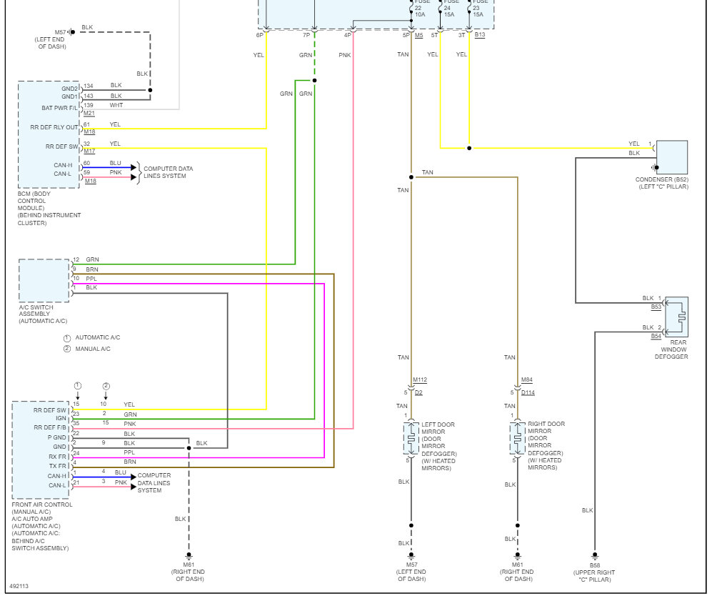
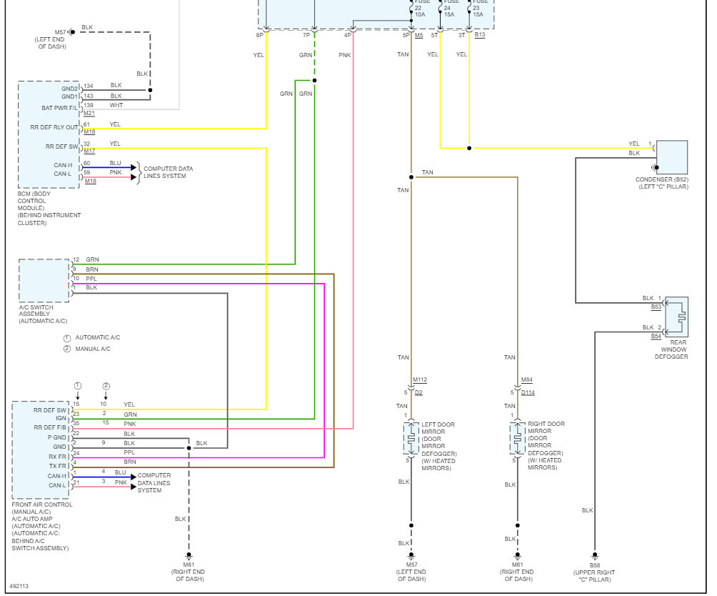
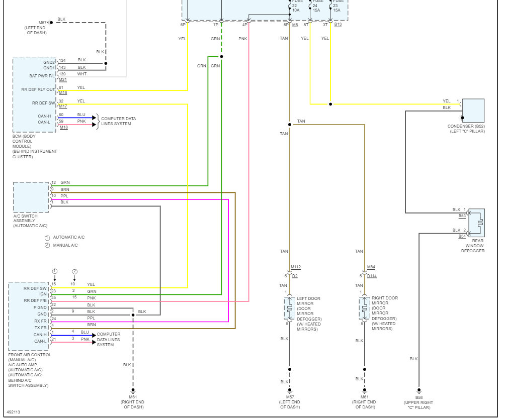
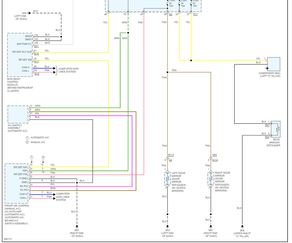
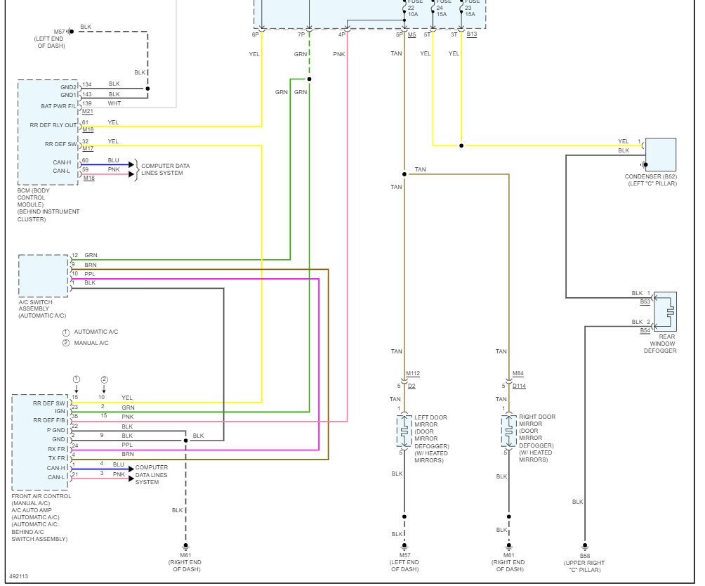
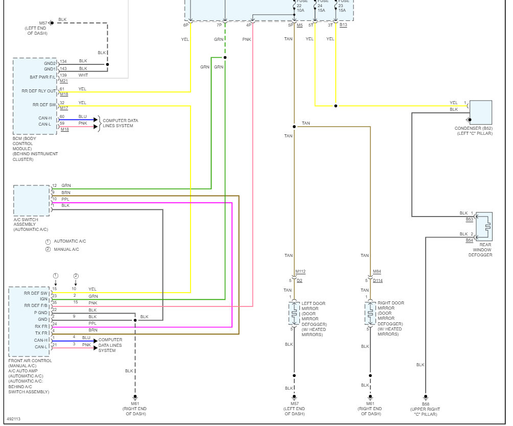
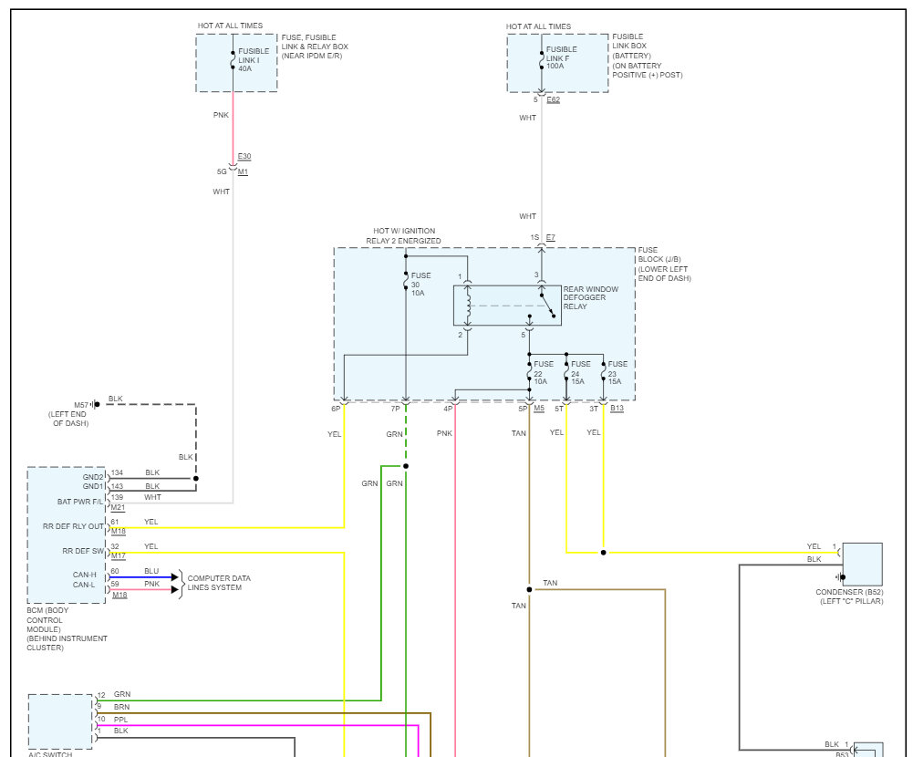
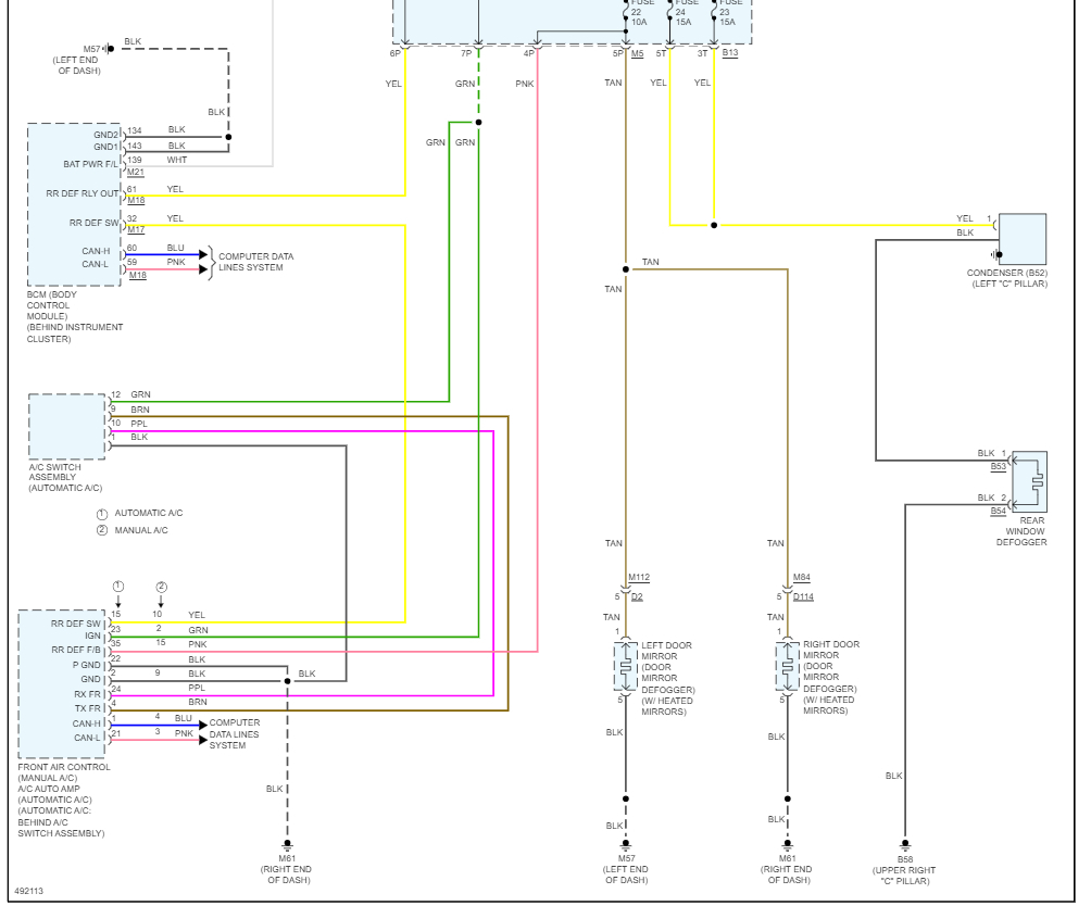
I realized 3 days ago that a fuse went out, if you look at the Nissan diagram it would be fuse 30. I replaced it and my compass, and A/C work now. Today it went out again, I got a circuit tester and I put in a new fuse, and it worked but the slots 22, 23, 24 are not getting any light or power when I hit it with the tester. Anytime I use the rear defroster it causes the other fuse to pop and the a/c not to work. How can I fix?






