Complete fuse diagram needed

1999 NISSAN ALTIMA
200,000 MILES • 2.0L • 4 CYL • 2WD • AUTOMATIC
Avatar
NOLAN MYERS
  • MEMBER
  • 9 POSTS
I need the fuse diagrams inside and out for the car listed above.
Feb 10, 2021 at 3:28 PM
Repair Safety Notice: This information is for general instructional purposes only. Vehicle repair can be dangerous. Verify all information, follow manufacturer service procedures, use proper tools and safety equipment, and consult a qualified repair shop when needed.
Advertisement
Avatar
CARADIODOC
  • CAR REPAIR CONTRIBUTOR
  • 34,308 POSTS
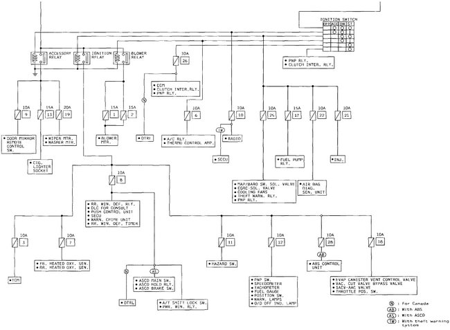
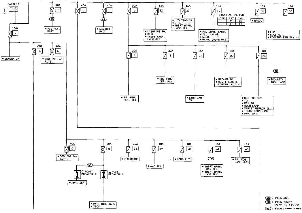
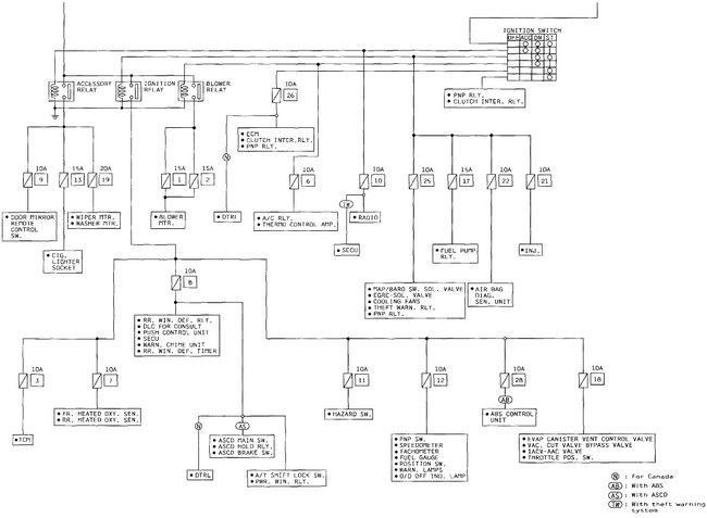
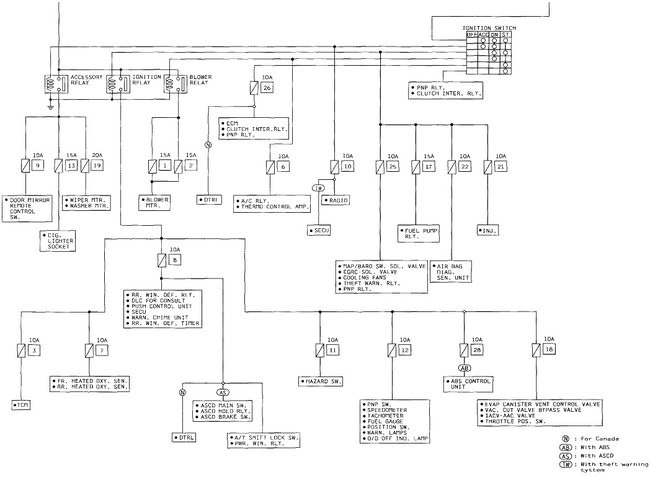
Here's what is shown related to fuse box layout. I didn't try to interpret anything.

Of the last three, the first two are the wiring diagrams for the under-hood fuse box. While it isn't real clear, the last drawing appears to be for the inside fuse box.
Feb 10, 2021 at 5:38 PM
Advertisement
Avatar
NOLAN MYERS
  • MEMBER
  • 9 POSTS
I need a diagram that tells me what fuse is what.
Feb 11, 2021 at 12:48 AM
Avatar
CARADIODOC
  • CAR REPAIR CONTRIBUTOR
  • 34,308 POSTS
Believe it or not, the people at Nissan think the diagrams I posted are supposed to tell us that. If you look closely at any one of the diagrams, you'll see one or two fuses are represented by a box that's in bold, then the other drawings show the items protected by those fuses. I searched again and everything leads back to those drawings. There are a few others that have even less information and are pretty much useless.

I'm sorry that these aren't very helpful. Most manufacturers print the fuse functions under the covers for the fuse boxes, and in the owner's manuals. I think you'll have better luck finding either of those at a salvage yard. As an alternative, you might ask at the local dealership. I worked for a very nice Chrysler dealership years ago. The service writers were instructed by the dealership owners to find things in service manuals for good customers and other dealerships, as long as they weren't busy with customers, and to make photocopies of a few pages for them at no charge. Perhaps your dealer will do that for you. We used to have a really good import dealer in my town before he got bought out by a crook. That dealership owner would even find the service manuals himself to help people out.
Feb 11, 2021 at 3:31 PM