Friday, November 18th, 2022 AT 11:50 PM
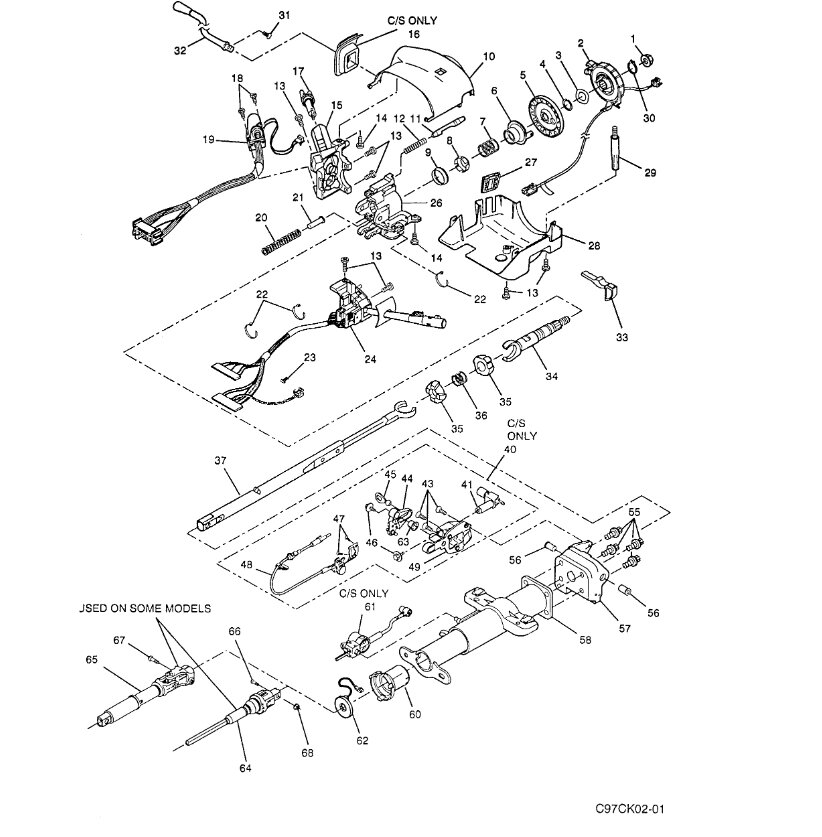
I just changed out the starter relay, and the ignition relay, now only getting partial power to my fuse box under the hood, I also found an unplugged red wire (mystery wire) and no power to the cab fuse box and an unmounted blue wire going from the fuse box to under the dash to be plugged into nothing.







