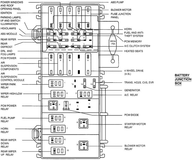
Can I get under the hood and inside vehicle fuse diagram?

Tiny
RVSNGL
  • MEMBER
  • 1999 FORD EXPLORER
  • 4.0L
  • 6 CYL
  • 4WD
  • AUTOMATIC
  • 199,000 MILES
Need under the hood and inside vehicle fuse diagram won't turn over.
Thursday, December 5th, 2024 AT 1:15 PM

1 Reply

Tiny
CARADIODOC
  • MECHANIC
  • 34,490 POSTS
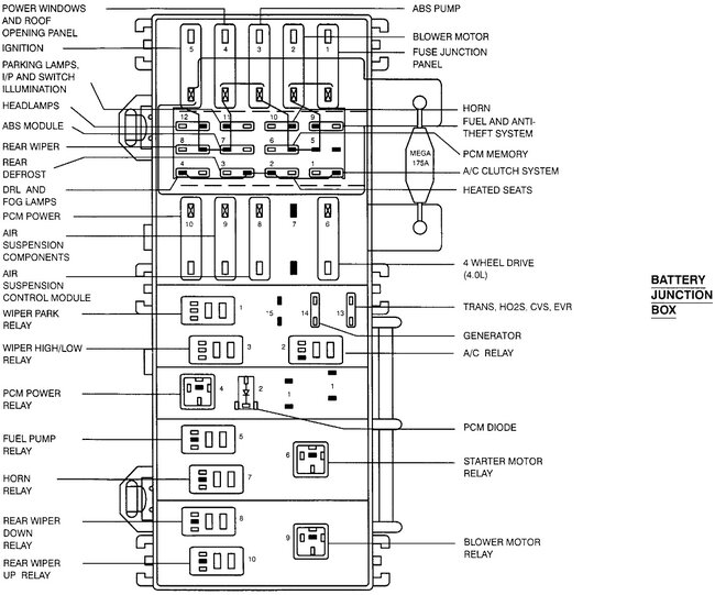
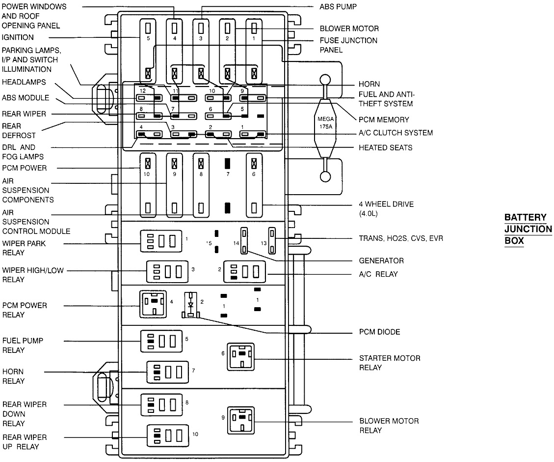
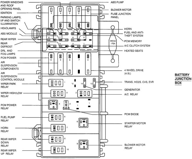
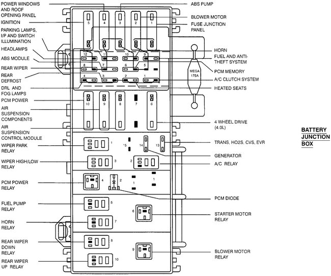
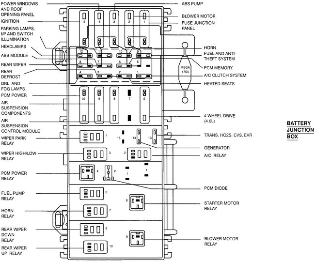
Here's the fuse box layouts. I couldn't find a drawing to show the location of the inside fuse box. I included the wiring diagrams for the starter system too if you need them.
Was this
answer
helpful?
Yes
No
Thursday, December 5th, 2024 AT 1:48 PM

Please login or register to post a reply.