Fuse box wiring diagram

Tiny
ENRIQUE EL VAQUERITO HERNANDEZ
  • MEMBER
  • 1995 CHEVROLET S-10
  • 4.3L
  • 6 CYL
  • 2WD
  • AUTOMATIC
  • 186,531 MILES
Any fuse box. Number o position where any to connect the ignition wire and which one go first?
Saturday, April 16th, 2022 AT 11:37 PM

1 Reply

Tiny
KASEKENNY
  • MECHANIC
  • 18,907 POSTS
I am not sure I understand what you are looking for with this one.

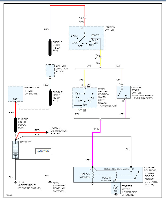
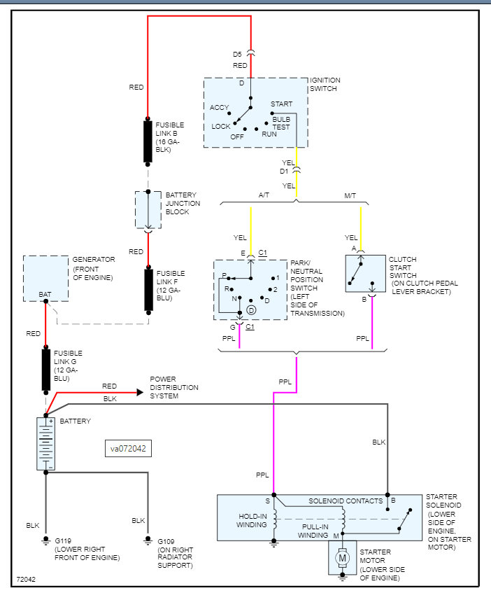
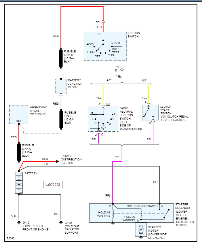
Are you saying that you want a diagram of the fuse block? If so, I attached it below and here is a guide that will help with testing the fuses.

https://www.2carpros.com/articles/how-to-check-a-car-fuse

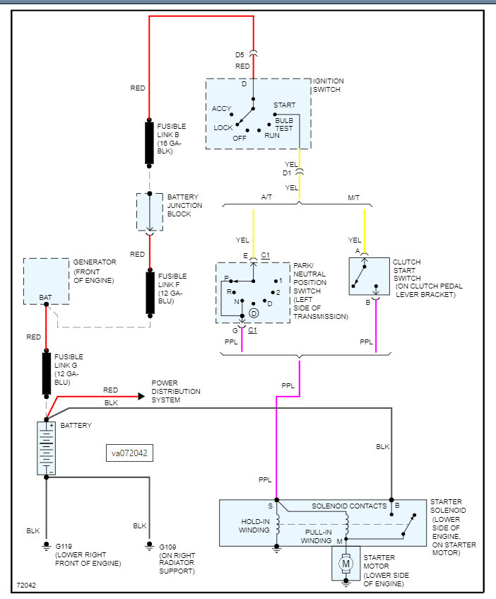
However, I feel like you may be asking for which wire to hook the ignition switch too? If that is the case, I am attaching a diagram of the starter circuit which will help with doing this.

Please run through this info and let me know if I am missing what you are looking for.

Thanks
Was this
answer
helpful?
Yes
No
Sunday, April 17th, 2022 AT 6:16 PM

Please login or register to post a reply.