Fuse box inside truck diagram needed?

Tiny
BRANDON12345
  • MEMBER
  • 1989 CHEVROLET TRUCK
  • 5.7L
  • V8
  • 4WD
  • AUTOMATIC
  • 209,000 MILES
Fuse box diagrams please?
Wednesday, September 18th, 2024 AT 4:47 PM

1 Reply

Tiny
JACOBANDNICKOLAS
  • MECHANIC
  • 110,192 POSTS
Hi,

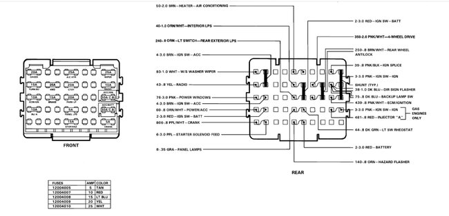
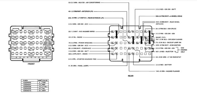
If you look below, I attached the only one that I have for this vehicle. Take a look at it and let me know if it helps.

Also, to keep it all together, I wasn't able to enlarge it much at all. Let me know if there is a section you can't read.

One other thing, here is a link you may find helpful. Remember, even if a fuse is good, there may be no power to or from it, so that needs to be checked.

https://www.2carpros.com/articles/how-to-check-a-car-fuse

Take care,

Joe

See pic below.
Was this
answer
helpful?
Yes
No
Wednesday, September 18th, 2024 AT 8:19 PM

Please login or register to post a reply.