Fuse box diagram

Tiny
MYERS2328
  • MEMBER
  • 1995 OLDSMOBILE CIERA
  • 150,000 MILES
Can't find one anywhere online but need one.
Saturday, March 26th, 2022 AT 1:32 PM

3 Replies

Tiny
CARADIODOC
  • MECHANIC
  • 34,463 POSTS
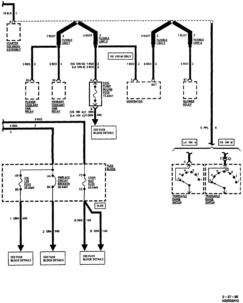
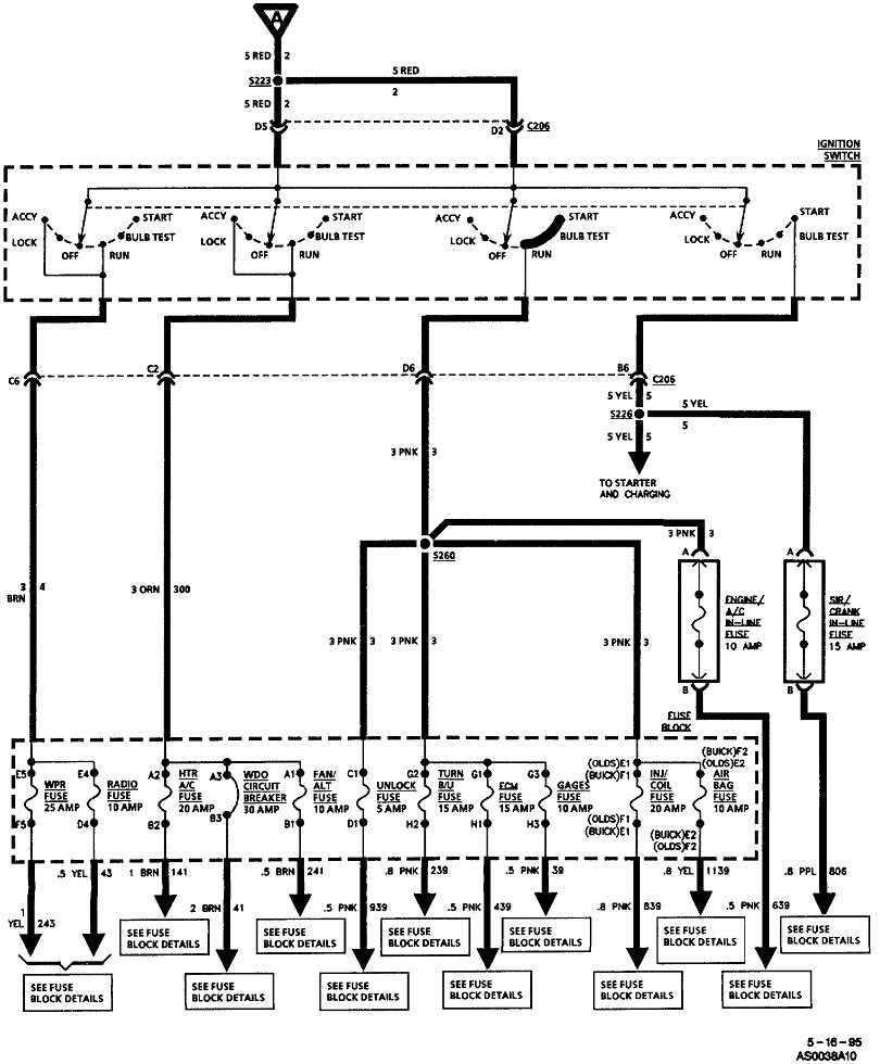
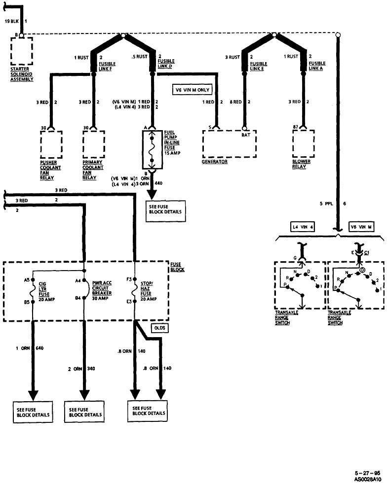
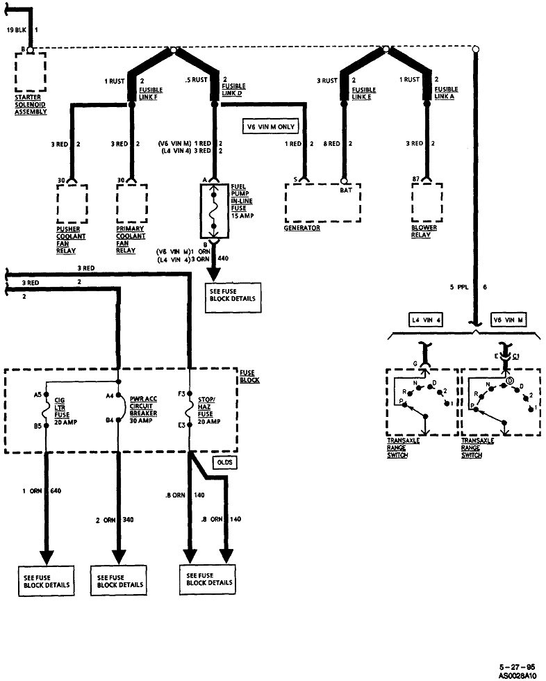
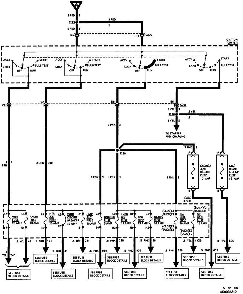
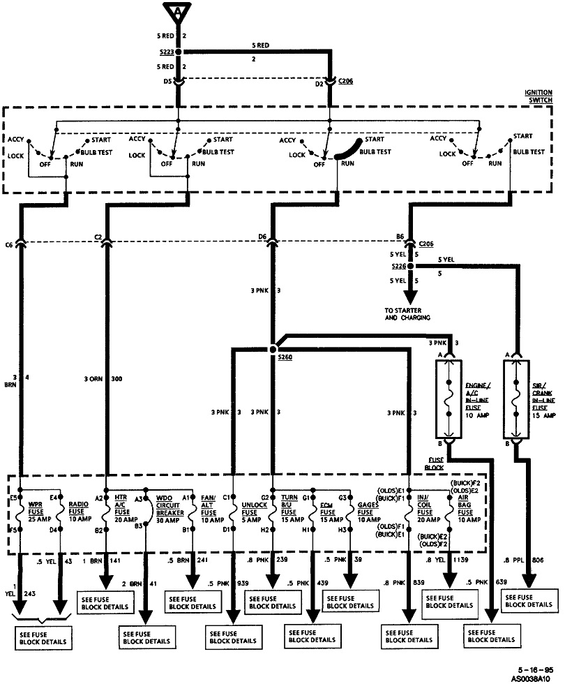
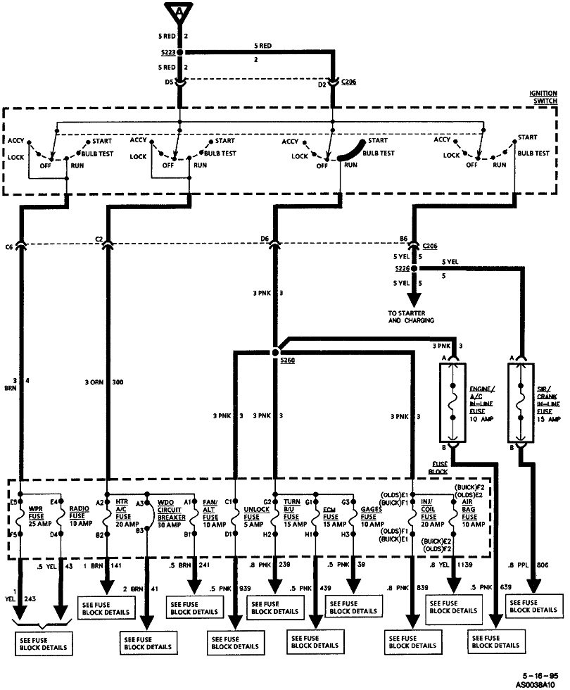
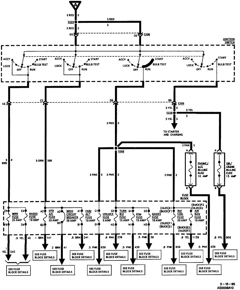
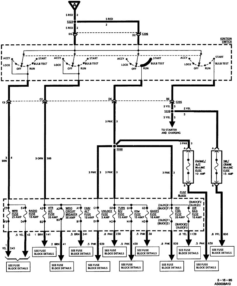
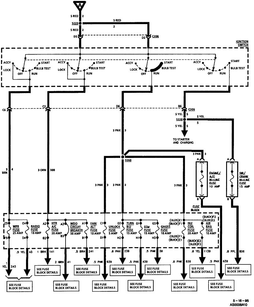
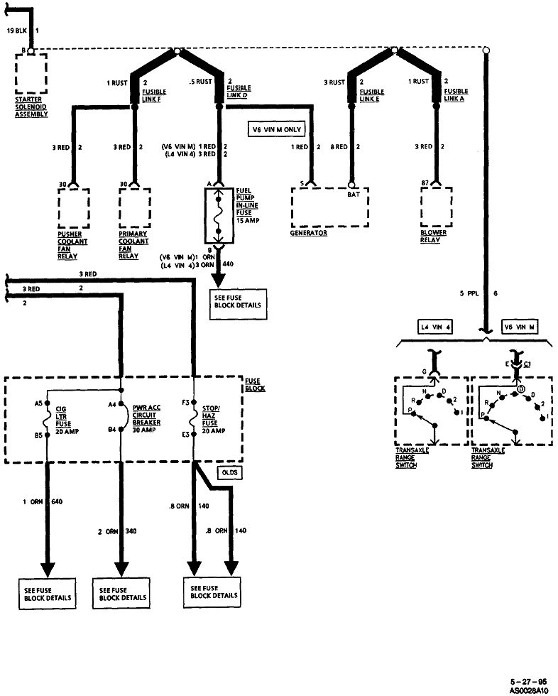
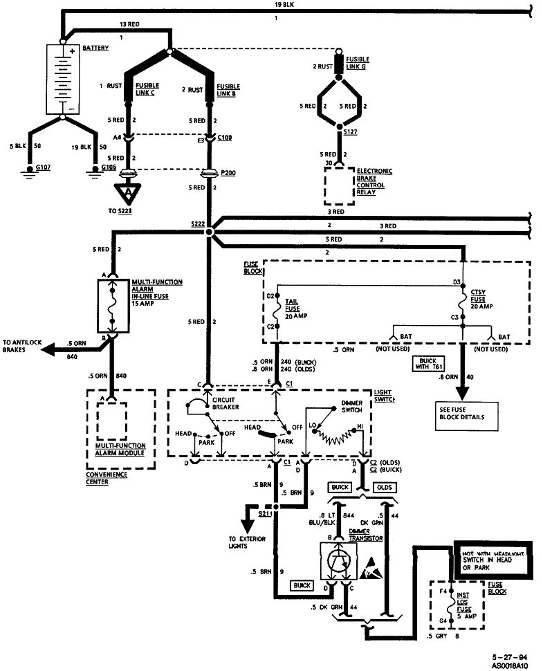
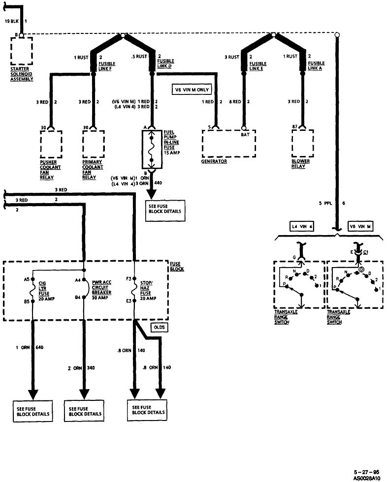
There are multiple Ciera models with different engine sizes. I picked the Cutlass Ciera with a 2.2L engine. If you need something different, please add those details so I find the right diagrams.

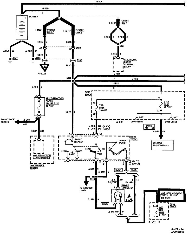
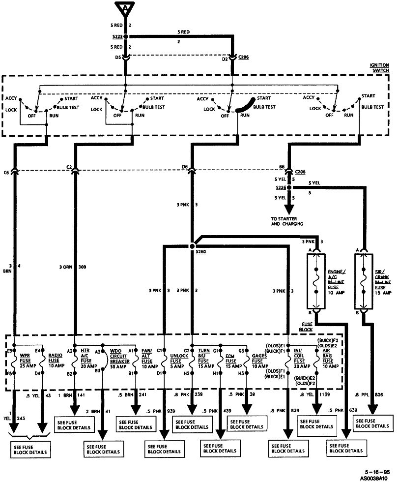
Look at the first drawing to see if that agrees with what you have. If it does, the third and fourth drawings should be for your in-dash fuse box.

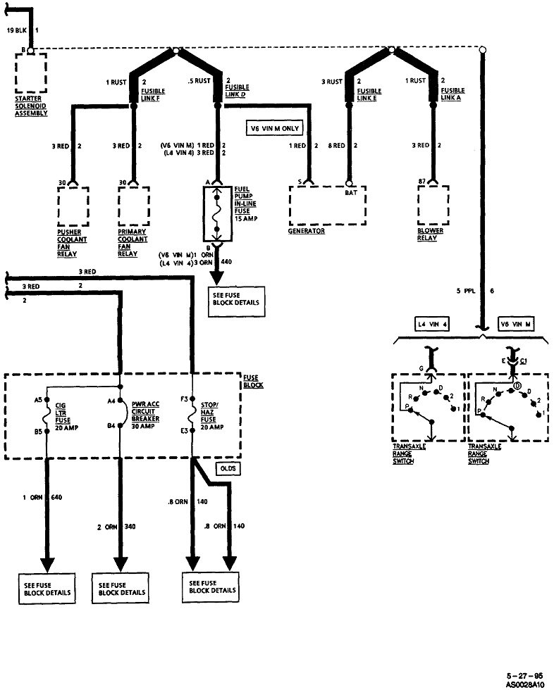
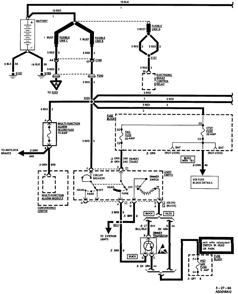
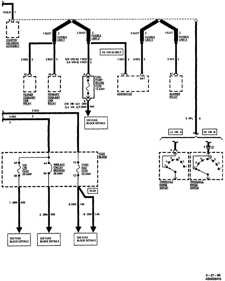
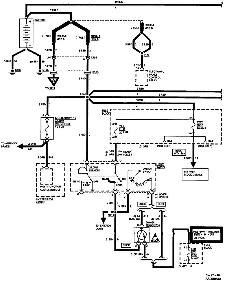
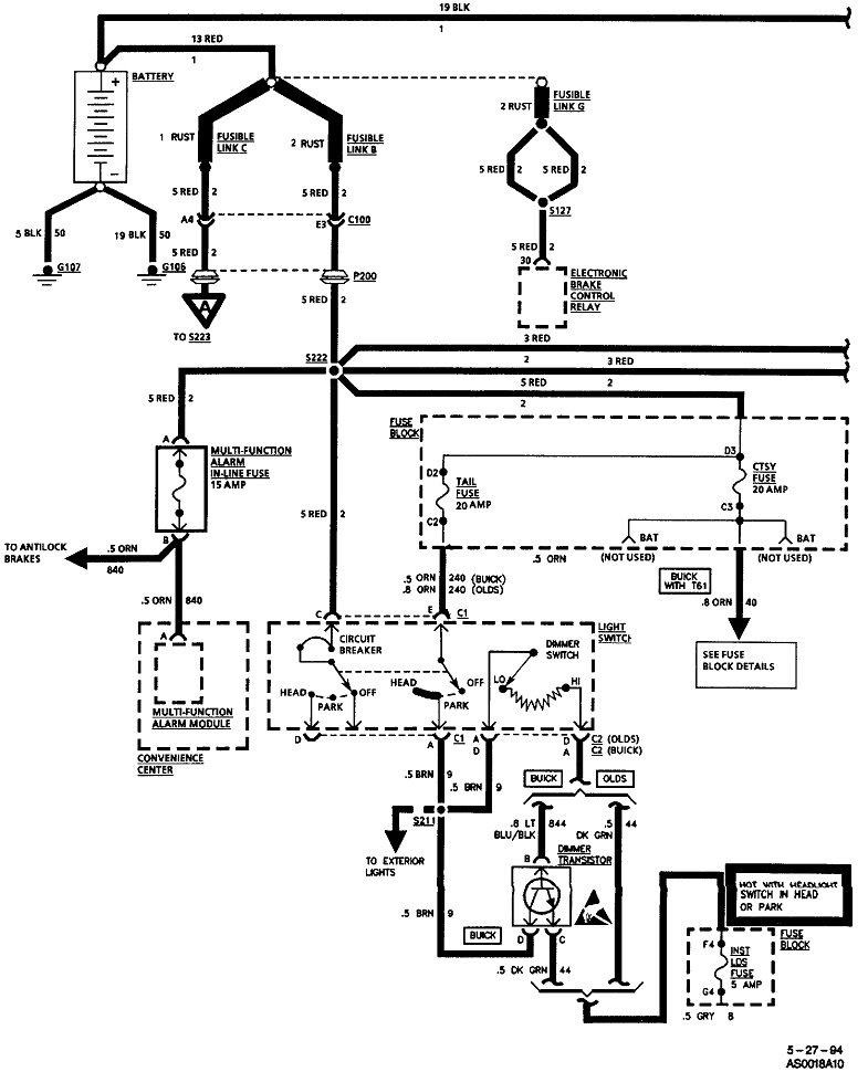
The last three diagrams show fuse link wires under the hood, and two inline fuses, in case you need them.
Was this
answer
helpful?
Yes
No
-1
Saturday, March 26th, 2022 AT 1:55 PM
Tiny
MYERS2328
  • MEMBER
  • 2 POSTS
I actually need one for 3.1.
Thank you for your fast response and any help you can provide.
Was this
answer
helpful?
Yes
No
Saturday, March 26th, 2022 AT 2:18 PM
Tiny
CARADIODOC
  • MECHANIC
  • 34,463 POSTS
Good news. They show the same drawing for the 3.1L engine. Engine size and transmission model became a more important variable on newer models when they started putting fuse boxes under the hood and inside the car. In your car, if this looks right, it looks like engine size doesn't matter. Let me know if I can help with anything else.
Was this
answer
helpful?
Yes
No
Saturday, March 26th, 2022 AT 2:28 PM

Please login or register to post a reply.