Fuse block connector engine bay to cabin pinout wiring diagrams needed?

Tiny
BMJTHE3RD
  • MEMBER
  • 1996 CHEVROLET CORSICA
  • 2.0L
  • 4 CYL
  • 2WD
  • AUTOMATIC
  • 100,000 MILES
I hotwired a toggle switch without a fuse for the radiator fan and used too thin of a ground wire resulting in a fire and killed my battery, blower motor, dashboard gauges and transmission quit working because I melted down my fuse block. Now I need a wiring harness diagram, preferably color codes included, and a pinout cheat sheet I can use for my car listed above so I can wire her (Ruby) back up and get back on the road. It's been a long 9 month learning journey.
Thursday, August 22nd, 2024 AT 6:09 AM

8 Replies

Tiny
KEN L
  • MASTER CERTIFIED MECHANIC
  • 55,281 POSTS
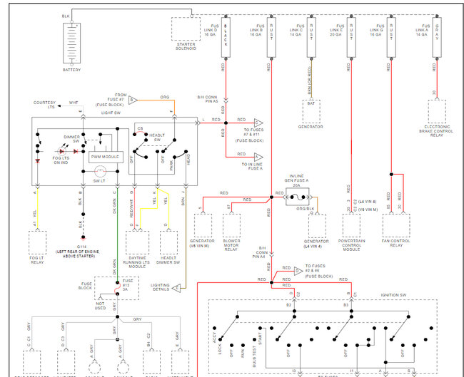
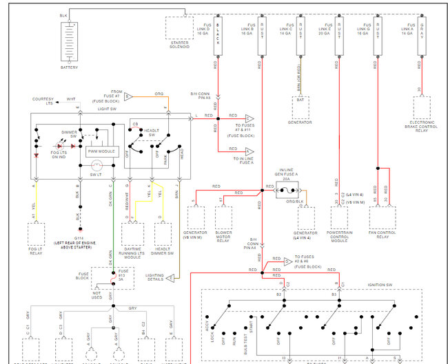
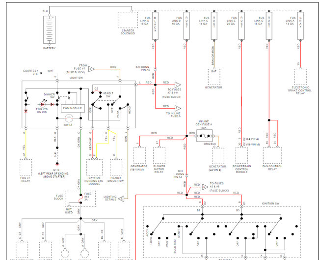
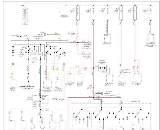
"Ruby" is a great name for a car btw :) Sorry to hear about the fire. There are no connector views for the fuse panel because the wiring just comes out of it, here are the wiring diagrams though. Check out the images (below). Please upload pictures or videos in your response of any problems so we can see what to help you with.
Was this
answer
helpful?
Yes
No
+1
Thursday, August 22nd, 2024 AT 10:46 AM
Tiny
BMJTHE3RD
  • MEMBER
  • 8 POSTS
Thank you for your response. I can't begin to tell you just how grateful I am. Very much appreciated. Thank you and may God bless you and yours.
Was this
answer
helpful?
Yes
No
+2
Thursday, August 22nd, 2024 AT 5:55 PM
Tiny
KEN L
  • MASTER CERTIFIED MECHANIC
  • 55,281 POSTS
You are welcome, please use 2CarPros anytime we are here to help.
Was this
answer
helpful?
Yes
No
+5
Thursday, August 22nd, 2024 AT 5:55 PM
Tiny
BMJTHE3RD
  • MEMBER
  • 8 POSTS
Well, I've since got my hands on Chilton's Auto Repair Guide for Ruby. However being a novice at this and working with a shoestring budget progress is slow. Down to figuring out what guage of wire to what circuit. Need to get my order ready for MetriPack 1 mixed series black 42 way Aptiv Delphi 280/480/630 male end blade terminals. Is there anyway you would have the fuseblock C100 connector/joiner ( engine bay to cabin ) pinout diagram? I am also trying to figure out how to read the junction block itself. ABCDEFG up and down / 2, 1 17 terminals Engine junction connector and the 25 terminal Headlamp connector left to right 4, 5, 6, 7, 8. Do you have a diagram of proper running sequence. Also a color coded wire diagram for the 42way C100 connector junction box terminals go. Anything helps! Thank you for you time, expertise and professionalism in helping me resurrect Ruby and spin out and kick gravel in the face of all the scoffers and unbelievers who says " call the junkyard, time to scrap her. Nonsense ! My 1996 Chevy Corsica 2.2L, automatic, 4door sedan is my dream car. Kinda like Christine was to Arnie Cunningham, just not evil like she was. Here's the VIN if it will help you any 1GILD554XTY248314 GM
Hope to here from you soon, and thanks for the wiring diagrams you sent me. I need to make some xerox copies of them so I can piece them together to better understand them. Thanks again! We're waiting patiently on your response, Trent and Ruby
Was this
answer
helpful?
Yes
No
Thursday, November 14th, 2024 AT 4:14 AM
Tiny
BMJTHE3RD
  • MEMBER
  • 8 POSTS
Did this message get delivered?
Was this
answer
helpful?
Yes
No
+1
Thursday, November 14th, 2024 AT 8:48 AM
Tiny
KEN L
  • MASTER CERTIFIED MECHANIC
  • 55,281 POSTS
Hello Trent and Ruby! Yep, I like showing people you can make anything happen. Here is the c100 pinout as requested and I added a couple more which I think can help, let's fix Ruby! Check out the images (below). Please upload pictures or videos in your response of any problems so we can see what to help you with.
Was this
answer
helpful?
Yes
No
+2
Thursday, November 14th, 2024 AT 10:23 AM
Tiny
BMJTHE3RD
  • MEMBER
  • 8 POSTS
Wow! A million thanks to Ken, and the entire 2CarPros team! Yes! This is exactly what I've been after! Ruby and I can never repay you for this information. We will let you know how it goes! Hopefully we will have a good report for you a little after the first of each month. Ruby is in tears over all of this! She is all but in shock because everyone has all but turned their backs on her. They will be thinking that this winter when me and Ruby ride by! New Heater Blower Motor and all!
Thanks, a billion guys! Love, like, subscribed and share the site and YouTube channel! Great fun!
Was this
answer
helpful?
Yes
No
Thursday, November 21st, 2024 AT 5:12 PM
Tiny
KEN L
  • MASTER CERTIFIED MECHANIC
  • 55,281 POSTS
That is great to hear ;) we like helping people get their cars back on the road so you can live your life and be happy. You and Ruby have a great weekend! Let me know if you need anything else.
Was this
answer
helpful?
Yes
No
Friday, November 22nd, 2024 AT 12:05 PM

Please login or register to post a reply.