Where is the turn signal fuse located?

Tiny
LISATUNSTALL
  • MEMBER
  • 2009 PONTIAC G5
  • 169,000 MILES
Turn signal fuse blown out but I can’t find it.
Thursday, September 21st, 2023 AT 10:54 AM

1 Reply

Tiny
JACOBANDNICKOLAS
  • MECHANIC
  • 110,194 POSTS
Hi,

As far as the turn signals are concerned, there isn't a fuse. Power is supplied by the body control module (BCM). Is it a power loss to the signals you are having issues with?

If that is the case, the BCM is located under the dash (approximate center). Check the connectors to it. Also, back probe the wires to see if there is power at that point.

Since the lights all have different grounds, I don't suspect that as an issue.

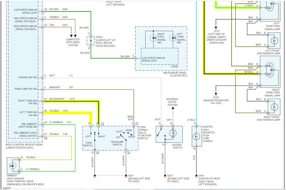
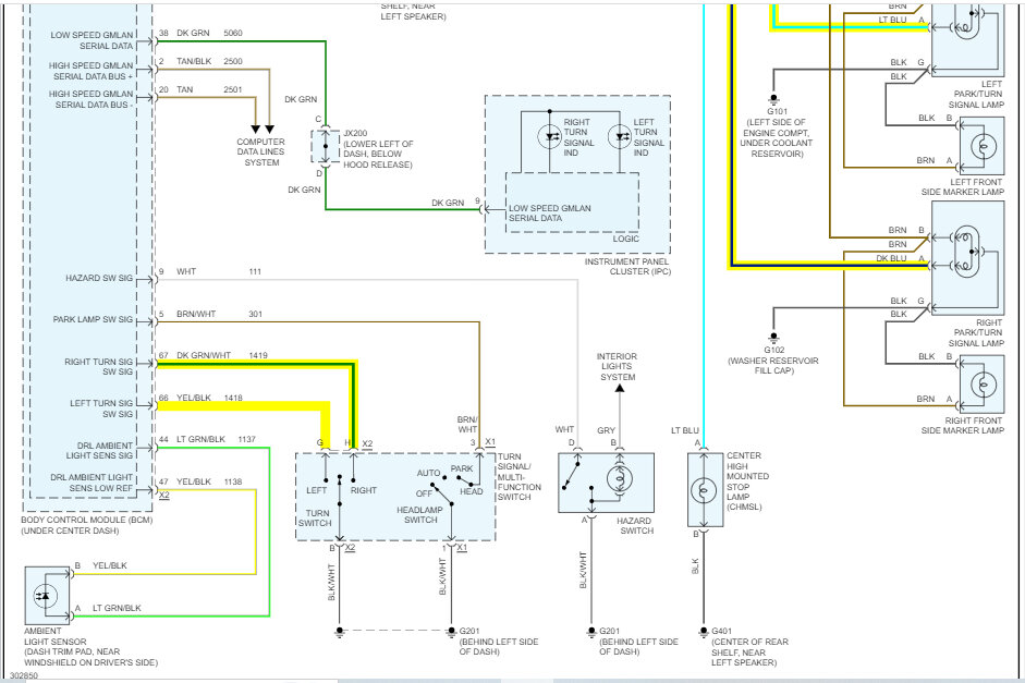
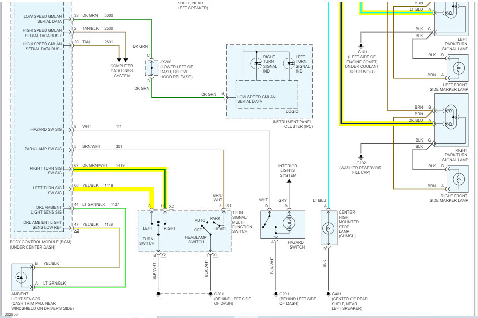
Let me know what you find or if you have other questions. Also, I attached the entire exterior wiring schematic for you below. I highlighted the relevant wiring between the BCM and the lights. I also highlighted the wires from the switch. If needed, they are at the lower section of the BCM (pic 2)

Take care,

Joe

See pics below.
Was this
answer
helpful?
Yes
No
Thursday, September 21st, 2023 AT 9:19 PM

Please login or register to post a reply.