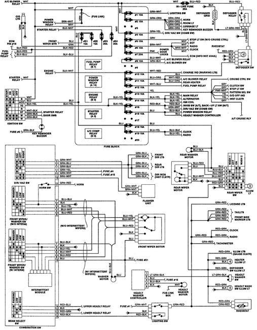
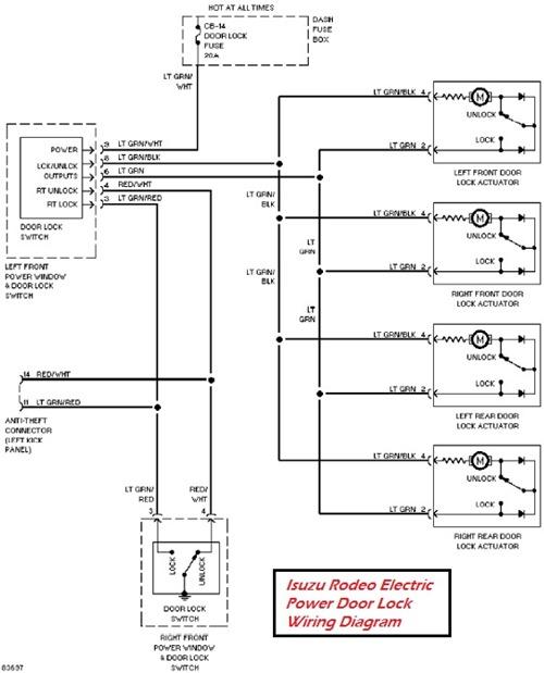
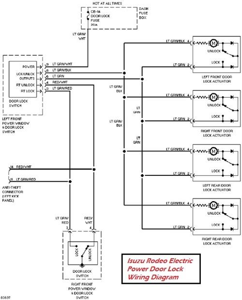
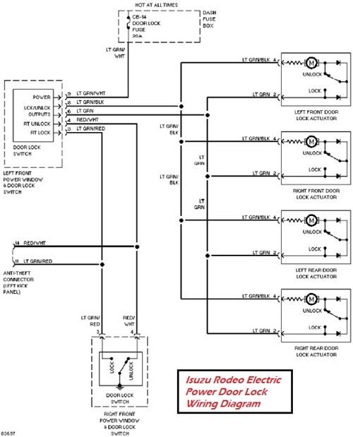
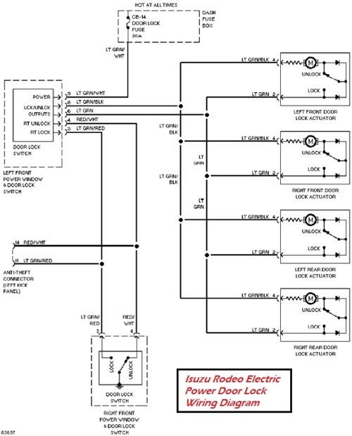
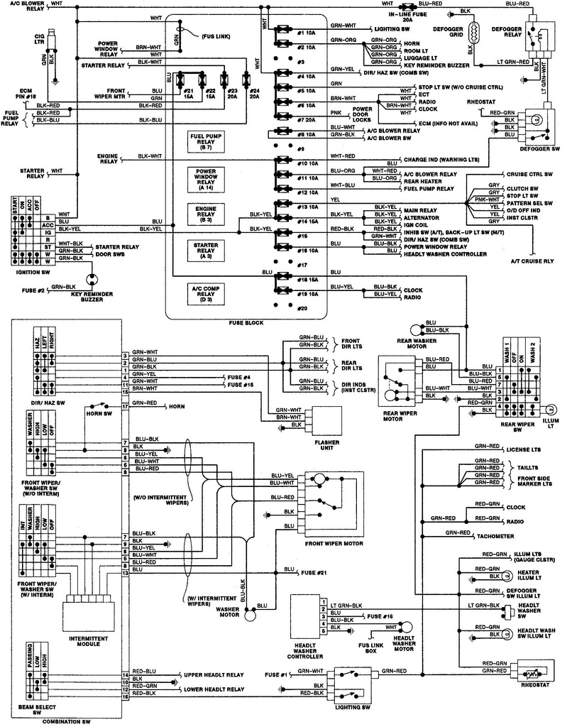
Wednesday, December 2nd, 2015 AT 10:09 AM
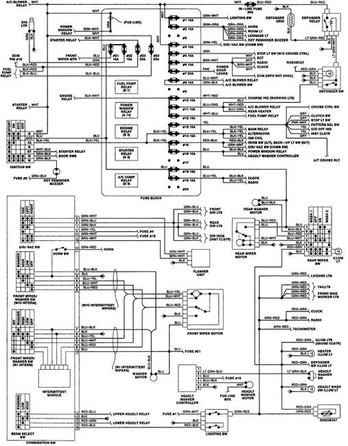
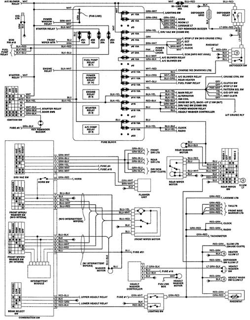
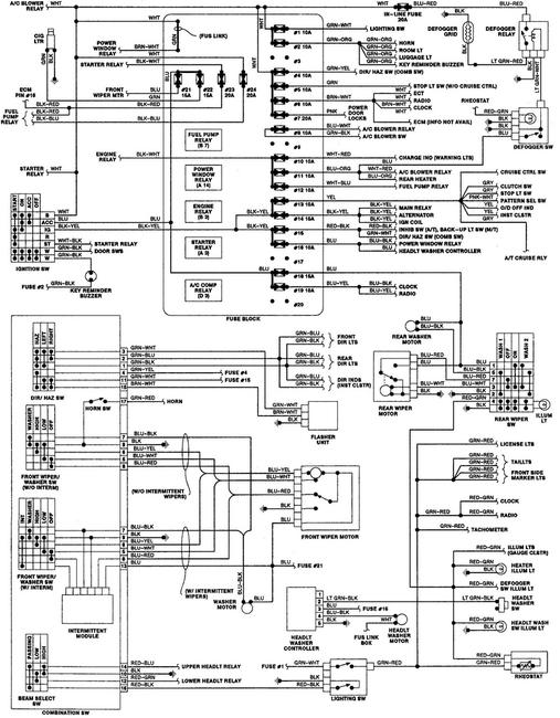
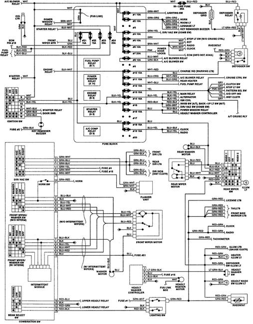
Start/Run Ignition Switch ok. Zones connected to fuse 7 (dashboard) works. While driving fuse 7 intermittently blows for no reason. Test Hazard Lights work ok. Test Heater blower relay ok. Swapped Start Relay ok. Dash gages all works ok. Check Engine lights ok. Replaced Alternator, gets 12.5 volts ok. Power goes to 5A at ECM, but where does it come out? Replace with new fuse 10/15 A, sometimes immediately blows, sometimes not. 8 Amps tested at fuse. I then connected a test light across blown fuse 7 and it resets circuit so new fuse doesn't blow it. I give up?







